Service manuals, schematics, eproms for electrical technicians

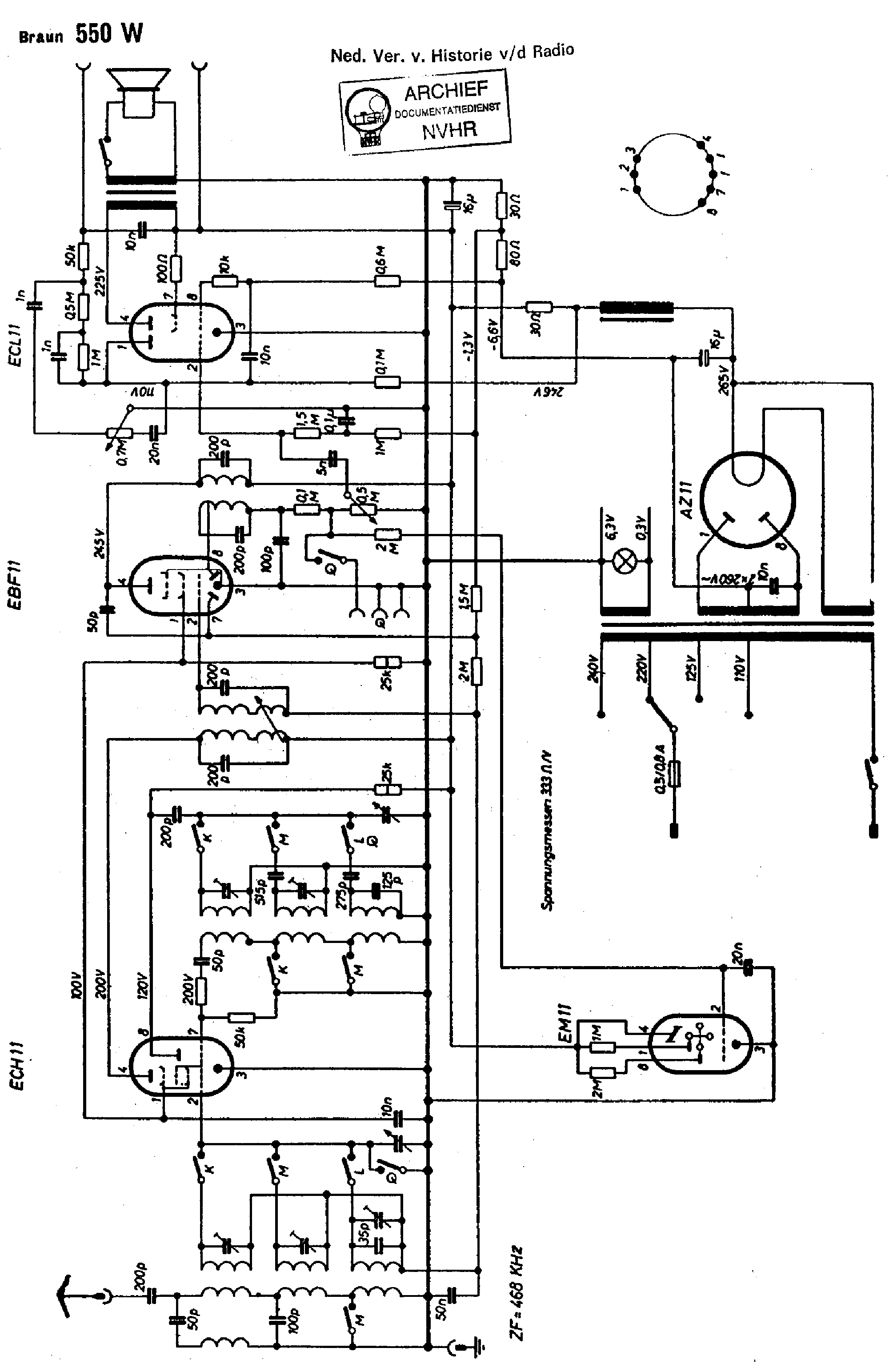
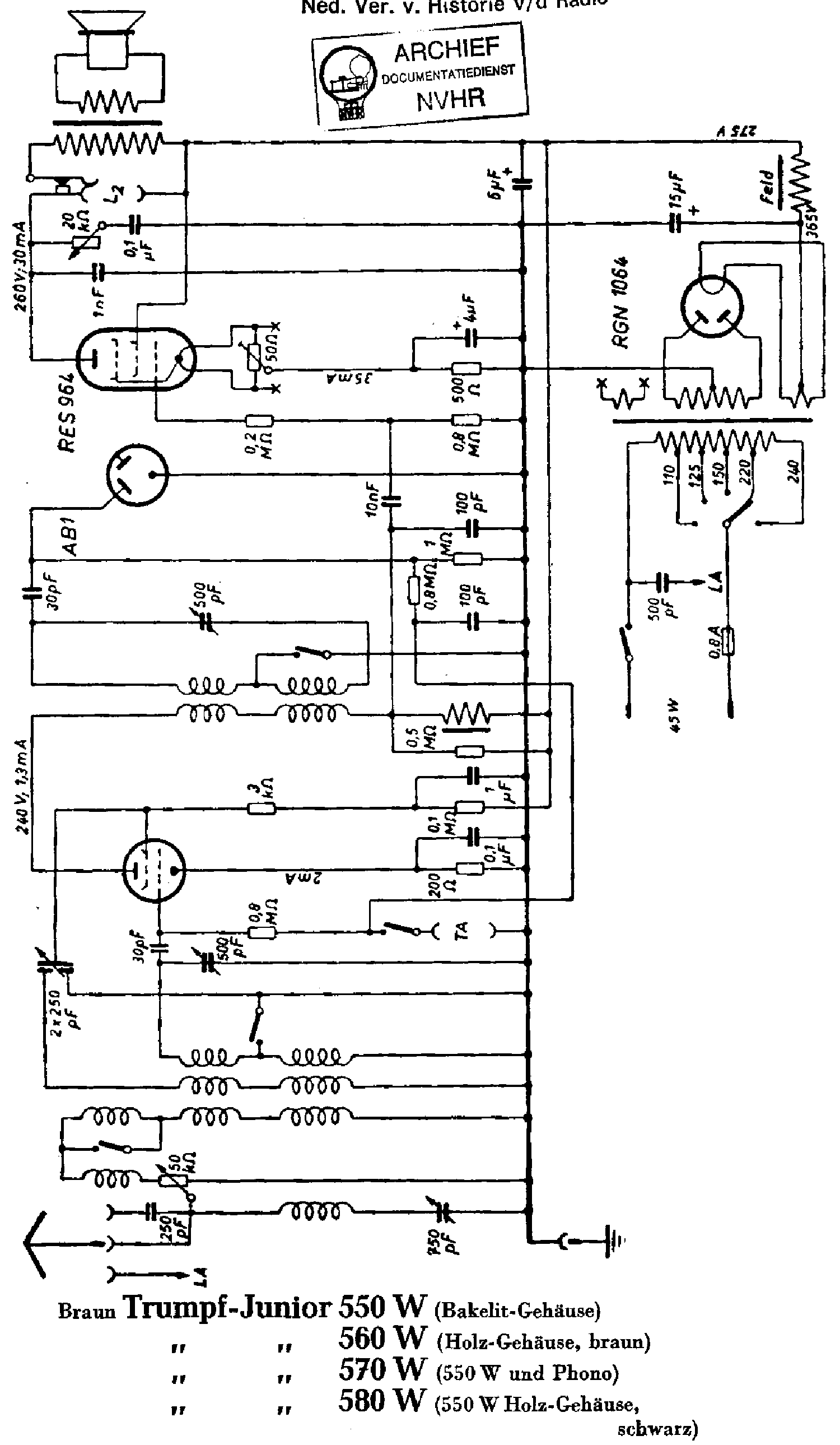
BRAUN SUPER-739GW 1938 SCH

AUDIO - SERVICE MANUAL
Type: (PNG)
Size
70.5 KB
Page
---
Category
AUDIO
SERVICE MANUAL
If you get stuck in repairing a defective appliance download this repair information for help. See below.
Good luck to the repair!

Please do not offer the downloaded file for sell only use it for personal usage!

Looking for similar braun manual?
Document preview [1st page]
No preview item


No preview item for this file.

Possible causes:
  • No preview picture generated yet.
  • It is not a pdf file.
Advertisements
Download free of charge (10 files / day):
Download is being processed. Please wait...
Download processing...
  • Also known:
    BRAUN SUPER739GW 1938 SUPER 739 GW 739GW
  • If you have any question about repairing write your question to the Message board. For this no need registration.
  • If the site has helped you and you also want to help others, please Upload a manual, circuit diagram or eeprom that is not yet available on the site.
    Have a nice Day!
  • See related repair forum topics below. May be help you to repair.
Warning!
If you are not familiar with electronics, do not attempt to repair!
You could suffer a fatal electrical shock! Instead, contact your nearest service center!

Note! To open downloaded files you need acrobat reader or similar pdf reader program. In addition, some files are archived,
so you need WinZip or WinRar to open that files. Also some files are djvu so you need djvu viewer to open them.
These free programs can be found on this page: needed progs
If you use opera you have to disable opera turbo function to download file!
If you cannot download this file, try it with CHROME or FIREFOX browser.
Translate this page:
Relevant AUDIO forum topics:
Velemenyek a Yamaha P2040 erositorol
Sziasztok. Adott a cimbeli erosito (vagy inkabb csak erolkodo). Ugy nez ki, mintha egy profi, 4 csatornas, hidalhato erosito lenne. Nagy csalodas volt, amikor beleneztem a szervizkonyvbe. 2 drb sztereo STK van benne, 2x35w talan fejenkent. Itt kezdett erdekelni a dolog, kivancsi voltam hogyan oldja meg egy STK 2 csatornajanak a hidalasat......  Hat, sehogy. Barhogy is neztem, a 2ch/4ch kapcsolo a hatlapon csak annyit csinal, hogy megnoveli a tapfeszt. De hogy a kapcsolo 2ch pozitiojaban miert ne lehetne mind a 4 csatornat hasznalni, nem ertem. Hisz a koppanasgatlo relek is egyszerre huznak meg, a bemenetek is aktivak maradnak...
Na mindegy, csalodas ez az erolkodo. Olyan, mintha ugyanabban a csonakban evezne a Bluetech-el es tarsaival, amiket megspekeltek egy blustucc-al, memoriakartya olvasoval, esetleg fm radioval. Csak hat a nev, na....
Mindezt azert kerdem, mert talaltam egy ilyen elado erolkodot, es meglodult a fantaziam, hogy mi mindent tudnek kezdeni a dobozaval....
Sony STR-434L rádió-erősítő rádiója néma. MEGOLDVA :)
Sziasztok! Adott a fent említett erősítő. 1979-1980 körüli gyártású, kívülről egészen jó állapotban van. Belül, ahogy nézem, még nem nyúlt bele előttem senki. Én eddig 2db nagy pufferkondit cseréltem a fő táprészben. Szépen szól a TAPE 1 és 2 bemenetekről, viszont ha rádióra kapcsolom, ott nem ad hangot. A hangerőt feltekerve mély alap-búgás hallatszik csak, ami elég brumm szerű. A frekvenciamérője valótlan értékeket mutat, ahogy tekerem a keresőjét, bár ez beállítható. Itt a tanyán megtaláltam a service manualját a készüléknek, de sokkal előrébb nem jutottam vele. Kiszáradt, vagy erősen kapacitás-vesztett elkóra gyanakszok. Találkoztatok már ilyennel? Update1: Tápok rendben, FR201 és 202 cseréje után az IC201 feszültségei megvannak. A gond annyi, hogy a service manual szerinti feszültségek közül rendre az AM üzemhez tartozó értékek vannak jelen, hiába van a sávválasztó tekerő FM állásban. A képen a normál zárójelben lévők lennének az FM üzem értékei. Előbbi tekerős kapcsoló nem direkt kapcsolja a feszültségeket, hanem PNP tranzisztorokkal, ezek között is találtam hibásat, zárlatosat. A rosszakat cseréltem. Tegnap pár másodpercre megjött a hang FM-en, de nem tudom mitől, visszahozni nem tudtam.
Keresek TCA530 hangolófeszültség stabilizátor IC-t (Megoldva)
Sziasztok! A TCA530 (csatolmány) egy Grundig R1000 rádióerősítőben lakott, de elhalálozott, ezért nem működik az URH sáv. Forró, és a kimenetén nincs hangolófeszültség. Ha valakinek lenne elfekvőben (bontott is érdekel), írjon, és megegyezünk. Ha helyettesítőt tud ajánlani valaki, az is érdekel. Üdv: Fülesmester
Sony STR-7055 rádiós erősítő bal oldal mindig kimegy
Sziasztok! Segítséget szeretnék kérni egy számomra furcsa jelenséghez és nem tudom, lehet emiatt megy ki mindig a bal oldal. A szervizkönyv az oldalon megtalálható. Azt tapasztaltam, hogy konnektorba bedugva, de kikapcsolt állapotban tudok mérni feszültséget egyes pontokon, pl.: Q701-702-703 közös lábán -3,5V, ahol egyébként bekapcsolva 0,6V van. A kondikba nincs áram. Ez miért lehetséges, ha a trafó előtt van a kapcsoló és a trafóból nem megy áram. A kimeneten (hangfal, fejhallgató) pedig halkan búg. A dugót megfordítva -0,1V. Sokáig állt ez is meg az egyik oldal ki volt ütve és már sokmindent kicseréltem. A tápegység diódáit meg a kis és nagy szűrőkondijait, a végfok megégett ellenállásait (R704, R721, R754, R803, R804), az összes elkót, a nagy tranyókat. Méréseket csináltam: +-50V helyett, csak +-40V van. Q706 és Q707 bázis lábainál +-1,2V helyett a bal oldalt +3,7V és -3,2V. Q701-702-703 közös lábán 2,7V-ot mértem a 0,6V helyett. Fejhallgatóról kipróbálva a bal oldal furán remegve halkabban szólt, a jobb jól. Kicseréltem a Q701-et és utána jók voltak a mérési eredmények. Kb. 2 percig jó volt, utána hol szólt, hol elhalkult, de akadozva. Aztán olvastam egy fórumon, hogy a Sony erősítőkbe érdemes kicserélni a VD-1221 nevű diódákat 2x1N4148-ra. Amikor így tettem fejhallgatóról tökéletesen szólt. Később kipróbáltam hangfallal. Több, mint fél óráig hallgattam negyed hangerőn, aztán tesztelni akartam hangosan, de a balodal elkezdett recsegni és halkra véve is úgy maradt. Kicseréltem megint a Q701-et. Most fejhallgatóról szól rendesen, de Q706-nál 13,6V, Q707-nél -0.1V körül ugrál a +-1,2V helyett. Így nem akarom hangfallal kipróbálni, amíg nem jók az értékek. Ennyi infóból lehet következtetni arra, hogy mi vágja ki a tranyót és mi okozza a nagy mérési eltéréseket? Ui.: Egyébként a Q702-703 is ki lett cserélve, most BC212B van berakva. Q701 helyén 2SA705 van, ami kijött Q702-703 helyéről és kiderült, hogy jók. (a lábakra figyeltem, el kellett forgatni) Üdv, Zso
Similar manuals:
If you want to join us and get repairing help please sign in or sign up by completing a simple electrical test
or write your question to the Message board without registration.
You can write in English language into the forum (not only in Hungarian)!

E-Waste Reduce