Service manuals, schematics, eproms for electrical technicians

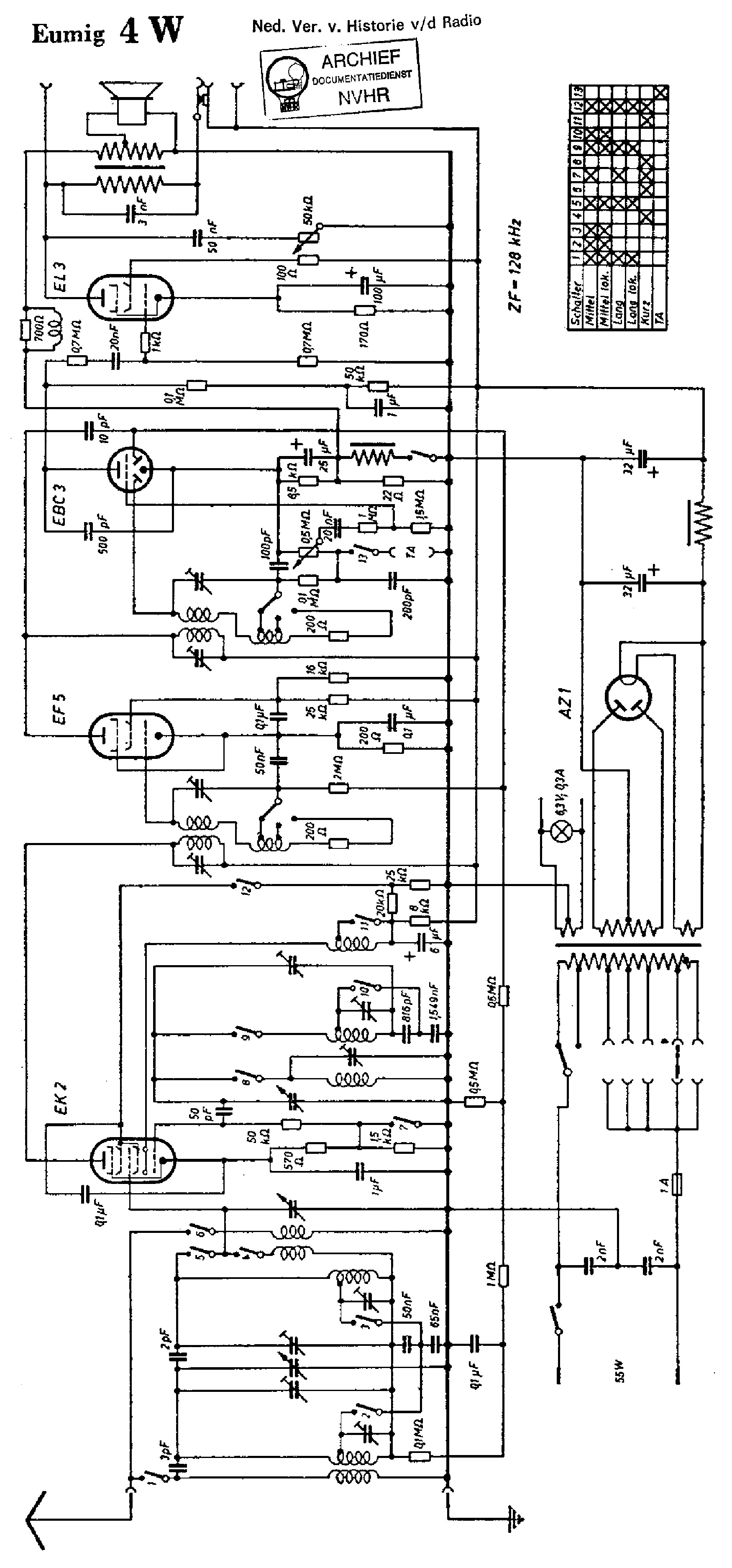
EUMIG 543 TUBES RADIO SCH

AUDIO - SERVICE MANUAL
Type: (JPG)
Size
233.9 KB
Page
---
Category
AUDIO
SERVICE MANUAL
If you get stuck in repairing a defective appliance download this repair information for help. See below.
Good luck to the repair!

Please do not offer the downloaded file for sell only use it for personal usage!

Looking for similar eumig manual?
Document preview [1st page]
No preview item


No preview item for this file.

Possible causes:
  • No preview picture generated yet.
  • It is not a pdf file.
Advertisements
Download free of charge (10 files / day):
Download is being processed. Please wait...
Download processing...
  • Also known:
    EUMIG RADIO 543 TUBES
  • If you have any question about repairing write your question to the Message board. For this no need registration.
  • If the site has helped you and you also want to help others, please Upload a manual, circuit diagram or eeprom that is not yet available on the site.
    Have a nice Day!
  • See related repair forum topics below. May be help you to repair.
Warning!
If you are not familiar with electronics, do not attempt to repair!
You could suffer a fatal electrical shock! Instead, contact your nearest service center!

Note! To open downloaded files you need acrobat reader or similar pdf reader program. In addition, some files are archived,
so you need WinZip or WinRar to open that files. Also some files are djvu so you need djvu viewer to open them.
These free programs can be found on this page: needed progs
If you use opera you have to disable opera turbo function to download file!
If you cannot download this file, try it with CHROME or FIREFOX browser.
Translate this page:
Relevant AUDIO forum topics:
Eumig Metropolitan cc
Sziasztok!Hozzám került javításra egy Eumig Metropolitan CC HI-Fi berendezés.A problémája az ,hogy nehezen éled fel a táp és a funkciót választó gombok mindig vissza állnak készenlétre. Ha valakinek lenne hozzá kapcsolási rajza és megosztaná itt a tanyán vagy elküldené nekem nagyon megköszönném.e-mail:belfi45@hotmail.com Köszönettel belfi
Similar manuals:
If you want to join us and get repairing help please sign in or sign up by completing a simple electrical test
or write your question to the Message board without registration.
You can write in English language into the forum (not only in Hungarian)!

E-Waste Reduce