Service manuals, schematics, eproms for electrical technicians

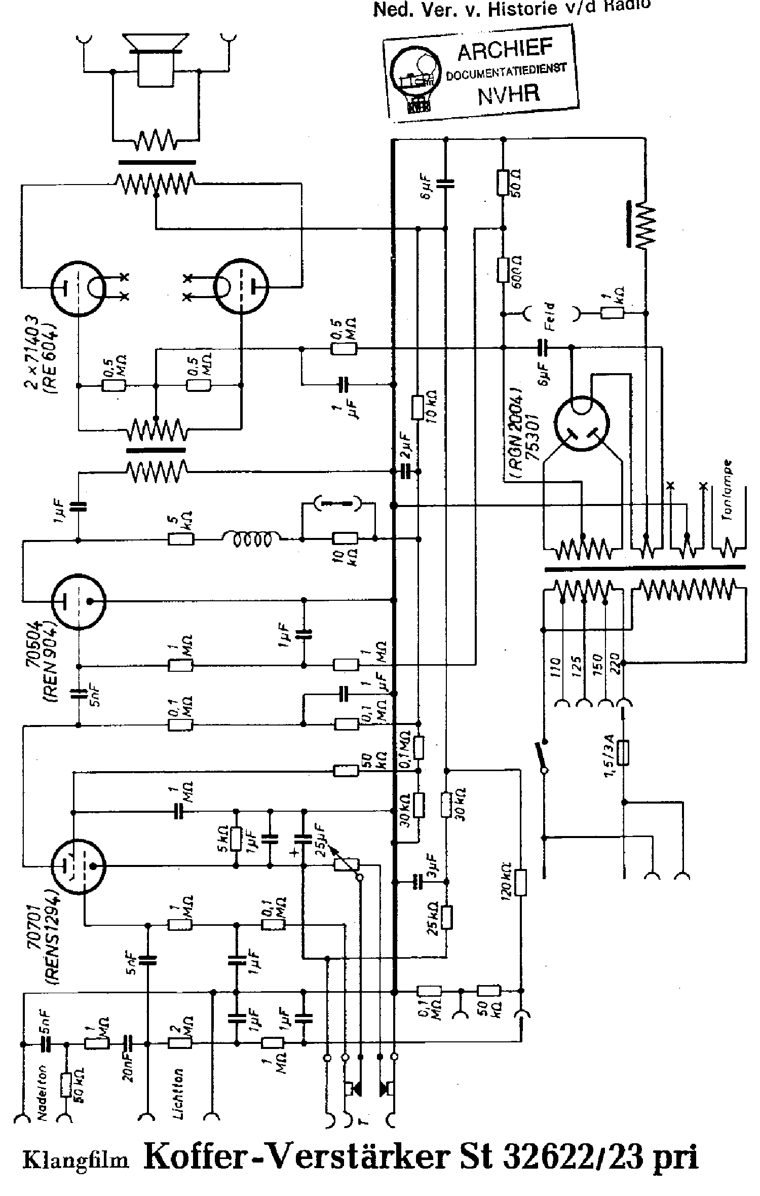
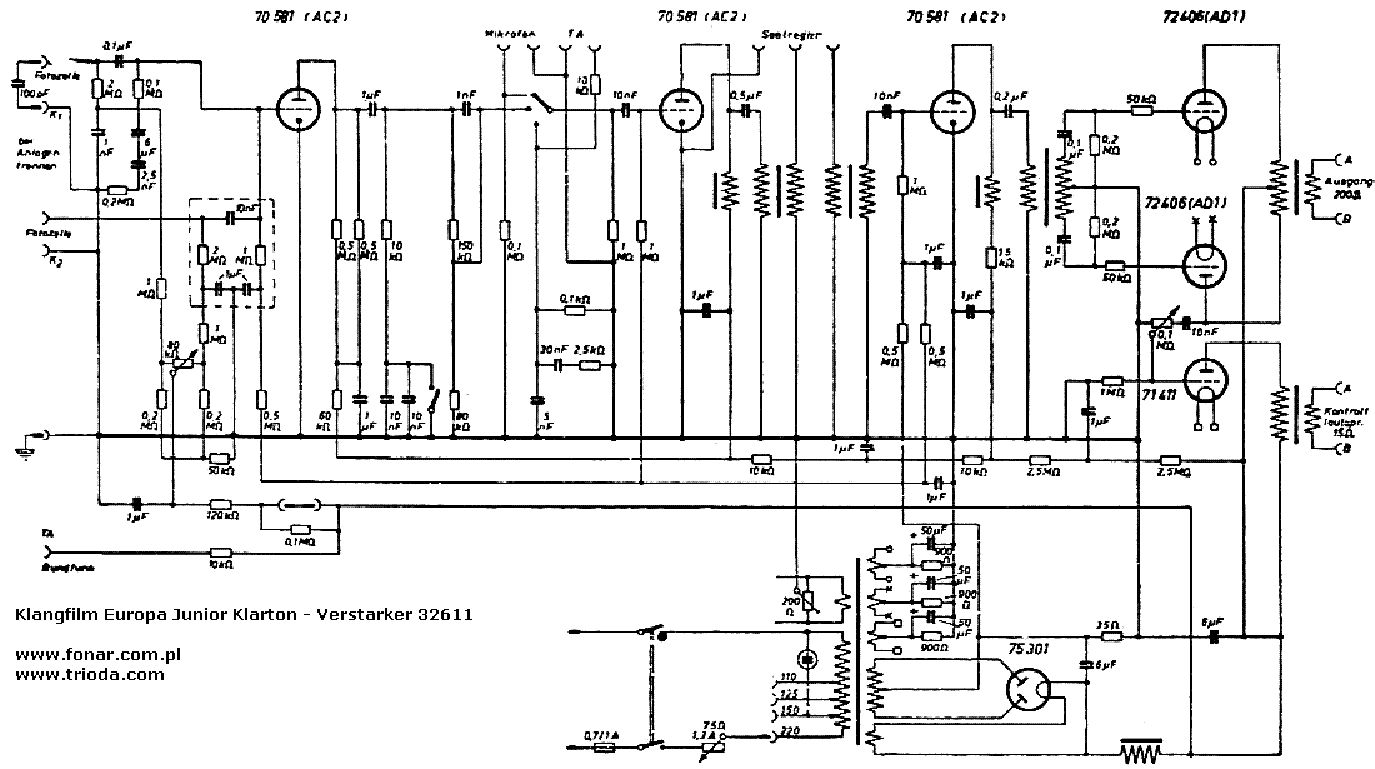
KLANGFILM 34601 AMPLIFIER SCH

AUDIO - SERVICE MANUAL
Type: (GIF)
Size
78.5 KB
Page
---
Category
AUDIO
SERVICE MANUAL
If you get stuck in repairing a defective appliance download this repair information for help. See below.
Good luck to the repair!

Please do not offer the downloaded file for sell only use it for personal usage!

Looking for similar klangfilm manual?
Document preview [1st page]
No preview item


No preview item for this file.

Possible causes:
  • No preview picture generated yet.
  • It is not a pdf file.
Advertisements
Please tick the box below to get download link:
  • Also known:
    KLANGFILM 34601 AMPLIFIER
  • If you have any question about repairing write your question to the Message board. For this no need registration.
  • If the site has helped you and you also want to help others, please Upload a manual, circuit diagram or eeprom that is not yet available on the site.
    Have a nice Day!
  • See related repair forum topics below. May be help you to repair.
Warning!
If you are not familiar with electronics, do not attempt to repair!
You could suffer a fatal electrical shock! Instead, contact your nearest service center!

Note! To open downloaded files you need acrobat reader or similar pdf reader program. In addition, some files are archived,
so you need WinZip or WinRar to open that files. Also some files are djvu so you need djvu viewer to open them.
These free programs can be found on this page: needed progs
If you use opera you have to disable opera turbo function to download file!
If you cannot download this file, try it with CHROME or FIREFOX browser.
Translate this page:
Relevant AUDIO forum topics:
Pacsirta projekt
Szép napot! A legújabb szerzeményem: Orion AR612 Régi rádiókat javító szakiktól kérdezném, hogy a hangszóró szövet tisztítható-e, vagy csak ártani lehet neki. Esetleg nincsen valakinek eladó? Holnap megpróbálom feléleszteni, de ez nagyon bántja a szemem.
Harman Kardon mas-100 erősítő rca bemenet átalakitása/MEGOLDVA/
Sziasztok! Vásároltam a címben szereplő erősitőt. Sajnos a torony másik eleme/vezérlő/ nincs meg hozzá. Erősítő bekapcsol, mind a kettő oldal tőkéletes. Viszont a bemenete TLC081 el van megoldva Kérdésem az, hogy sima rca be menetet hogyan lehetne kialakitani? Üdv:atis76
Akai AT-K1 nincs FM adás-Megoldva-
Hello.A fent emlitet tuneren nincs FM adás.Segitséget kérnék a javitásban-hozzáteszem nem nagyon értek a rádiokhoz-de ha nem olyan bonyolult,akkor megprobálom én,ha nem megy,akkor eladom igy hibásan.Rajzot nem találtam hozzá-vagy csak nem jól kerestem.Köszönöm. Köszönöm mindenkinek a segitséget.Rádiotechnikában egyátalán nem vagyok jártas,igy talán feltünt volna egyböl-vagy,ha teszek el képet a készülék belsejéröl-akkor a tanult szakembereknek,hogy a forgókondenzátor tetején levö kondenzátorok eredetileg nem képezték a készülék eredeti alkatrészlistáját.Ahogy lejebb emliteték,valószinüleg átvolt hangolva keleti normára anno.A kondenzátorok eltávolitása után a trimmer kondikal sikerült beállitani a megfelelö ferki helyeket,és jelerösséget.Jelenleg tesztelem,hogy az adok nem másznak-e el.
Dual496 lemezjátszó mechanika javítása
Üdv.mindenkinek! Dual 496 lemezjátszó hibája hogy 33 sebességnél a lemezkart a lemez elé teszi le kb.2-3mmre.A STEUERPIMPEL nem volt benne.3 félével próbáltam/fehér,fekete,sárga/ de mindegyikkel ezt a hibát produkálja.Jó lenne kis segítség a javításhoz.Beállítás probléma vagy más?
Similar manuals:
If you want to join us and get repairing help please sign in or sign up by completing a simple electrical test
or write your question to the Message board without registration.
You can write in English language into the forum (not only in Hungarian)!

E-Waste Reduce