Service manuals, schematics, eproms for electrical technicians

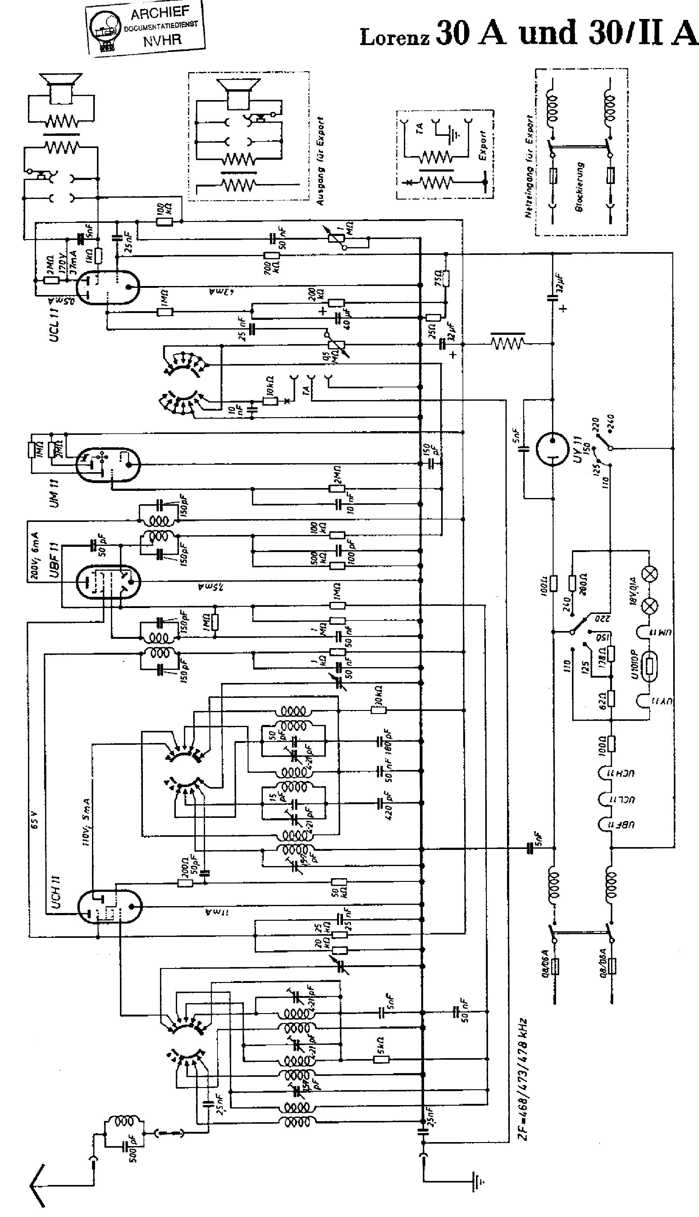
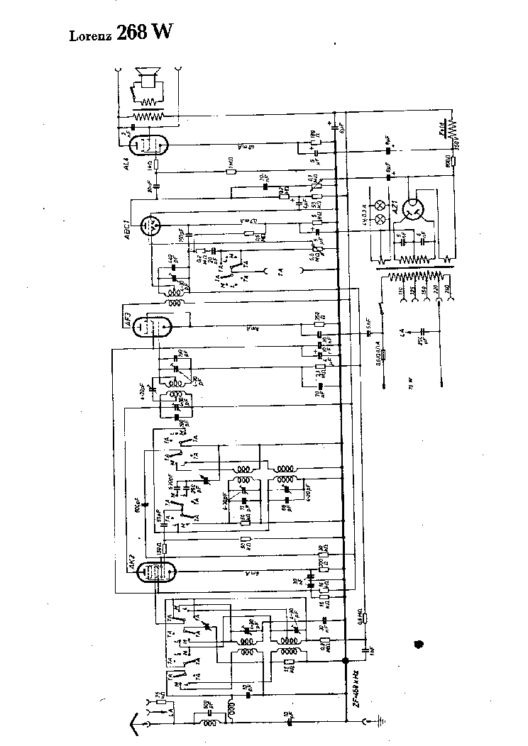
LORENZ 4647GW-AZ1 1947 SCH

AUDIO - SERVICE MANUAL
Type: (PNG)
Size
77.0 KB
Page
---
Category
AUDIO
SERVICE MANUAL
If you get stuck in repairing a defective appliance download this repair information for help. See below.
Good luck to the repair!

Please do not offer the downloaded file for sell only use it for personal usage!

Looking for similar lorenz manual?
Document preview [1st page]
No preview item


No preview item for this file.

Possible causes:
  • No preview picture generated yet.
  • It is not a pdf file.
Advertisements
Download free of charge (10 files / day):
Download is being processed. Please wait...
Download processing...
  • Also known:
    LORENZ 4647GWAZ1 1947 4647 GWAZ 4647GW AZ1 4647GW-AZ1
  • If you have any question about repairing write your question to the Message board. For this no need registration.
  • If the site has helped you and you also want to help others, please Upload a manual, circuit diagram or eeprom that is not yet available on the site.
    Have a nice Day!
  • See related repair forum topics below. May be help you to repair.
Warning!
If you are not familiar with electronics, do not attempt to repair!
You could suffer a fatal electrical shock! Instead, contact your nearest service center!

Note! To open downloaded files you need acrobat reader or similar pdf reader program. In addition, some files are archived,
so you need WinZip or WinRar to open that files. Also some files are djvu so you need djvu viewer to open them.
These free programs can be found on this page: needed progs
If you use opera you have to disable opera turbo function to download file!
If you cannot download this file, try it with CHROME or FIREFOX browser.
Translate this page:
Relevant AUDIO forum topics:
PHILPS D8614 RádióMagnó
Üdvözlet Mindenkinek! Ez a leges legelső topikom. Végső megoldásként fordulok hozzátok a problémámmal: Sikerült hozzájutnom a fent nevezett magnóhoz, viszont amint levettem a hátlapját vált láthatóvá a nem kis gond! Két hangszóró rákötve a jobb végfok IC-re, a bal végfok IC-nek hűlt helye, és ami legrosszabb a környékén a panel szét égve. IC-m még lenne, de a felégett panellal sajnos nem tudok mit kezdeni. Varázsló nem vagyok. Röviden: Nagy szükségem lenne a kapcsolási rajzára! Tudom hogy fizetősen lehet vásárolni a neten, de ilyet még nem csináltam. Ha esetleg valaki már vásárolt így, és ezt is meg tudná szerezni, annak kifizetem a költségét! Köszönettel: Mátyás
Onkyo TX-7430
Hello!! Ha valaki el tudná nekem küldeni az Onkyo Tx-7430 erősítő kapcsolási rajzát nagyon megköszönném :)
Potmétert keresek
Kedves Kollégák! Egy JVC RX-206 -os rádióerősítő hangszínéhez kellene 2 x 100KOhmos porméter... Ami a gond, az az alakja. A kivezetések nem a palástján (a tengelyre merőlegesen) jönnek ki, mint az rendes családokban szokás, hanem alattomosan a poti hátfalán (a tengellyel párhuzamosan) egymás mellett egy sorban mind a hat... Tudja Valaki, hogy hol árulnak ilyet??? esetleg bontva nincs Valakinek??? Köszi minden segítséget! stonhy
Dyras ALDS-430 Mélyhangsugárzó Megoldva
Sziasztok kolléga urak! Segítségetek szeretném kérni a fentiekben említett 5.1 es hangrendszer ügyében.Hibajelenség a következő lenne.Működés közben a mélyhangsugárzó hol szól holnem,tehát néha visszajön egy ideig de utána megszünik,pedig ha nem szól zene hallani halk zajt,tehát a mély aktívnak tűnik csak nem szól rajta zene.Amit megnéztem rajta egyenlőre csak a kábelek voltak amik jók,szeretnék kérni a tapasztalataitokból,és egy kapcsolásirajzot ha tudtok.Természetesen a többi hangsugárzókkal semmi gond.A segítséget mindenkinek előre köszönöm. Üdvözlettel:Tibi
Similar manuals:
If you want to join us and get repairing help please sign in or sign up by completing a simple electrical test
or write your question to the Message board without registration.
You can write in English language into the forum (not only in Hungarian)!

E-Waste Reduce