Service manuals, schematics, eproms for electrical technicians

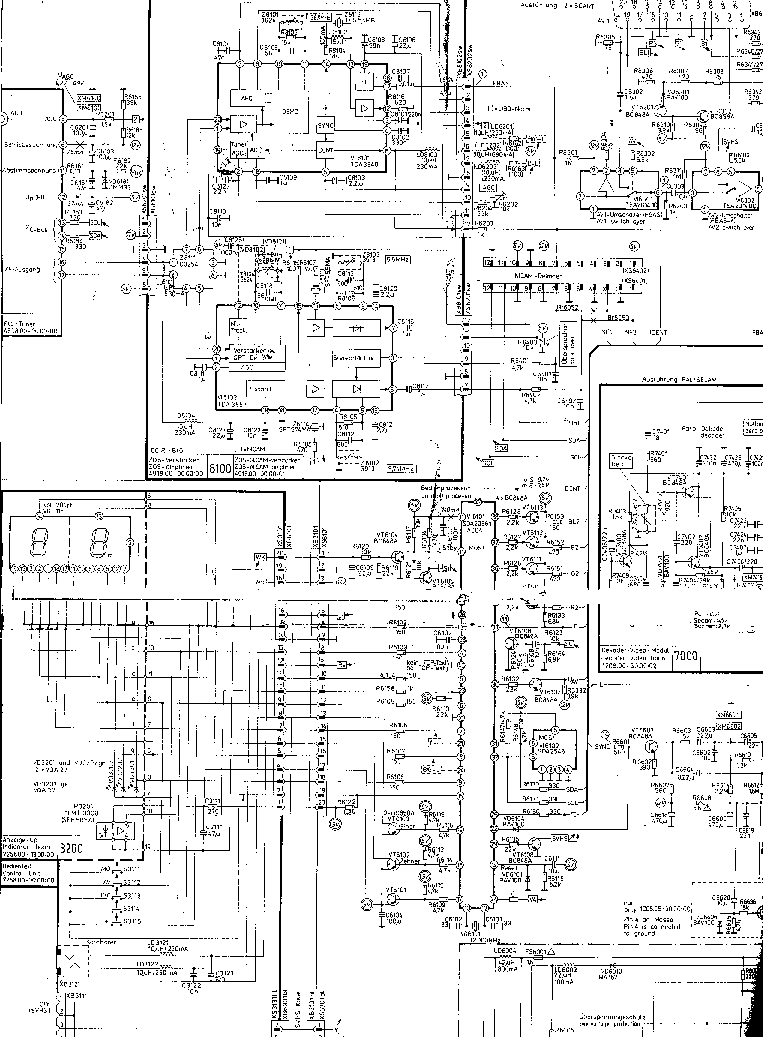
RFT RAFENA COLOR VISION RC6041 1986 SM

TV - SERVICE MANUAL
Type: (ZIP)
Size
23.4 MB
Page
---
Category
TV
SERVICE MANUAL
If you get stuck in repairing a defective appliance download this repair information for help. See below.
Good luck to the repair!

Please do not offer the downloaded file for sell only use it for personal usage!

Looking for similar rft manual?
Document preview [1st page]
No preview item


No preview item for this file.

Possible causes:
  • No preview picture generated yet.
  • It is not a pdf file.
Advertisements
Download free of charge (10 files / day):
Download is being processed. Please wait...
Download processing...
  • Also known:
    RFT RAFENA COLOR VISION RC-6041 RC6041 1986 RC 6041
  • If you have any question about repairing write your question to the Message board. For this no need registration.
  • If the site has helped you and you also want to help others, please Upload a manual, circuit diagram or eeprom that is not yet available on the site.
    Have a nice Day!
  • See related repair forum topics below. May be help you to repair.
Warning!
If you are not familiar with electronics, do not attempt to repair!
You could suffer a fatal electrical shock! Instead, contact your nearest service center!

Note! To open downloaded files you need acrobat reader or similar pdf reader program. In addition, some files are archived,
so you need WinZip or WinRar to open that files. Also some files are djvu so you need djvu viewer to open them.
These free programs can be found on this page: needed progs
If you use opera you have to disable opera turbo function to download file!
If you cannot download this file, try it with CHROME or FIREFOX browser.
Translate this page:
Relevant TV forum topics:
RFT stassfurt sorkimenő trafó hiba megoldva.
Szevasztok lenne ez a fentebb leirt tv hibás a sorkimenője AT2079/10A van benne,nmtudom belehet e szerezni még,nagyon jó kis tv,preciz német minőség,árnyékolt alaplap,szóval jóvolna megjvitani,vagy esetleg valami másat beletenni,de ehez jóvolna a rajza is,ha valaki tudja holnnan lehetne leszedni,tudassa velem,a saszira az van ráirva Chassis-LP.
RFT Turnier 12 Rajza kellene
Üdvözlök mindenkit A VT gyár KÉKES TV kapcsolási rajza és az RFT Turnier 12 -es tipusú 1963-1965 között gyártott TV kapcsolási rajzára lenne szükségem. :help: Ha, valakinek lenne és azt megosztaná velem, meg köszönném :yes: Üdv: Miklós
RFT COLORMAT 4510 A nagyon zúg a hangja világos képeknél.Megoldva,de van egy másik problem is,av ba nincs szinkron.
Szevasztok Hozták ma ezt az öreg tvt,azzal a hibával hogy meglocsolták rajta a virágot,na ami kipurcant azt hejreállitottam képe jó,de nagy zugás van a hangban,belenézve a rádió csatornába,a tda241 es ic ugy látszik mint ha nem dolgoznáki illetve nem szabályozná az AGC feszt,folyamatosan8,37 volt van a négyes lábán,ugy tudom ennek változnia kellene kihuzott antennánál illetve bedugottnál,van helyettestőm,de mielőtt kicserélném egykis megerősités kellene hogyjól gondolom e,az AGC potméterre sem változik a feszültség a 4 es lábon.
Similar manuals:
If you want to join us and get repairing help please sign in or sign up by completing a simple electrical test
or write your question to the Message board without registration.
You can write in English language into the forum (not only in Hungarian)!

E-Waste Reduce