Service manuals, schematics, eproms for electrical technicians

TRILUX TV TAP 2101T

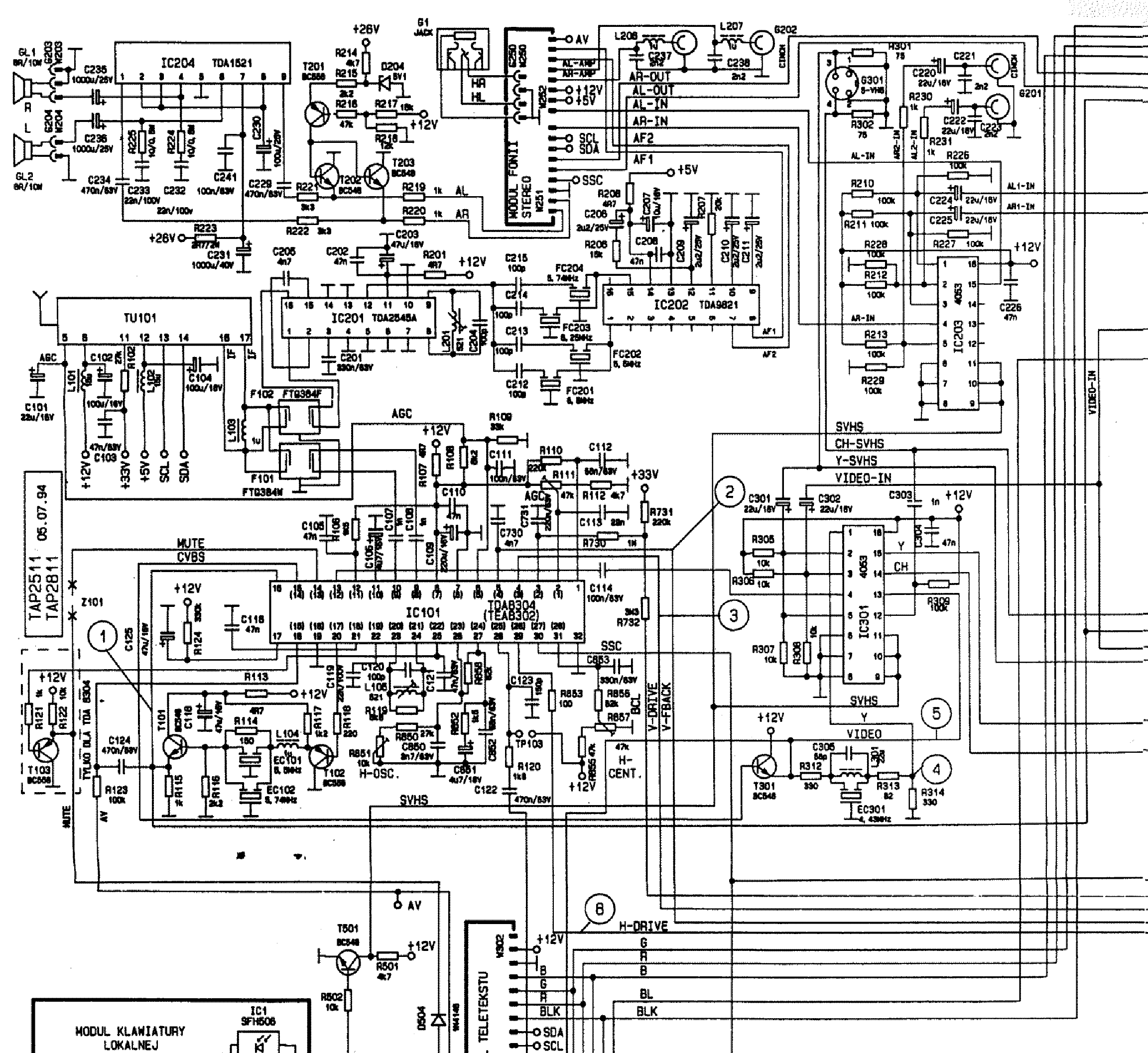
TV - SERVICE MANUAL
Type: (ZIP)
Size
455.2 KB
Page
---
Category
TV
SERVICE MANUAL
If you get stuck in repairing a defective appliance download this repair information for help. See below.
Good luck to the repair!

Please do not offer the downloaded file for sell only use it for personal usage!

Looking for similar trilux manual?
Document preview [1st page]
No preview item


No preview item for this file.

Possible causes:
  • No preview picture generated yet.
  • It is not a pdf file.
Advertisements
Download free of charge (10 files / day):
Download is being processed. Please wait...
Download processing...
  • Also known:
    TRILUX TV TAP 2101T 2101
  • If you have any question about repairing write your question to the Message board. For this no need registration.
  • If the site has helped you and you also want to help others, please Upload a manual, circuit diagram or eeprom that is not yet available on the site.
    Have a nice Day!
  • See related repair forum topics below. May be help you to repair.
Warning!
If you are not familiar with electronics, do not attempt to repair!
You could suffer a fatal electrical shock! Instead, contact your nearest service center!

Note! To open downloaded files you need acrobat reader or similar pdf reader program. In addition, some files are archived,
so you need WinZip or WinRar to open that files. Also some files are djvu so you need djvu viewer to open them.
These free programs can be found on this page: needed progs
If you use opera you have to disable opera turbo function to download file!
If you cannot download this file, try it with CHROME or FIREFOX browser.
Translate this page:
Relevant TV forum topics:
FUNAI TV 2100A MK6 Valószínűleg Táp hiba! MEGOLDVA!
Üdv urak! Ismét jött egy TV úgy elviheted ha kell címmel:D Persze rosszan! A rajzot letöltöttem. A táp primer oldali részét átnézegettem, hibás alkatrészt eddig nem találtam. Az egyenirányítás után a tápfeszültség megvan, tehát kábel bizti, hálózati kapcsoló és egyéb apró hibák kizárva. Újra elővettem a gépet! Az általatok tanácsolt alkatelemeket ismét átnéztem. A soros 120K-s ellenállások ugyan jók voltak, de a panelfilm két helyütt is szakadt volt, ezt meggyógyítottam. cseréltem a 220mikrót és a 330 mikrót is C516 és C 515 pontokon. Cseréltem az optót. Kiforrasztva ellenőriztem Q 502-t, mely jónak tűnik. Ha bekapcsolom elindul a lemágnesező, a vele sorosan kapcsolt PS501 melegszik. Ennél a tipusnál folyamatosan fesz. alatt marad a lemágnesező? A C 506-on 300V-ot mérek. Q501 kollektorán és emitterén szintén 300V-ot. Q 506-os fet-en is 300V-van. Semmiféle életjel a szekunder oldalon nincs. Okozhatja e ezt az, hogy valaki a Q 501 helyére egy S 2000-et fabrikált bele? Ha igen, akkor mikkel próbálkozhatok helyette? 2SC3468-am nincs itthol és a Stevepapa által korábban ajánlott BU 326-om sincs. 150V-os szupresszor zéner rendben van, nem zárlatos. "FONTOS! Olyan fórum téma nevet válassz, ami beszédes, minél pontosabban illeszkedik arra, amivel kapcsolatban írsz. Egy lehetséges jó elnevezés pl: ORION LCD PT26S chassis 17MB12-2, a tápja nem indul Az nem elég, hogy pl: "LG LCD-TV" vagy "HP laptop" és hasonlóak. Illetve érdektelen, nem releváns információt se tartalmazzon a cím! A helytelenül elnevezett topik felfüggesztésre, majd 48 óra után törlésre kerül! Felfüggesztett állapotban nem tudnak mások addig hozzászólni, amíg ki nem javítod a címet. A hibás cím utólagos javítása (48 órán belül) a "Szerkesztés" fülre kattintva végezhető el."
TECHWOOD TK371 HDT (Chassis:vestel 17MB15E-7)
Üdv. Eeprom tartalmat keresnék a fent nevezett tipushoz. Köszi.
BENQ MP512 projektor inicializálás után kikapcsol
Kérem kockás és CRC ne szóljon a topichoz!

Sziasztok!

Lenne ez a proji. inicializálás után kikapcsol. Nem is lehet bekapcsolni, csak kis idő múlva.

Mi lehet a bibi? Köszi
Samsung UE49NU7102 képhiba
Sziasztok!
Led hátér és diffúzor csere után ez a kép fogadott. A kijelző tetején villog a kép, alatta nem. Előtte nem látszott semmi mert nem volt kép. A kérdés, hogy kijelző vagy mégis led hiba okozza? Köszönöm!!

https://youtu.be/Ln0rUm9BRp4
 
Similar manuals:
If you want to join us and get repairing help please sign in or sign up by completing a simple electrical test
or write your question to the Message board without registration.
You can write in English language into the forum (not only in Hungarian)!

E-Waste Reduce