Service manuals, schematics, eproms for electrical technicians

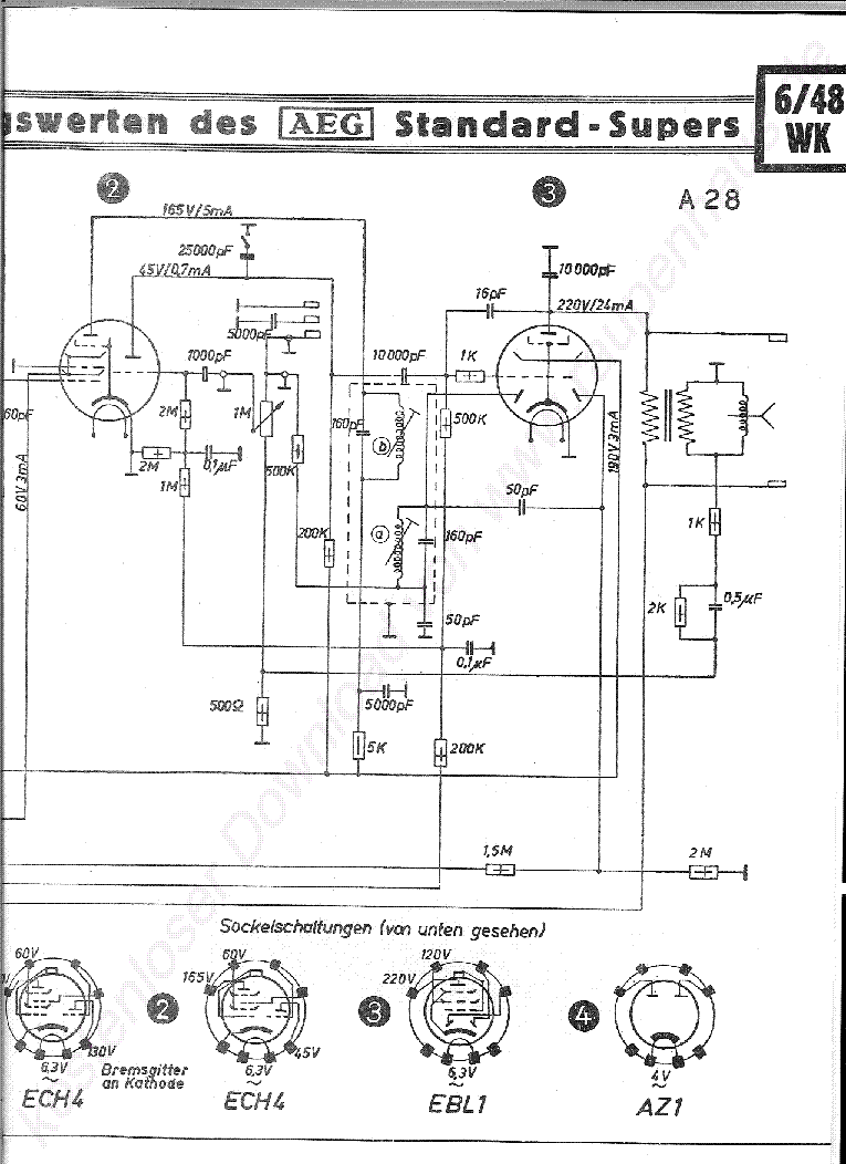
AEG 78WK AC RADIO 1954 PL SCH

AUDIO - SERVICE MANUAL
Type: (GIF)
Size
124.0 KB
Page
---
Category
AUDIO
SERVICE MANUAL
If you get stuck in repairing a defective appliance download this repair information for help. See below.
Good luck to the repair!

Please do not offer the downloaded file for sell only use it for personal usage!

Looking for similar aeg manual?
Document preview [1st page]
No preview item


No preview item for this file.

Possible causes:
  • No preview picture generated yet.
  • It is not a pdf file.
Advertisements
Please tick the box below to get download link:
  • Also known:
    AEG AC RADIO 78WK 1954 PL 78 WK
  • If you have any question about repairing write your question to the Message board. For this no need registration.
  • If the site has helped you and you also want to help others, please Upload a manual, circuit diagram or eeprom that is not yet available on the site.
    Have a nice Day!
  • See related repair forum topics below. May be help you to repair.
Warning!
If you are not familiar with electronics, do not attempt to repair!
You could suffer a fatal electrical shock! Instead, contact your nearest service center!

Note! To open downloaded files you need acrobat reader or similar pdf reader program. In addition, some files are archived,
so you need WinZip or WinRar to open that files. Also some files are djvu so you need djvu viewer to open them.
These free programs can be found on this page: needed progs
If you use opera you have to disable opera turbo function to download file!
If you cannot download this file, try it with CHROME or FIREFOX browser.
Translate this page:
Relevant AUDIO forum topics:
AEG CS FMP 560 autórádio/cd csak kijelzés van
Helló Van egy ilyen cd-s autoradio kiírja hogy F187.5, Ha band gombot nyomom annyit ír ki hogy no clock, Ha mode vagy PTY gombot nyomom eltűnik minden a kijelzőről. Hangerőt nem lehet állítani, meg szinte semmit. Az encoder szét volt esve a sok feszegetéstől, ezt tettem rendbe és egy reset-et csináltam, valami ötlet?
AEG SRP 4243 hordozható magnó nem kapcsol be.
Üdv tanyalakók! Elöször is boldog új évet minden tanyalakónak! Vásáróltam a cimben szereplö magnót azzal a hibával hogy szólt egy darabig utána örökre elhallgatott. Szétszedtem , a tápegysége jó mivel 12V ról üzemel és külsö tápos. Az alaplapon találtam egy kicsit füstös smd ict de nem találok róla semmit. Foto mellékelve. Minden segitökész hozzászólást elfogadok, és megköszönök! Üdv: atis76
AEG SR 4314 CD lejátszás akadozik (Megállt a tudomány.)
Sziasztok! Tudom,hogy volt már ilyen téma,de"egy újszülöttnek minden..". Hoztak egy címbeli kisgépet címbeli problémával. Nyugdíjasok a gazdik,és 70 évesen még erről járatnák a rock and rollt,amit még járnak is. Aranyosak no.Gondoltam segítek nekik,de hilfe!! Csak gyári vagy wav lemezt játszik,egy darabig.Akkor úgy tesz,mintha keresné a tracket,elhallgat,pozicionál,és folytatja onnan,ahol abbahagyta.A lemez közepe táján már sűrűbben tesz ilyent,hosszabb kihagyásokkal,és a végét nem is éri el,hibával megáll.Nem is megy mindig vissza alapállásba,ekkor már ugye frissen betett lemezre is errort ír ki.Megtisztítottam a szánt,fogaskerekeket,bekentem vékonyan vazelinnel.A hiba megmaradt.Fejtisztításban sem vagyok igazán járatos,ezért a lencse alkoholos pucolása volt eddig a max.Most azt szeretném eldönteni, hogy a fej,vagy a mozgató motorban lelem a hibát.(A fej száma: (QYCD 01 B) alapján nem találtam ilyent.) A dolgot picit bonyolítja,hogy ritkán javítok CD-t,túl sok rutinom nincs.Aki tudna ötletet adni,miként bírhatom folyamatos szóra ezt a masinát,kérem ossza meg velem! Köszönöm és üdv.: davidm
AEG MC 4414 CD/MP3 -hibás rádióvétel
Üdv. mindenkinek! Jelenség az alábbi: 88 Mhz-től felfelé haladva az adók egyre gyengébben foghatóak. A kábel TV-én a rádió csatornák beosztása 1Mhz léptékben van, és 100 megán már alig halható a müsor ( Petőfi ). A kapcsrajzot nem találtam meg, igy az LA1823 adatlapja alapján próbáltam eligazodni. Hangoló fesz rendben, AGC van, frekvencia kijelzés OK, állomás keresés közben a némitás OK. Kérem ha valakinek van rajza vagy ötlete, hogy mi okozhatja e hibát segitsen. Tisztelettel, welding alt
Similar manuals:
If you want to join us and get repairing help please sign in or sign up by completing a simple electrical test
or write your question to the Message board without registration.
You can write in English language into the forum (not only in Hungarian)!

E-Waste Reduce