Service manuals, schematics, eproms for electrical technicians

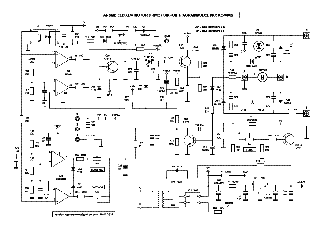
ANSME AE-9402 DC MOTOR DRIVER SCHEMATIC

OTHER - SERVICE MANUAL
Type: (PDF)
Size
236.8 KB
Page
1
Category
OTHER
SERVICE MANUAL
If you get stuck in repairing a defective appliance download this repair information for help. See below.
Good luck to the repair!

Please do not offer the downloaded file for sell only use it for personal usage!

Looking for similar ansme manual?
Document preview [1st page]
ANSME AE-9402 DC MOTOR DRIVER SCHEMATIC service manual (1st page)
Preview of ANSME AE-9402 DC MOTOR DRIVER SCHEMATIC [1st page]
Click on the link for free download!
Advertisements
Download free of charge (10 files / day):
Download is being processed. Please wait...
Download processing...
  • Also known:
    ANSME AE-9402 MOTOR DRIVER SCHEMATIC AE9402 DC AE 9402
  • If you have any question about repairing write your question to the Message board. For this no need registration.
  • If the site has helped you and you also want to help others, please Upload a manual, circuit diagram or eeprom that is not yet available on the site.
    Have a nice Day!
  • See related repair forum topics below. May be help you to repair.
Warning!
If you are not familiar with electronics, do not attempt to repair!
You could suffer a fatal electrical shock! Instead, contact your nearest service center!

Note! To open downloaded files you need acrobat reader or similar pdf reader program. In addition, some files are archived,
so you need WinZip or WinRar to open that files. Also some files are djvu so you need djvu viewer to open them.
These free programs can be found on this page: needed progs
If you use opera you have to disable opera turbo function to download file!
If you cannot download this file, try it with CHROME or FIREFOX browser.
Translate this page:
Relevant OTHER forum topics:
Ólmos forrasztó ónt keresek!
Sziasztok!

Keresek jó fajta ólmos gyantás forrasztó ónt 0,5-1mm közötti átmérővel. Legjobb lenne 0,7 vagy 0,8 átmérővel.
Hörmann Rotamatic 2 szárnyú vezérlés időről időre megáll,újratanítása után pár hétig jó.
Szervusztok!

Olyan problémával szembesültem,amit még nem tapasztaltam.
Az alany egy Hörmann Rotamatic kapuvezérlő,ami pár hét üzem után megáll.
Gyári reset ués a hozzátartozó beállítások után megy,minden rendben lévőnek látszik.
Amikor bekattan az agya,a nyitási parancsra,az mindegy,hogy távval vagy a megfelelő kontaktok rövidre zárásával,nem nyit,
csak a piros LED villan kettőt.

Ez a manuál szerint a biztonsági rendszer hibás működésére utal.
Amiben az a fura,hogy ebben nincs infra beépítva,a két kapocs közé be van téve egy 8,2kOhmos ellenállás.

Programozáskor azt a furcsaságot vettem észre,hogy az egyik szárny betanításakor a piros LED nem alszik el,mikor eléri a végálláskapcsolót a motor.A végálláskapcsoló működik,azt műszerrel ellenőriztem.A két motorban lévő panelt nem cseréltem fel még egymással.

Tud valaki egy kis útmutatást adni,hogy hogyan is oldotta meg a Hörmann a 2 vezetéken a végállást és az impuzus számlálást is?
Sejtésem van róla,az ezen az oldalon talált visszarajzolt panel alapján próbáltam kiokoskodni.
A panelt elhoztam,letakarítottam,át is forrasztottam a szerintem kritikus helyeken,de sok mindent nem láttam rajta.
Lassan vissza kell vinnem,jó lenne,ha nem volnék havi vendég az ügyfélnél.
Köszönöm előre a segítségeteket!
István
Karcher HDS850 ER901
Üdv mindenkinek !! HDS850 ER901 típusú melegvizes nagynyomású mosó-hoz keresek dokumentációt. A szervizbe nemfoglalkoznak már evvel az évjárattal, sajna nem tudnak segíteni. A gépnek vizszin érzékelés gondja van és ezért nem engedi begyujtani az olaj égőt.Nem a szokványos RID-relés az érzékelés meg oldása, hanem két érzékelő szonda van a viztartályba téve és igy találja ki ,hogy van e-benne viz vagy sem. A bennelévő panel,--sasszi szám:6.631.228 Minden segítséget köszönök. Üdv Sallaan1
Traconic 130 CO hegesztőt két fázis közé kapcsolták
Hi!
Tudnátok segíteni. 
Megtaláltak egy ilyennel, elhoznák, hogy nézzem meg.
Kicseréltek egy 1A megy egy 3,15A üvegbiztit, de csak búg..

Nincs valakinek anyaga róla?

Kösz
If you want to join us and get repairing help please sign in or sign up by completing a simple electrical test
or write your question to the Message board without registration.
You can write in English language into the forum (not only in Hungarian)!

E-Waste Reduce