Service manuals, schematics, eproms for electrical technicians

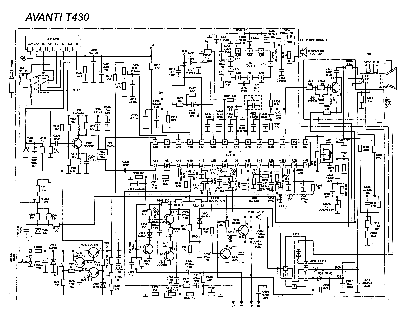
AVANTI T430 SCH 2.

TV - SERVICE MANUAL
Type: (DJVU)
Size
42.7 KB
Page
1
Category
TV
SERVICE MANUAL
If you get stuck in repairing a defective appliance download this repair information for help. See below.
Good luck to the repair!

Please do not offer the downloaded file for sell only use it for personal usage!

Looking for similar avanti manual?
Document preview [1st page]
No preview item


No preview item for this file.

Possible causes:
  • No preview picture generated yet.
  • It is not a pdf file.
Advertisements
Please tick the box below to get download link:
  • Also known:
    AVANTI T-430 T430 2. 430
  • If you have any question about repairing write your question to the Message board. For this no need registration.
  • If the site has helped you and you also want to help others, please Upload a manual, circuit diagram or eeprom that is not yet available on the site.
    Have a nice Day!
  • See related repair forum topics below. May be help you to repair.
Warning!
If you are not familiar with electronics, do not attempt to repair!
You could suffer a fatal electrical shock! Instead, contact your nearest service center!

Note! To open downloaded files you need acrobat reader or similar pdf reader program. In addition, some files are archived,
so you need WinZip or WinRar to open that files. Also some files are djvu so you need djvu viewer to open them.
These free programs can be found on this page: needed progs
If you use opera you have to disable opera turbo function to download file!
If you cannot download this file, try it with CHROME or FIREFOX browser.
Translate this page:
Relevant TV forum topics:
Delta tévé képcsőtisztítás (AT550)
Sziasztok! Öreg tévésektől érdeklődnék. A plexielőlapos képcsöveket hogyan tisztították régen? A por és a füst-kátrány csúnyán lerakódott a plexi és a képcső üvegteste között. Képcsőcserénél a leszívócsúcs megoldja a problémámat, de van egy olyan készülékem, amit erős dohányos embertől kaptam, és jó lenne kitakarítani. Anno úgy tanultam, hogy ezeket bőr kötényben, plexi álarcban szerelték a helyükre, és juj, meg jaj annak, aki hozzáér. Nekem sem bőrkötényem, sem plexiálarcom nincs. Bőrkesztyű még lenne is. Úgy terveztem, hogy ha jön a jobb idő, kinn a füvön letenném, és zsíroldós permettel szoktam bevonni, majd pár perc múlva a slaggal leöblítem a koszt. Vagy ez így szép, és örüljek, hogy van egy AT 550-em?
GABA J1433 kevés a fényerôszabályzás
Sziasztok! Javitottam 1 hete ezt a TV-t (30cm) amiben megfutott a táp (nagyon hasonlít a Galactic TV rajzára), minden jó lett, és most visszahozták, hogy sötét a kép. Tápfeszültségek jók B+ 115V RGB=200V akkor a képcsôn az RGB feszültségek változtathatók távirányítóval 200...140V , de a 140V is sok alig látszik valami, ha a screen potit föltekerem akkor pedig elmegy a fókusz nem olvashatóak a betûk. Ha az RGB-t leveszem 180V-ra akkor is 180...120V ig szabályozható.Tehát kb 60V-ot szabályoz. Képcsô jó, mert elôtte tökéletes éles képet adott. Amivel eddig próbálkoztam de nem hozoztt eredményt: uj eeprom tartalom, szerviz menuben fehér allitás. Kérdésem: Miért nem bírok szabályozni 0..200V-ig?
Fujitsu -Siemens Myrica 42-1Ah Plazma
Keresnék ehhez a gyöngyszemhez kijelző panelt. Samsung sdi42sd belső. Ha valaki tudna forrást. Esetleg komplett készülék is. A lényeg a kijelző.-
Loewe credo 758 ZP milyen sasszi? rajz?
Sziasztok! Vki netán? köszike :) Üdv: Pityesz
Similar manuals:
If you want to join us and get repairing help please sign in or sign up by completing a simple electrical test
or write your question to the Message board without registration.
You can write in English language into the forum (not only in Hungarian)!

E-Waste Reduce