Service manuals, schematics, eproms for electrical technicians

BLAUPUNKT 4GW646 1946 SCH

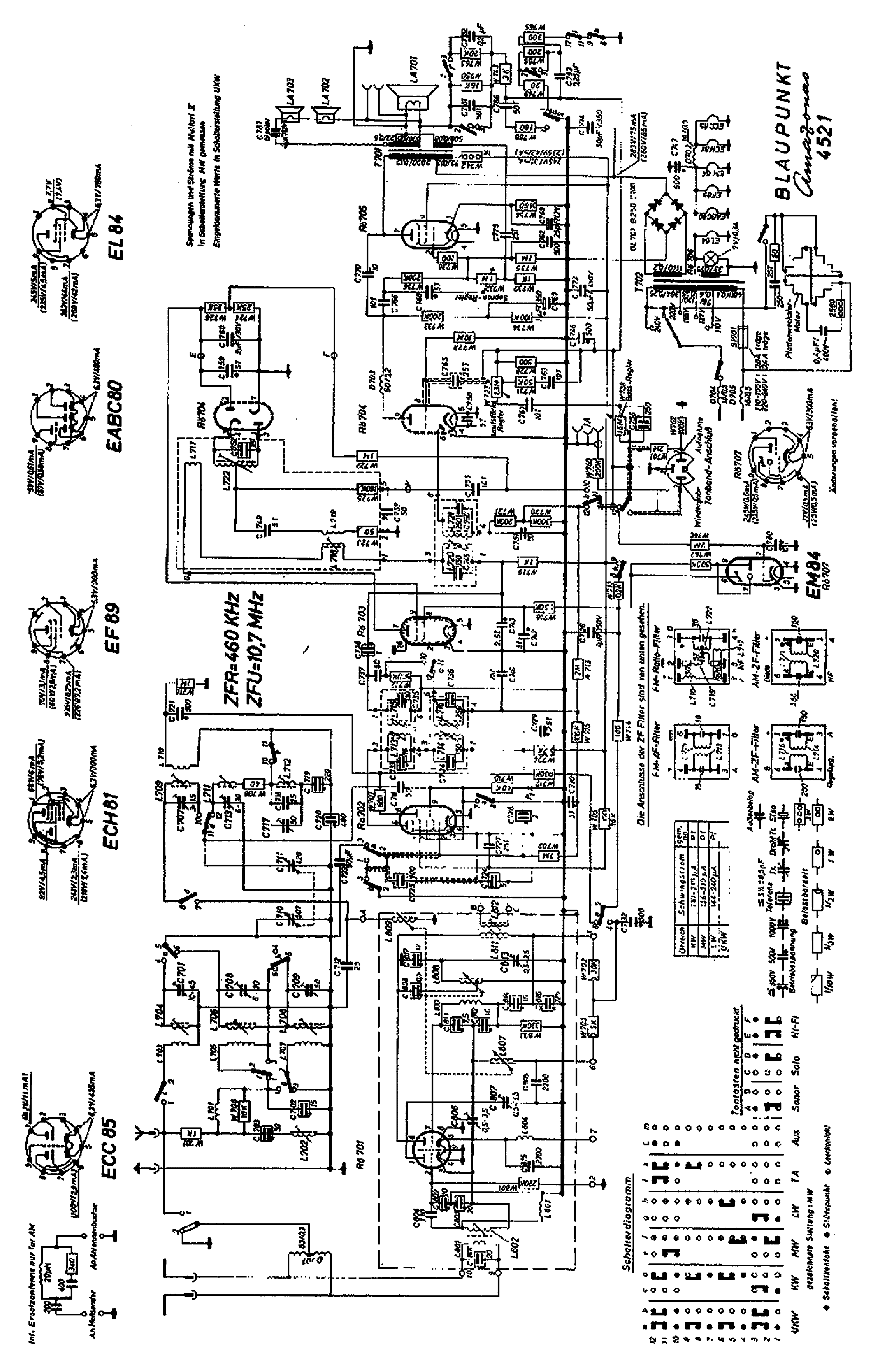
AUDIO - SERVICE MANUAL
Type: (PNG)
Size
78.3 KB
Page
---
Category
AUDIO
SERVICE MANUAL
If you get stuck in repairing a defective appliance download this repair information for help. See below.
Good luck to the repair!

Please do not offer the downloaded file for sell only use it for personal usage!

Looking for similar blaupunkt manual?
Document preview [1st page]
No preview item


No preview item for this file.

Possible causes:
  • No preview picture generated yet.
  • It is not a pdf file.
Advertisements
Please tick the box below to get download link:
  • Also known:
    BLAUPUNKT 4GW646 1946 GW 646
  • If you have any question about repairing write your question to the Message board. For this no need registration.
  • If the site has helped you and you also want to help others, please Upload a manual, circuit diagram or eeprom that is not yet available on the site.
    Have a nice Day!
  • See related repair forum topics below. May be help you to repair.
Warning!
If you are not familiar with electronics, do not attempt to repair!
You could suffer a fatal electrical shock! Instead, contact your nearest service center!

Note! To open downloaded files you need acrobat reader or similar pdf reader program. In addition, some files are archived,
so you need WinZip or WinRar to open that files. Also some files are djvu so you need djvu viewer to open them.
These free programs can be found on this page: needed progs
If you use opera you have to disable opera turbo function to download file!
If you cannot download this file, try it with CHROME or FIREFOX browser.
Translate this page:
Relevant AUDIO forum topics:
Blaupunkt MS30BT, nem szólnak a hangszórók teljes hangerőn sem, csak halk pattogás hallható!
Sziasztok!

Van egy Blaupunkt MS30BT mikro hifim amin egyáltalán nincs hang, csak nagyon halk pattogás, ahogy a hengerőt emelem eleinte még csak csak elindult, de most már semmi. (nem potis, optikai szabályzós)
Sajnos semilyen kapcsolási rajzot nem találok hozzá :( Én végfok hibára gyanakszom (MP7748), le is vettem a hűtőbordáját, de ahogy néztem magyarországon nem beszerezhető.
Abban szeretném kérni a segítségetek, hogy valóban végfok hiba lehet-e, esetleg helyettesítehtő-e ez az alkatrész, egy kompatibilis végfokkal? Esetleg tudnátok-e rajzot mellékelni?

Köszönöm!
Audi concert TT (Blaupunkt) hangerő nem szabályozható. Vadmalacka jóvoltából MEGOLDVA
Tiszteletem a Tanya autórádió szakértőinek! A címbeli készülék, a következő hibát produkálja, asztalon, és a járműben is: A hangerő enkóder első lépésére, a max. hangerőt produkálja, a következő lépésben már elhallgat, és ebből az állapotából, véletlenszerűen, a hangerő tekergetésére bármely irányban,-egy újra bekapcsolásra,-egy reset impulzusra,- visszajön, egy hallható szint. A készülék, a line out-t használja. A hangszín szabályozás, balansz, ugyanez forgatógombról, tökéletesen működik. A szabályzásokat, egy TDA7342 végzi, SDA-SCL hálózaton, az XC85556CFN (MC68HC05B32) mikrokontrollertől vezérelve. A készülék saját kijelzőjén, mind a hangszínszabályozás, mind a balansz állítás állapota megjelenik, a hangerőé, nem, hogy kell-e, azt nem tudom. Minden előremutató ötletet szívesen várok, mert mondanom sem kell, hogy grátisz munkáról van szó, családban marad. Válaszaitokat előre is köszönöm: exGelkás
Volswagen GAMMA Blaupunkt VWZ1Z3A bekapcsolás után villog az előlapvilágítás, nincs kijelzés
Sziasztok! EEPROM-ot cseréltem, ugyanaz a jelenség, EEPROM nélkül semmit sem csinál. Feszültség alá helyezéskor folyamatosan világít az előlap, mert be van kötve az ILL bemenete is, bekapcsolás után villogni kezd szabályosan, és nem reagál semmire. Van valami ötletetek rá? Üdv: Jácint
Blaupunkt
Üdvözlet mindenkinek! Hozzám került, egy autórádió : Blaupunkt nissan mid-line RH Műhelyrádiót szeretnénk belőle összehozni. A kivezetéseket beazonosítottuk,és a kódja is megvan!(Nagy szó) De tápot adva neki először a "WAIT"felirat jelenik meg,kb 1 perc múlva pedig a "secure"! és itt megáll! A neten turkálva olyat olvasni,hogy az immobilizer jelét várja,és annélkül nem indul! Ha esetleg valaki már találkozott ilyennel,adja isten meg is oldotta,akkor nagyon szivesen venném a tanácsait! Túl szép,és feltehetően jó rádió is hozzá,hogy a lomosládában végezze. Előre is köszönettel! Molnitron
Similar manuals:
If you want to join us and get repairing help please sign in or sign up by completing a simple electrical test
or write your question to the Message board without registration.
You can write in English language into the forum (not only in Hungarian)!

E-Waste Reduce