Service manuals, schematics, eproms for electrical technicians

BUSTER HBTV-3203HD HBTV-4203FD

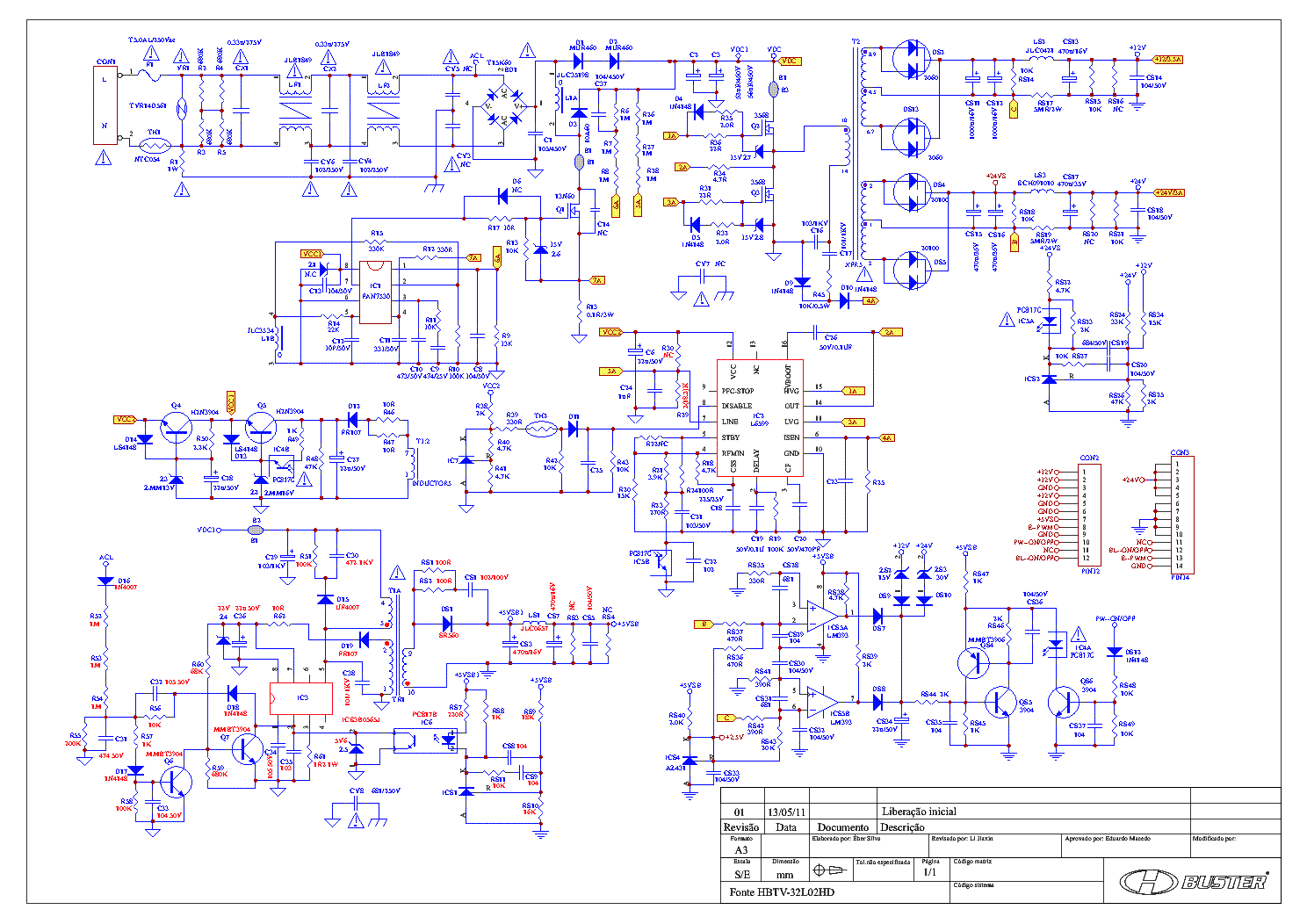
TV - SERVICE MANUAL
Type: (ZIP)
Size
1.4 MB
Page
---
Category
TV
SERVICE MANUAL
If you get stuck in repairing a defective appliance download this repair information for help. See below.
Good luck to the repair!

Please do not offer the downloaded file for sell only use it for personal usage!

Looking for similar buster manual?
Document preview [1st page]
No preview item


No preview item for this file.

Possible causes:
  • No preview picture generated yet.
  • It is not a pdf file.
Advertisements
Download free of charge (10 files / day):
Download is being processed. Please wait...
Download processing...
  • Also known:
    BUSTER HBTV3203HD HBTV4203FD HBTV 3203 HD 4203 FD 3203HD 4203FD
  • If you have any question about repairing write your question to the Message board. For this no need registration.
  • If the site has helped you and you also want to help others, please Upload a manual, circuit diagram or eeprom that is not yet available on the site.
    Have a nice Day!
  • See related repair forum topics below. May be help you to repair.
Warning!
If you are not familiar with electronics, do not attempt to repair!
You could suffer a fatal electrical shock! Instead, contact your nearest service center!

Note! To open downloaded files you need acrobat reader or similar pdf reader program. In addition, some files are archived,
so you need WinZip or WinRar to open that files. Also some files are djvu so you need djvu viewer to open them.
These free programs can be found on this page: needed progs
If you use opera you have to disable opera turbo function to download file!
If you cannot download this file, try it with CHROME or FIREFOX browser.
Translate this page:
Relevant TV forum topics:
SHARP LC-32D44E-GY lcd tv service menü kilépés hogyan? (megoldva)
Sziasztok! Ismét összehozott a sors egy ilyen készülékkel. Cső cserét követően szerviz menüben lámpa hibák törölve, működik is már rendesen... viszont nem tudok kilépni a szerviz menüből. Próbáltam "visszafelé", vagyis hang- és bemenet választó nyomva és kikapcs, de persze eredménytelenül. Valakinek tippje, hogy mit bénázok el? Már régebben is fejtörést okozott, viszont akkor valahogy véletlenül sikerült. http://elektrotanya.com/?q=hu/content/sharp-lc-32d44e-gy-lcd-tv-visszaall-keszenletre-megoldva Köszönettel: Kiss Z.
Karc eltávolitása a kijelzöről
Sziasztok! Hoztak egy lomis tvt karcos kijelzővel. Tvt megjavitottam, de a gazdája mondta hogy a kijelzővel is csináljak valamit mert ha ki van kapcsolva csúnya hogy karcolt, horzsolt. Olyan mintha az lcd felett lenne egy mü lap és az lenne a karcos. Kérdés: lehet vmit kezdeni vele? Üdv:atis76
ITT 29100T (29H11)
Sziasztok! Egy kis segítségre lenne szükségem a fent említett készülékkel kapcsolatban! A tv működik,hang van kép viszont csak 16:9 képarányban van. Amikor 4:3 arányba váltok a kép eltűnik és a képcső felső részén három vékony csík van.Olyanok mint a visszafutási csíkok, csak ezek piros,kék,zöld csíkok! Ha valakinek van ötlete,tippje, szívesen váron! Üdv!
Sony FE1 sasszé hang kétnormásítása
Üdv Mesterek! Adott ez a FE1 sasszé 5,5Mhz-es hanggal, de a tulajnak a kábelen 6,5Mhz hanggal jön az adás. Van egy 3körös parallelton panelom, ami kábelre nem olyan jó. Talán egyszerűbben is megoldható....
Similar manuals:
If you want to join us and get repairing help please sign in or sign up by completing a simple electrical test
or write your question to the Message board without registration.
You can write in English language into the forum (not only in Hungarian)!

E-Waste Reduce