Service manuals, schematics, eproms for electrical technicians

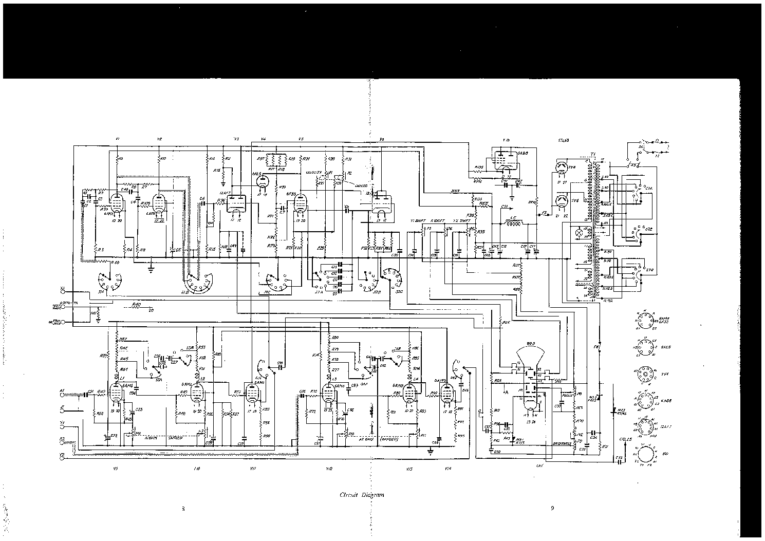
COSSOR 1049 MK.II. 1V-DIV 100KHZ DOUBLE BEAM OSCILLOSCOPE CA.1956 SM

METER - SERVICE MANUAL
Type: (ZIP)
Size
1.4 MB
Page
---
Category
METER
SERVICE MANUAL
If you get stuck in repairing a defective appliance download this repair information for help. See below.
Good luck to the repair!

Please do not offer the downloaded file for sell only use it for personal usage!

Looking for similar cossor manual?
Document preview [1st page]
No preview item


No preview item for this file.

Possible causes:
  • No preview picture generated yet.
  • It is not a pdf file.
Advertisements
Download free of charge (10 files / day):
Download is being processed. Please wait...
Download processing...
  • Also known:
    COSSOR DOUBLE BEAM CA.-1956 1049 MK.II. 1VDIV 100KHZ CA.1956 VDIV 100 KHZ CA. 1956 1V DIV 1V-DIV
  • If you have any question about repairing write your question to the Message board. For this no need registration.
  • If the site has helped you and you also want to help others, please Upload a manual, circuit diagram or eeprom that is not yet available on the site.
    Have a nice Day!
  • See related repair forum topics below. May be help you to repair.
Warning!
If you are not familiar with electronics, do not attempt to repair!
You could suffer a fatal electrical shock! Instead, contact your nearest service center!

Note! To open downloaded files you need acrobat reader or similar pdf reader program. In addition, some files are archived,
so you need WinZip or WinRar to open that files. Also some files are djvu so you need djvu viewer to open them.
These free programs can be found on this page: needed progs
If you use opera you have to disable opera turbo function to download file!
If you cannot download this file, try it with CHROME or FIREFOX browser.
Translate this page:
Relevant METER forum topics:
Trapéz kimenetű inverterről digitális mérőműszert meg lehet-e hajtani ?
Helló ! Az lenne a problémám, hogy le kellene tesztelnem egy digitális oszcilloszkópot (csak annyira, hogy megy-nem megy, illetve, hogy a négyszöggenerátora működik-e), de ahol tesztelném, ott csak az autó akkumulátora van. Nincs sehol a környéken 230V. Kaptam kölcsönbe egy kis 100W-os szivargyújtós invertert, erről tesztelném a szkópot. A teljesítménye bőven elég egy ilyen próbához, nem is tervezem 10 percnél tovább nyúzni. Kérdésem: nem fog-e problémát okozni a digitális oszcilloszkóp működésében az, hogy az inverter kimeneti feszültsége trapéz alakú (ún. módosított szinusz) ? Nem a tranziensekre gondolok, hanem arra, hogy a szkóp szünetmentes tápja rendesen fog-e működni, pont úgy fogja-e adni a villanyokat (és annyit is), amennyi a szkóp belső elektronikájának kell ? Nem fog-e szétdurranni a szkóp tápegysége ? Elvégre meg fog változni a kitöltési tényező, meg az alaktényező az eredeti szinuszhoz képest. A szkópban kapcsolóüzemű táp van és ez minden, amit tudni lehet róla. Mégegyszer: digitális szkópról + az ő kapcsolóüzemű tápjáról van szó ! És egy trapéz inverterről. Ja, a szkóp max. 18W-ot fogyaszt, de a szünetmentes tápja esetleg a bekapcsoláskor csinálhat egy áramlökést. A kérdéseket azért tettem fel, mert sosem próbáltam még ilyet, a gépet tutira nem akarom tönkretenni és inverterekben egyáltalán nem vagyok büfé. Köszi a válaszokat.
A 2д202р /2D202R/ (orosz) diódát mivel helyettesítsem? (Megoldva)
Sziasztok! Vettem a Vaterán egy C1-91 -es szkópot, és a 220V-ot két párhuzamos graetz egyenirányítja benne. Az egyik átütött. Ismeri valaki ezt a diódát? Előre is köszönöm. üdv. Tropfehérke Kaptam az Elektrofoknál 4db VS-6FL6 diódát (450Ft/db.) 600V6A, és a furat is azonos.
RFT VAJ-100 Katonai sugárzás mérő
Helló mindenki! Keresek egy eredeti az RFT VAJ-100 Katonai sugárzás mérővel csomagolt német műszekönyvet, amiben benne van a rajza. A csatolt magyar fordítás az meg van, de abból kihagyták pont a rajzot! Nagyon kell, mert kiváló a készülék minőségi kialakítása de sajnos nem muzsikál!
EMG 1569 oszcilloszkóp
Segítségeteket szeretném kérni, hogy üzemszerű állapotban milyenek az áramok a 4 tápfeszen.U1=+85V I1=?; U2=+15V I2=? ;U3=-15V I3=? ;U4=-45V I4=?. Segítséget előre is köszönöm:glaci52
Similar manuals:
If you want to join us and get repairing help please sign in or sign up by completing a simple electrical test
or write your question to the Message board without registration.
You can write in English language into the forum (not only in Hungarian)!

E-Waste Reduce