Service manuals, schematics, eproms for electrical technicians

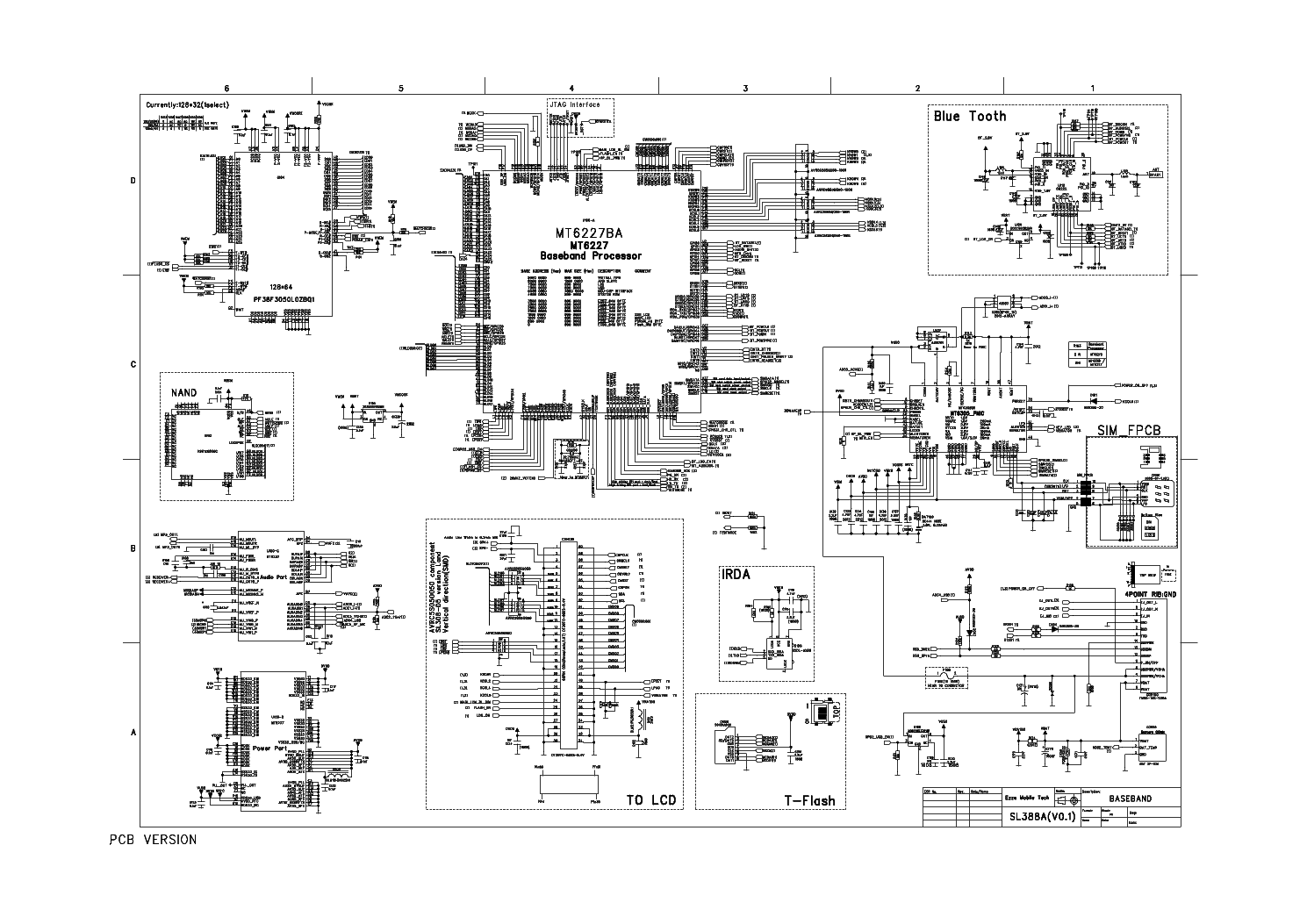
FLY BIRD 2051PC SCH

MOBILTELEFON - SERVICE MANUAL
Type: (RAR)
Size
817.2 KB
Page
---
Category
MOBILTELEFON
SERVICE MANUAL
If you get stuck in repairing a defective appliance download this repair information for help. See below.
Good luck to the repair!

Please do not offer the downloaded file for sell only use it for personal usage!

Looking for similar fly manual?
Document preview [1st page]
No preview item


No preview item for this file.

Possible causes:
  • No preview picture generated yet.
  • It is not a pdf file.
Advertisements
Download free of charge (10 files / day):
Download is being processed. Please wait...
Download processing...
  • Also known:
    FLY BIRD 2051PC 2051 PC
  • If you have any question about repairing write your question to the Message board. For this no need registration.
  • If the site has helped you and you also want to help others, please Upload a manual, circuit diagram or eeprom that is not yet available on the site.
    Have a nice Day!
  • See related repair forum topics below. May be help you to repair.
Warning!
If you are not familiar with electronics, do not attempt to repair!
You could suffer a fatal electrical shock! Instead, contact your nearest service center!

Note! To open downloaded files you need acrobat reader or similar pdf reader program. In addition, some files are archived,
so you need WinZip or WinRar to open that files. Also some files are djvu so you need djvu viewer to open them.
These free programs can be found on this page: needed progs
If you use opera you have to disable opera turbo function to download file!
If you cannot download this file, try it with CHROME or FIREFOX browser.
Translate this page:
Relevant MOBILTELEFON forum topics:
Flying F996 telefon (+TV) 5pin USB - 12pin mini USB kábel bekötése?
Sziasztok! A címben szereplő típusú telefonhoz tartozó 5pin USB - 12pin mini USB kábel mini USB kábelfeje leszakadt. Ez a kábel használatos az akkutöltőjéhez is. Négy láb volt bekötve: 1,7,8,9, vagy 4,5,6,12, (attól függően, hogy melyik szélén van az 1-es), és ennek megfelelően négy vezeték van a kábelben: fekete, piros, zöld, fehér. Feltételezem, hogy a fekete a GND, a piros a +5V, a zöld és a fehér pedig adatvezetékek. Melyiket hova kössem vissza, hogy legalább az akku töltése működjön? Arról semmit nem találtam a neten, hogy melyik vezetéket melyik lábra kell kötni, pedig valószínűleg létezik erre szabvány, hiszen ez a kábel más célokra (egyéb eszközök összekötésére) is felhasználható. Vagy esetleg a telefon gyártója által kitalált egyedi bekötés érvényes? Kísérletezni nem szeretnék, mert a telefont tönkre tehetem ezzel. A csatlakozó egyik lába sincs közvetlen galvanikus kapcsolatban a készülék GND-vel. Az is segítség lenne, ha valaki meg tudná mondani, hogy hol lehet hazánkban ilyen kábelt beszerezni. Hozzáértők segítségét kérném a probléma megoldásában! A csatlakozó aljzatról csatoltam képeket: http://elektrotanya.com/?q=hu/content/flying-f996-telefon-tv-5pin-usb-12pin-mini-usb-kabel-bekoetese#318940 Üdv: Fülesmester
Similar manuals:
If you want to join us and get repairing help please sign in or sign up by completing a simple electrical test
or write your question to the Message board without registration.
You can write in English language into the forum (not only in Hungarian)!

E-Waste Reduce