Service manuals, schematics, eproms for electrical technicians

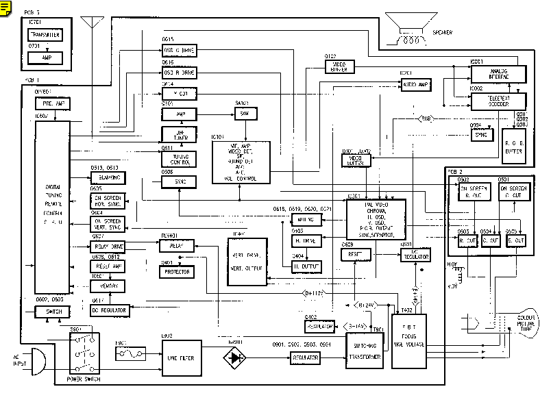
GOODMANS 255NS,255NS,285NS,285NS CHASSIS CP-775.

TV - SERVICE MANUAL
Type: (DJVU)
Size
2.3 MB
Page
83
Category
TV
SERVICE MANUAL
If you get stuck in repairing a defective appliance download this repair information for help. See below.
Good luck to the repair!

Please do not offer the downloaded file for sell only use it for personal usage!

Looking for similar goodmans manual?
Document preview [1st page]
No preview item


No preview item for this file.

Possible causes:
  • No preview picture generated yet.
  • It is not a pdf file.
Advertisements
Download free of charge (10 files / day):
Download is being processed. Please wait...
Download processing...
  • Also known:
    GOODMANS CHASSIS CP-775. 255NS 285NS CP775. 255 NS 285 CP 775 775.
  • If you have any question about repairing write your question to the Message board. For this no need registration.
  • If the site has helped you and you also want to help others, please Upload a manual, circuit diagram or eeprom that is not yet available on the site.
    Have a nice Day!
  • See related repair forum topics below. May be help you to repair.
Warning!
If you are not familiar with electronics, do not attempt to repair!
You could suffer a fatal electrical shock! Instead, contact your nearest service center!

Note! To open downloaded files you need acrobat reader or similar pdf reader program. In addition, some files are archived,
so you need WinZip or WinRar to open that files. Also some files are djvu so you need djvu viewer to open them.
These free programs can be found on this page: needed progs
If you use opera you have to disable opera turbo function to download file!
If you cannot download this file, try it with CHROME or FIREFOX browser.
Translate this page:
Relevant TV forum topics:
Goodmans LD1570FVT LCD tv ( Westel 17MB18-5 chassis)
Sziasztok A fenti tv-hez keresek eprom tartalmat. Köszönöm Üdv
Goodmans 11AK30 14
Sziasztok A nevezett készülék egy kombó (DVD-TV) kérdésem mindössze az lenne. Elképzelhető-e, hogy a s.menüben átállítható a menü nyelv. A felhasználóiban nem szerepel. Köszönöm.
Goodmans GD2580 TX92 chassis nem indul
Üdvözlet! A tv bekapcsoláskor megpróbál elindulni, majd stand by állapotba kerül, a taszton a P+ megnyomásakor ismét megpróbál bekapcsolni, egy pillanatra nagyfesz is lesz a led kicsit behalványodik, majd visszaáll megint stand by állapotba. A tápegységben a stand by feszültségek rendben vannak, a sort lekötve a tápot izzóval terhelve sem hajlandó bekapcsolni. Jól jönne egy kis segítség merre induljak tovább.
Similar manuals:
If you want to join us and get repairing help please sign in or sign up by completing a simple electrical test
or write your question to the Message board without registration.
You can write in English language into the forum (not only in Hungarian)!

E-Waste Reduce