Service manuals, schematics, eproms for electrical technicians

GRUNDING VISION 20 LCD 51-8510 TOP

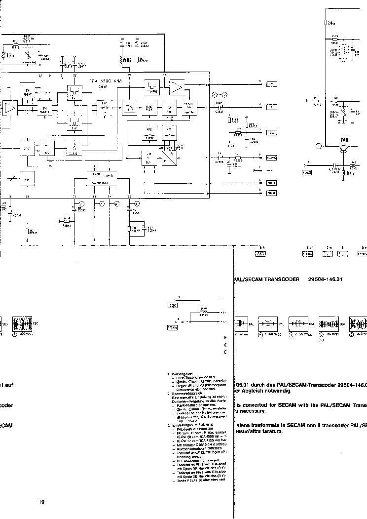
TV - SERVICE MANUAL
Type: (RAR)
Size
5.5 MB
Page
---
Category
TV
SERVICE MANUAL
If you get stuck in repairing a defective appliance download this repair information for help. See below.
Good luck to the repair!

Please do not offer the downloaded file for sell only use it for personal usage!

Looking for similar grunding manual?
Document preview [1st page]
No preview item


No preview item for this file.

Possible causes:
  • No preview picture generated yet.
  • It is not a pdf file.
Advertisements
Download free of charge (10 files / day):
Download is being processed. Please wait...
Download processing...
  • Also known:
    GRUNDING VISION 20 LCD 518510 TOP 51 8510 51-8510
  • If you have any question about repairing write your question to the Message board. For this no need registration.
  • If the site has helped you and you also want to help others, please Upload a manual, circuit diagram or eeprom that is not yet available on the site.
    Have a nice Day!
  • See related repair forum topics below. May be help you to repair.
Warning!
If you are not familiar with electronics, do not attempt to repair!
You could suffer a fatal electrical shock! Instead, contact your nearest service center!

Note! To open downloaded files you need acrobat reader or similar pdf reader program. In addition, some files are archived,
so you need WinZip or WinRar to open that files. Also some files are djvu so you need djvu viewer to open them.
These free programs can be found on this page: needed progs
If you use opera you have to disable opera turbo function to download file!
If you cannot download this file, try it with CHROME or FIREFOX browser.
Translate this page:
Relevant TV forum topics:
grunding CUC2030N
A fent emlitett készülék szivat már 2 napja. Halott volt a táp egyáltalán nem indult még standby sem volt, miután kicseréltem a tda 4605-3 ic a buz90 tranyot ilettve a 60011 jelzésü 100 mikros elkót ilettve a 60037 jelzésóü 1 mikros kondit meg nehány blokk kondit a tába. Most anyival jutottam elöbre hogy standby van de a tv ne startol.A sovegtranyot is átnéztem az is jo. Van e valakinek valamijen ötlete segitség jól jönne.
Grunding cuc 2030N
A fent emlitett készülék szivat . Halott volt a táp egyáltalán nem indult még standby sem volt, miután kicseréltem a tda 4605-3 ic a buz90 tranyot ilettve a 60011 jelzésü 100 mikros elkót ilettve a 60037 jelzésóü 1 mikros kondit meg nehány blokk kondit a tába. Most anyival jutottam elöbre hogy standby van ,de nem startol. A B+ 125V, a +E 8v hiányzik és +F5V az is hiányzik mindossze 1,2 voltot mérek a ct61043 és a ct61053 tranyók mérve jonak bizonyulnak. AZ LM317 bemeneti feszei megvannak.Azlm317 cserélve. Segitsetek elöre is köszönöm.
Grunding st63-702
Üdv mindenkinek . Cuc 2130 ,táp javítás után (ic , fet egy pár kondenzátor ) a raszter kifehéredve vissza futási csíkokkal alul felül beszűkülve (mint ha 16x9 be volna ) a g2 vissza véve éltűnek a csíkok látszik a tuner zaj , de nincs kép , osd ,és nem reagál az előlap gombokra se távra. Valami ötlet? esetleg szokott ezekben a proci elszállni vagy inkább eeprom hiba nincs smd24c08 azt nem tudtam lepróbálni , mert az sm szerint üressel is kelleni indulnia .
Grunding CUC6331 eszi a TEA5101-et
Üdv mindenkinek , idegbajt kapok ettől a dögtől ugyan is két három naponta meg eszi a TEA5101B-et . Simán zárlatos lesz a +200v felé és elég a védő ellenállása. A +200 szűrése rendbe , a tápok jók . Már gondoltam , hogy rosszak az új ic-ék , vagy a képcső "lök" vissza az ic felé és próbára ki is cseréltem (A68esf) meg raktam bontott ic-ét és bírta is egy hétig , azt megint itt van.
Similar manuals:
If you want to join us and get repairing help please sign in or sign up by completing a simple electrical test
or write your question to the Message board without registration.
You can write in English language into the forum (not only in Hungarian)!

E-Waste Reduce