Service manuals, schematics, eproms for electrical technicians

HDSL HD-6600 HD-2007 HD8622 TRANSFORMER

TELEPHONE - SERVICE MANUAL
Type: (PDF)
Size
126.0 KB
Page
3
Category
TELEPHONE
SERVICE MANUAL
If you get stuck in repairing a defective appliance download this repair information for help. See below.
Good luck to the repair!

Please do not offer the downloaded file for sell only use it for personal usage!

Looking for similar hdsl manual?
Advertisements
Document preview [1st page]
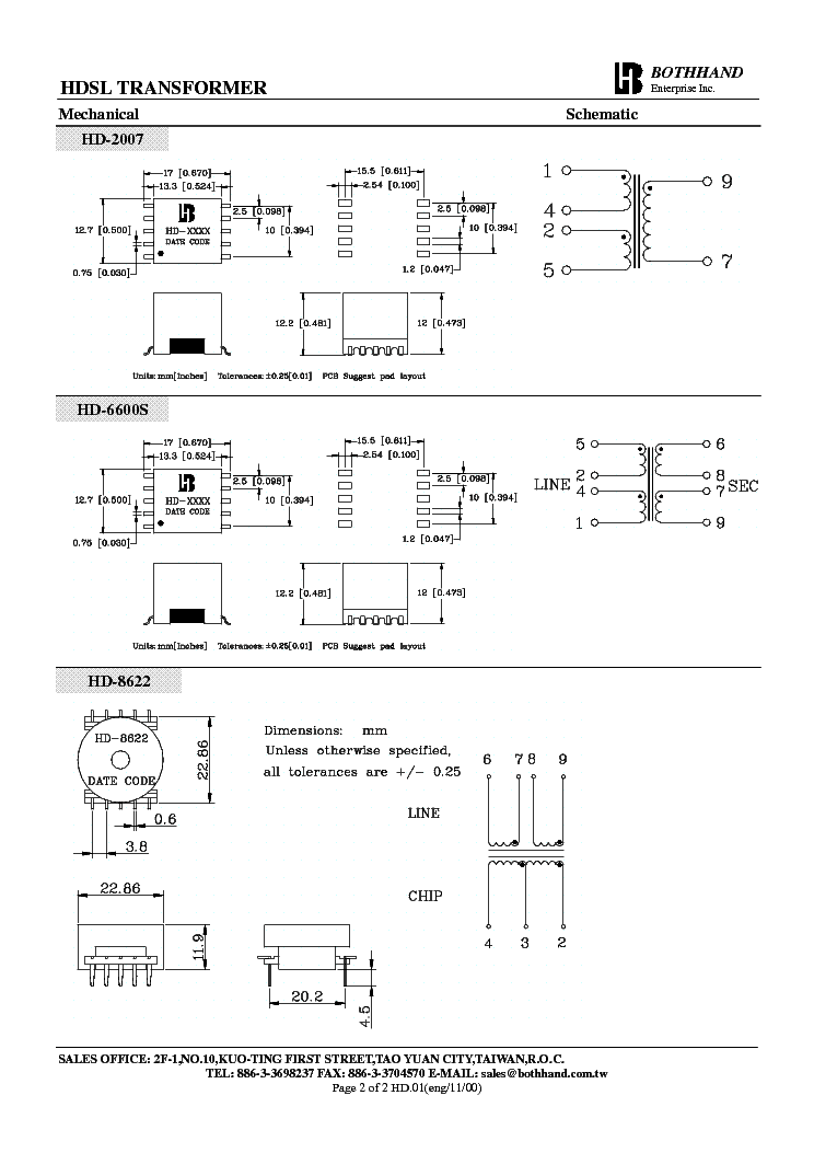
HDSL HD-6600 HD-2007 HD8622 TRANSFORMER service manual (1st page)
Preview of HDSL HD-6600 HD-2007 HD8622 TRANSFORMER [1st page]
Click on the link for free download!
Document preview [2nd page]
HDSL HD-6600 HD-2007 HD8622 TRANSFORMER service manual (2nd page)
Preview of HDSL HD-6600 HD-2007 HD8622 TRANSFORMER [2nd page]
Click on the link for free download!
Advertisements
Please tick the box below to get download link:
  • Also known:
    HDSL HD-6600 HD6600 HD2007 HD8622 HD 6600 2007 8622 HD-2007
  • If you have any question about repairing write your question to the Message board. For this no need registration.
  • If the site has helped you and you also want to help others, please Upload a manual, circuit diagram or eeprom that is not yet available on the site.
    Have a nice Day!
  • See related repair forum topics below. May be help you to repair.
Warning!
If you are not familiar with electronics, do not attempt to repair!
You could suffer a fatal electrical shock! Instead, contact your nearest service center!

Note! To open downloaded files you need acrobat reader or similar pdf reader program. In addition, some files are archived,
so you need WinZip or WinRar to open that files. Also some files are djvu so you need djvu viewer to open them.
These free programs can be found on this page: needed progs
If you use opera you have to disable opera turbo function to download file!
If you cannot download this file, try it with CHROME or FIREFOX browser.
Translate this page:
Relevant TELEPHONE forum topics:
Samsung Galaxy Ace II-re milyen navigációt
Helló! IGO8 vagy Primo? Mi fut rajta jól? Üdv.: Ízirájder
Nokia 6303 hogyan lehet kimenteni a telefonszámokat a memória kártyára?
Szevasztok Nagyon pipa vagyok,ma ráejtettem a kalapácsot a telefonra,persze a kijelzőnek kampec,hiába tokba volt,na most az lenne a kérdésem hogyan lehet kimenteni a telefonszámokat a memó kártyára,mert van egy másik telefonom is de abba nem fér bele a öszes telefonszám.
Samsung GT S5222 elfelejtett képernyő zár feloldása
Sziasztok!
A címbeli telót hogyan lehet feloldani, ha elfelejtették a képernyő zár kódot? Bekapcsolás után csak a számbillentyűt írja ki. 4 jegyű számkódot vár a telefon. Az sem baj, ha gyári visszaállítással csak működjön.
(10000 lehetőség, nem akarom végig próbálni ☹️)
Köszi.
Igo promo TRUCK apk-t keresnék jól működőt, Android 6-ra
Üdv!

Keresnék egy ilyen progit, meg full EU adatbázist hozzá. 
Kösz
If you want to join us and get repairing help please sign in or sign up by completing a simple electrical test
or write your question to the Message board without registration.
You can write in English language into the forum (not only in Hungarian)!

E-Waste Reduce