Service manuals, schematics, eproms for electrical technicians

HEATHKIT PKW101 10-1 30MHZ OSCILLOSCOPE PROBE MEROFEJ SM

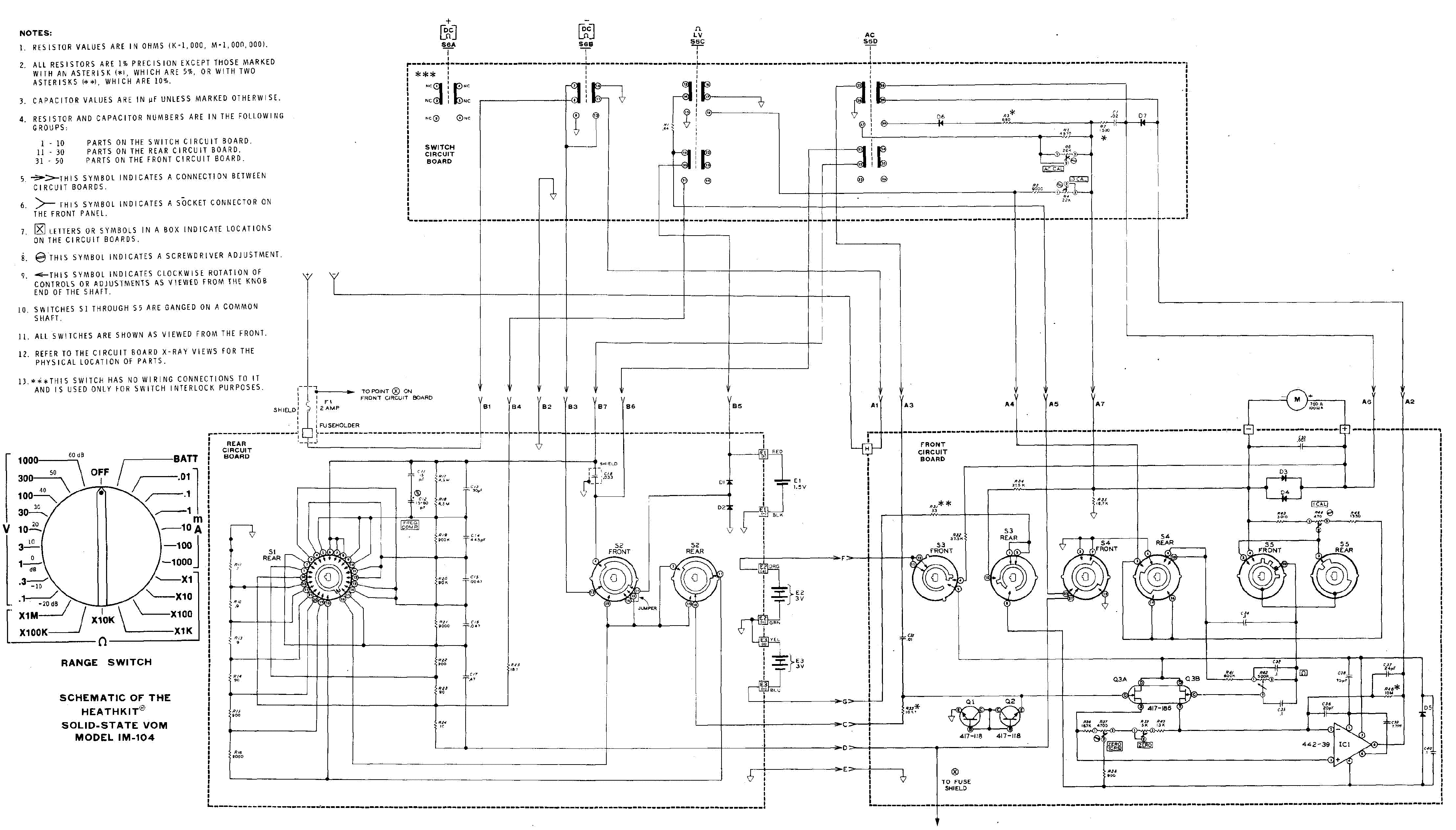
METER - SERVICE MANUAL
Type: (ZIP)
Size
130.9 KB
Page
---
Category
METER
SERVICE MANUAL
If you get stuck in repairing a defective appliance download this repair information for help. See below.
Good luck to the repair!

Please do not offer the downloaded file for sell only use it for personal usage!

Looking for similar heathkit manual?
Document preview [1st page]
No preview item


No preview item for this file.

Possible causes:
  • No preview picture generated yet.
  • It is not a pdf file.
Advertisements
Download free of charge (10 files / day):
Download is being processed. Please wait...
Download processing...
  • Also known:
    HEATHKIT PKW-101 PROBE MEROFEJ PKW101 101 30MHZ PKW 30 MHZ 10 10-1
  • If you have any question about repairing write your question to the Message board. For this no need registration.
  • If the site has helped you and you also want to help others, please Upload a manual, circuit diagram or eeprom that is not yet available on the site.
    Have a nice Day!
  • See related repair forum topics below. May be help you to repair.
Warning!
If you are not familiar with electronics, do not attempt to repair!
You could suffer a fatal electrical shock! Instead, contact your nearest service center!

Note! To open downloaded files you need acrobat reader or similar pdf reader program. In addition, some files are archived,
so you need WinZip or WinRar to open that files. Also some files are djvu so you need djvu viewer to open them.
These free programs can be found on this page: needed progs
If you use opera you have to disable opera turbo function to download file!
If you cannot download this file, try it with CHROME or FIREFOX browser.
Translate this page:
Relevant METER forum topics:
HEATHKIT IM-5258 harmonikus torzításmérő használati segítség
Üdv!
Évekkel ezelőtt vettem a használtpiacon ezt a műszert elektroncsöves erősítők beméréséhez.
A youtuben láttam egy oktatófilmecskét, ami nem igazán segített, valamint a neten használati segédletet sem találtam.
Ha valaki ismeri, használt ilyent, megköszönném a használatával kapcsolatos segítségét.
Similar manuals:
If you want to join us and get repairing help please sign in or sign up by completing a simple electrical test
or write your question to the Message board without registration.
You can write in English language into the forum (not only in Hungarian)!

E-Waste Reduce