Service manuals, schematics, eproms for electrical technicians

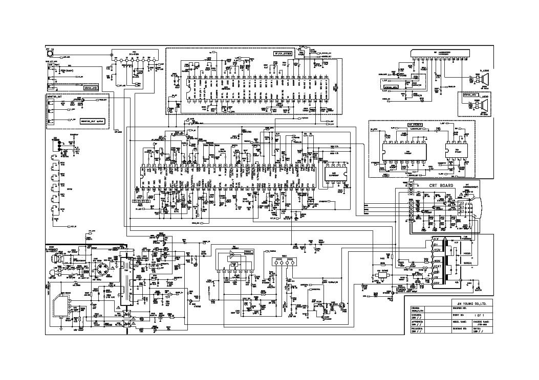
HITACHI CP-L850W E

TV - SERVICE MANUAL
Type: (PDF)
Size
1.9 MB
Page
55
Category
TV
SERVICE MANUAL
If you get stuck in repairing a defective appliance download this repair information for help. See below.
Good luck to the repair!

Please do not offer the downloaded file for sell only use it for personal usage!

Looking for similar hitachi manual?
Advertisements
Document preview [1st page]
HITACHI CP-L850W E service manual (1st page)
Preview of HITACHI CP-L850W E [1st page]
Click on the link for free download!
Document preview [2nd page]
HITACHI CP-L850W E service manual (2nd page)
Preview of HITACHI CP-L850W E [2nd page]
Click on the link for free download!
Advertisements
Download free of charge (10 files / day):
Download is being processed. Please wait...
Download processing...
  • Also known:
    HITACHI CPL-850W CPL850W CPL 850 CP L850W CP-L850W
  • If you have any question about repairing write your question to the Message board. For this no need registration.
  • If the site has helped you and you also want to help others, please Upload a manual, circuit diagram or eeprom that is not yet available on the site.
    Have a nice Day!
  • See related repair forum topics below. May be help you to repair.
Warning!
If you are not familiar with electronics, do not attempt to repair!
You could suffer a fatal electrical shock! Instead, contact your nearest service center!

Note! To open downloaded files you need acrobat reader or similar pdf reader program. In addition, some files are archived,
so you need WinZip or WinRar to open that files. Also some files are djvu so you need djvu viewer to open them.
These free programs can be found on this page: needed progs
If you use opera you have to disable opera turbo function to download file!
If you cannot download this file, try it with CHROME or FIREFOX browser.
Translate this page:
Relevant TV forum topics:
hitachi c21-rf80s Gyerekzár levétele.
Szevasztok Van egy ilyen tv,aminek nincs meg a távja,és gyerekzár van rajta,nemtudom lehetséges e táv nélkül levenni róla a gyerekzárat,egy univerzális van hozzá,de nem csinál vele minden funkciót.
Hitachi c22067ms
HI.
May I get the service manual of chassis MCL 437f   & Model c2076ms Hitachi TV & flyback number as well.

Válaszd ki a megfelelő fórumot, majd adj neki címet és írd be a kérdésed.
A téma címe tartalmazza a hibás eszköz márkáját és típusát. Szintén tartalmazza röviden a problémát.
pl: ACER AL1711 monitor képernyője 5 másodperc után kikapcsol

A helytelenül elnevezett topik felfüggesztésre, majd 48 óra után törlésre kerül! Felfüggesztett állapotban nem tudnak mások addig hozzászólni, amíg ki nem javítod a címet!
A hibás cím utólagos javítása (48 órán belül) a "Szerkesztés" fülre kattintva végezhető el.

Hitachi CMT2141 Chassis:G7PN,AV-n szalad a kép MEGOLDVA!!
Üdvözlet mindenkinek A címben említett készülék a következő hibát produkálja,ha AV bemenetre adok jelet a kép fentről lefelé halad kb.másodpercenként 2-szer az OSD jó,tuner-en tökéletes a kép és hang is rendben van.Találkozott már valaki ezzel a hibával?Előre is köszönöm. Üdv:Mitu
Hitachi 32HXC01 led tv vestel 17IPS19-5 belső , háttérvilágítás hiba
Sziasztok
A fenti Tv nek elment a háttérvilágítása
A hibát két hibás led okozza.
Azt szeretném kérdezni, hogy milyen LED való bele?
Nincs e vvalakinek elfekvoben pár db, vagy hogy kis hazánkban hol lehet beszerezni?
Biztosan lehet Kínából is de azt nem szeretném kivárni
Köszönöm szépen mindenkinek a segítséget
Üdv
Miklos2peter
Similar manuals:
If you want to join us and get repairing help please sign in or sign up by completing a simple electrical test
or write your question to the Message board without registration.
You can write in English language into the forum (not only in Hungarian)!

E-Waste Reduce