Service manuals, schematics, eproms for electrical technicians

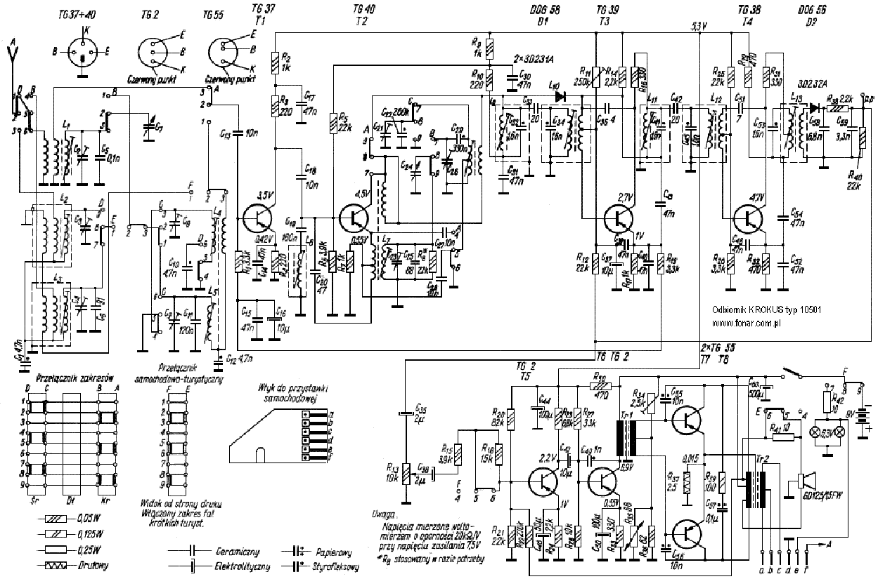
KROKUS 10501

AUDIO - SERVICE MANUAL
Type: (PDF)
Size
96.7 KB
Page
1
Category
AUDIO
SERVICE MANUAL
If you get stuck in repairing a defective appliance download this repair information for help. See below.
Good luck to the repair!

Please do not offer the downloaded file for sell only use it for personal usage!

Looking for similar krokus manual?
Document preview [1st page]
KROKUS 10501 service manual (1st page)
Preview of KROKUS 10501 [1st page]
Click on the link for free download!
Advertisements
Download free of charge (10 files / day):
Download is being processed. Please wait...
Download processing...
  • Also known:
    KROKUS 10501
  • If you have any question about repairing write your question to the Message board. For this no need registration.
  • If the site has helped you and you also want to help others, please Upload a manual, circuit diagram or eeprom that is not yet available on the site.
    Have a nice Day!
  • See related repair forum topics below. May be help you to repair.
Warning!
If you are not familiar with electronics, do not attempt to repair!
You could suffer a fatal electrical shock! Instead, contact your nearest service center!

Note! To open downloaded files you need acrobat reader or similar pdf reader program. In addition, some files are archived,
so you need WinZip or WinRar to open that files. Also some files are djvu so you need djvu viewer to open them.
These free programs can be found on this page: needed progs
If you use opera you have to disable opera turbo function to download file!
If you cannot download this file, try it with CHROME or FIREFOX browser.
Translate this page:
Relevant AUDIO forum topics:
2sc2291/2sc2259
sziasztok keresek egy pioneer a80-erösitőben ssc2291/2sc2259 müveleti erösitőt vagy ha nem tud valaki valami helyetesitöt mert már nem lehet beszerezni
BERINGER PMH1000 KEVERŐERŐSÍTŐ TÁPEGYSÉG [F]
Segítséget érnék tapasztalt impulzus üzemű tápegység javítással kapcsolatban . Adott egy 400W-os táp a fenti készülékben.A kapcsirajz fent van a tárban, . A táp felrobbant egy picit zenélés közben. Cserélve lett 2 db SPW17N80c3 Fet, segéd tápban TOP122P Ic, annak a D11 soros betáp diódája 1N4007 re, annak a 4,7uF/450 V-os kondija ami pupos volt A primer táp negatívjában 4db 0,047 ohm 1W-os 2db sorba-2db párhuzamosan / figyelő ellenállás / amit az UC3854Bn Driver Ic figyel/ ezek elpárologtak szétrobbantak,pótoltam huzal ellenállással,mivel nem kapható kereskedelmi forgalomban az ellenállás,kivéve,ha megrendelek 5000 db-ot. Javítás után indulás 100w-os izzóval sorbakötve,rendesen elindul, kimeneti táp ,ami a végfokhoz megy +- 19V a +-50-50 volthoz képest rendben megvolt,mivel csak fél amperral hajtottam. Izzót kivettem , a táp elindult, rendben megvolt minden feszültség de kattogott a táp, semmi nem melegedett. kikapcsoltam , rámértem az alkatrészekre és a segéd táp D11-soros betáp diódája újra zárlatos lett. A segéd táp IC-je állítja elő az UC3854Bn 12,5V-os tápját.gondoltam rossz az UC3854Bn ,Fet nékül , szkóppal mértem az UC3854BN kimenetét és 154Khz frekin dolgozik az IC és ha a visszacsatoló optocsatoló kimenetén változtatom a visszacsatoló bementét, / imitáltam a segéd tápfeszeket külső tápokka / nem akar az UC3854 kimenetén a kitöltési tényező,vagyis a nyitvatartási idő változni csak,ha a megfigyelt figyelt 50V-os táp pontosan 50V-ra feltekertem,akkor azon a határon 50,1V-nál leáll az UC3854Bn kimenete,de nincs impulzus szélesség változás, de amikor a határon van ,akkor a freki lemegy 30-40 Khz re. Nem merem betenni az új FET-eket,mert mindig a két párhuzamosan kapcsolt FET-ek közül mindig csak a T1 Fetet teszi zárlatossá. Hogyan próbáljam meg beállítani,hogy jó legyen ? Előre is köszönöm segítségeteket ! Már többen kérték, hogy javítsd ki a címet, mert ez nagyon trehány! A moderátor figyelmeztetését negligálni rossz ómen! 10 nap pihenő, hogy fel tudd dolgozni az információt!
Numark TT 1650
Üdv! Van két Numark TT 1650 direkt hajtásos bakelitem, az egyikkel kb. egy hete olyan fordult elő, hogy mikor megfogtam a lemezt, esetleg úgy hogy a tányért is, megállt, és elkezdett oda-vissza rángatózni a motor. Szerintetek mi lehet a gond? Úgy tudom ezeknek a sebesség-szabályzós dj bakeliteknek a motorját egy kristály vezérli. Kapcsirajzot nem találtam, szétbontani még nem bontottam. Aki ért ezekhez, vagy valakinek van ötlete kérem ossza meg. Köszi:)
Panasonic SA-PMX4 hifi néha kikapcsol
hi. a fenti hifi bekapcs után müxik rendesen majd egyszercsak- változó időben- (5perc,10perc, fél óra) kikapcsol stby-ba. rádióról és cd-ről is kikapcsol, tehát gondolom USB-ről üzemmódról is kikapcsol. néha vissza lehet kapcsolni,de van amikor nem és azt sem lehet tudni mennyi ideig megy. a tetejét levéve a tápban nem látok puffadt kondikat-persze attól lehetnek száradósak---holnap kicserélem őket. ma nemigen lesz időm tovább bontani.. kerestem rajzot de itt a tanyán csak a pmx3 rajz van meg-remélem hasonló... találkozott már valaki a fentebb leirt hibával??? üdv: egon
If you want to join us and get repairing help please sign in or sign up by completing a simple electrical test
or write your question to the Message board without registration.
You can write in English language into the forum (not only in Hungarian)!

E-Waste Reduce