Service manuals, schematics, eproms for electrical technicians

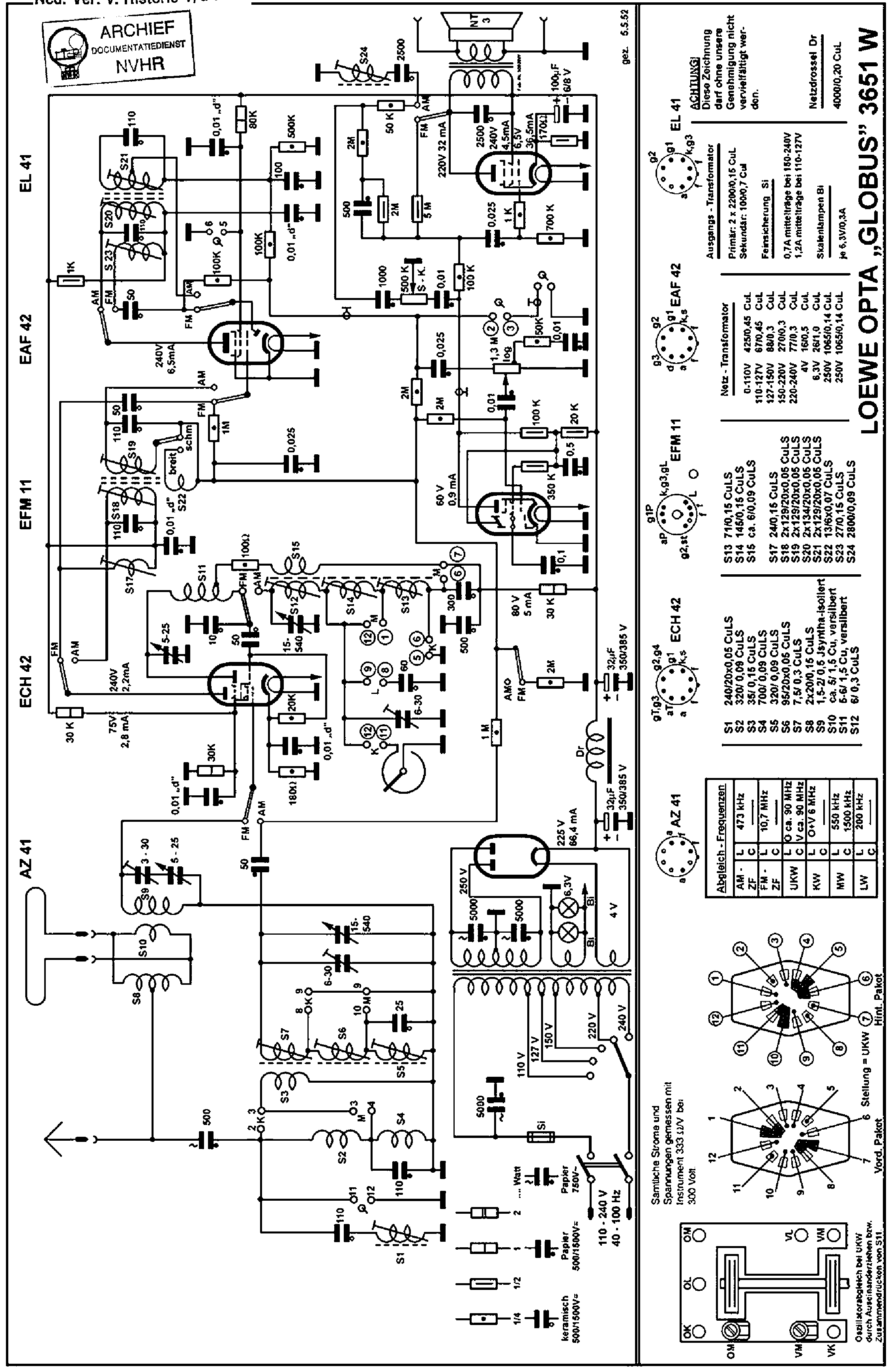
LOEWEOPTA 4750W-KOMET 4762-HERMES AM-FM RECEIVER SCH

AUDIO - SERVICE MANUAL
Type: (PDF)
Size
245.4 KB
Page
1
Category
AUDIO
SERVICE MANUAL
If you get stuck in repairing a defective appliance download this repair information for help. See below.
Good luck to the repair!

Please do not offer the downloaded file for sell only use it for personal usage!

Looking for similar loeweopta manual?
Document preview [1st page]
LOEWEOPTA 4750W-KOMET 4762-HERMES AM-FM RECEIVER SCH service manual (1st page)
Preview of LOEWEOPTA 4750W-KOMET 4762-HERMES AM-FM RECEIVER SCH [1st page]
Click on the link for free download!
Advertisements
Please tick the box below to get download link:
  • Also known:
    LOEWEOPTA AMFM RECEIVER 4750WKOMET 4762HERMES 4750 WKOMET 4762 HERMES 4750W KOMET AM FM AM-FM
  • If you have any question about repairing write your question to the Message board. For this no need registration.
  • If the site has helped you and you also want to help others, please Upload a manual, circuit diagram or eeprom that is not yet available on the site.
    Have a nice Day!
  • See related repair forum topics below. May be help you to repair.
Warning!
If you are not familiar with electronics, do not attempt to repair!
You could suffer a fatal electrical shock! Instead, contact your nearest service center!

Note! To open downloaded files you need acrobat reader or similar pdf reader program. In addition, some files are archived,
so you need WinZip or WinRar to open that files. Also some files are djvu so you need djvu viewer to open them.
These free programs can be found on this page: needed progs
If you use opera you have to disable opera turbo function to download file!
If you cannot download this file, try it with CHROME or FIREFOX browser.
Translate this page:
Relevant AUDIO forum topics:
Kenwood KRF-V4060D lekapcsol.
Sziasztok! Nevezett készülék indítást követően pár másodperc után lekapcsol a védelem miatt. Több hiba is volt a masinában amit javítottam. 5V-os stabilizátor, 12V-os. "nagy táp" sem volt meg ami a graetz cseréje után helyreállt. Jelenleg már szimmetrikusak a feszültségek -12v/+12v ill. -40v/+40v (3-4 tízed eltéréssel) Végfokoknál sem találtam mérhető hibát, kimeneteken sincs egyen. Természetesen "földelés" összezárva. 3.3V és 2.5V is rendben. Hozzá(bb) értőktől kérdezném, miként lehetne kideríteni okát a védelem bekapcsolásának? Köszönettel: Kiss Z.
Fender Princeton 112 Plus erősítő lábpedál bekötés; MEGOLDVA
Sziaztok, A címbeli erősítőhöz kellene egy lábpedált összehoznom. A hozzáértőktől kérdem, csak sima kapcsoló van-e az eredetiben, vagy van benne soros dióda is? http://elektrotanya.com/fender_princeton-112-plus_sch.pdf/download.html Üdv.
Thomson AM1460
Tisztelt kollégák! Thomson AM1460 hifitorony (vagy hozzá nagyon hasonló készülék) használati utasítására lenne szükségem. Akinek van,vagy tud bármilyen módon segíteni kérem küldje el vagy írjon a frkec@freemail.hu -ra. Köszönöm szépen és jó estét mindenkinek.
VIDEOTON rádiósmagnó hálózati csatlakozója
Sziasztok!
Egy hölgy keresett meg, mivel a macskái elrágták a rádiósmagnója hálózati kábelét ami zárlatossá vált és fény- és füstjeleket produkált.
A készülék nincs nálam, (pontos típusszámát nem tudom,) csak a hálózati vezetéke amin egy négypólusú dugasz található. A négy aljzatból csak 2-ben láttam érintkezőt. Ránézésre az érintkező hüvelyek távolsága megegyezik a kis készülékek csatlakoztatására használt "Euro" vezeték méretével.
Kérdéseim: Valóban jó lesz-e oda a szokásos hálózati vezeték? Mire szolgál a másik 2 bekötési pont?
Similar manuals:
If you want to join us and get repairing help please sign in or sign up by completing a simple electrical test
or write your question to the Message board without registration.
You can write in English language into the forum (not only in Hungarian)!

E-Waste Reduce