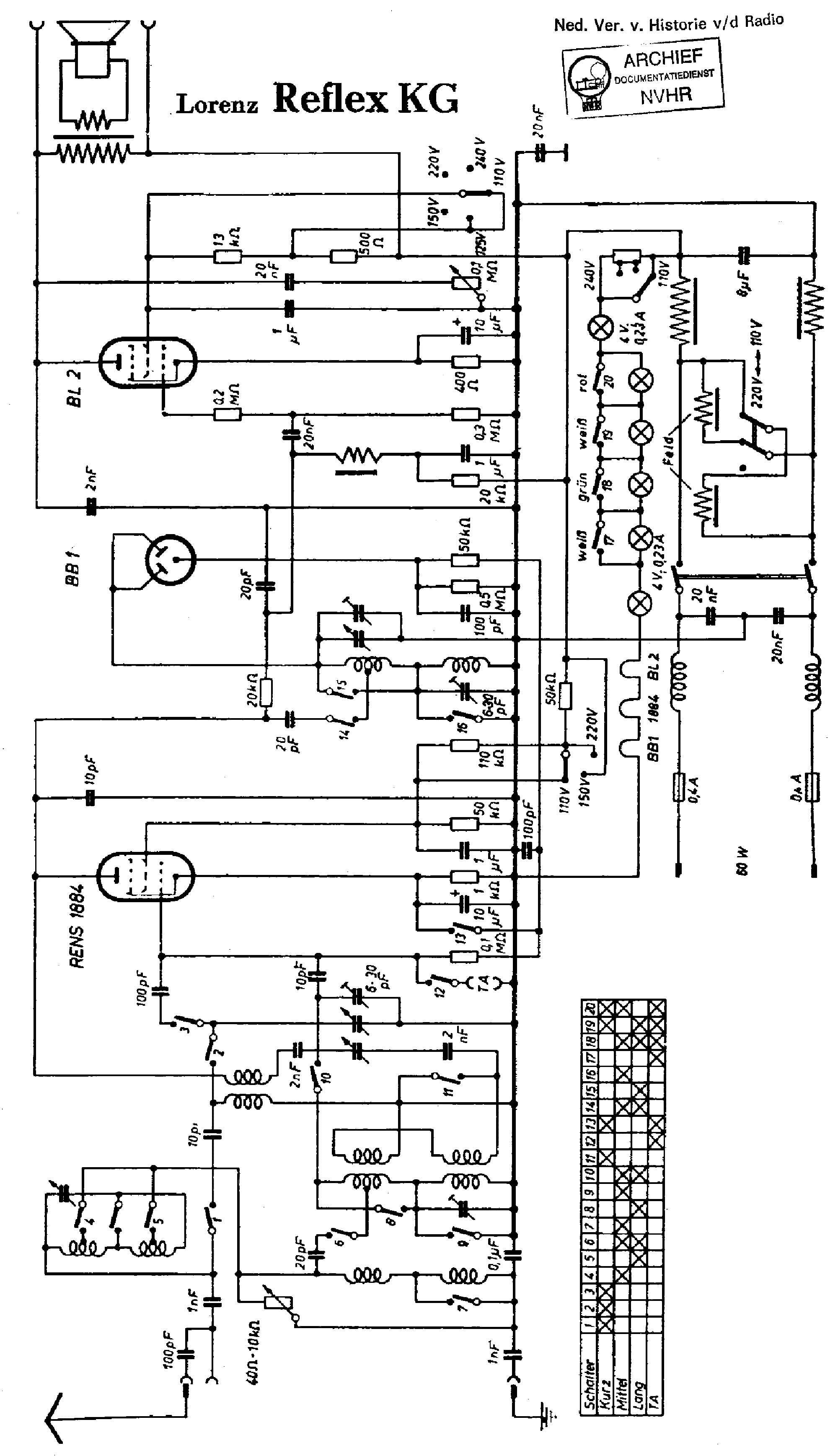
Sziasztok!
Ma néztem meg, mert a cd rész mindig forgot , a két ékszíj volt szakadt. A magnó részen a csévélés mind a kettő részen megy, de a lejátszásnál csak a fejet emeli fel,és megáll a motor nincs meg a fesz a bemenetén, de csévélésnél meg van. Mi váltja a feszültséget a motorhoz, hogy egyik oldalon sem megy?
Kedves kollégák!
A segítségeteket kérném, édesapám magnójába elszakadt az ékszíj. A készülék nincs nálam, így nem tudom, mekkora kell bele. Tudna ebben segíteni valaki?

Előre is köszönöm: Jácint
Sziasztok!
Kellene egy kis segítség egy Technics sa-dx 850 típusú erősítőhöz.
A problémája hogy csak 6CH módban szól,minden csatornára külön jel kell és a hangszínt sem lehet ilyenkor alapból állítani.Normál 2 csatornás módban nem szól.Belül átnéztem,kimértem,minden tápfesz rendben van.Ha valaki tudna segíteni hogy mi lehet a hiba,és egyáltalán orvosolható-e,nagyon megköszönném.
Előre is köszönöm!!
Kedves Kollégák!
Egy JVC TD-V562 deck került hozzám javításra a következő hibával: Az ajtó nem nyílik ki teljesen, kazettát azért be lehet tenni, becsukás megy.Tekerés előre-hátra megy. Play gomb megnyomása után az ajtó picit visszanyit, lejátszás így is elindul, de gyorsan forog a szalag, számláló vadul számol. Vagy néha az ajtó többször is kinyit-zár, de nem minden esetben jelentkezik ez a probléma.
Mielőtt ez a hiba jelentkezett volna, olyan probléma is előfordult, hogy minden funkció működött, de lejátszás közben a kazettából a szalag egy idő után kitekeredett és így a gép leállt.
Kiszereltem a mechanikát, és újjal forgattam a programkerekeket hajtó fogaskereket. Az tűnt fel, hogy a fej feljön, de a nyomógörgők nem, bár a nyomógörgőket mozgató kerék forog. Mérni semmit nem tudok üzem közben, mert a kazettaajtó kinyílik, becsukódik. Ha jól láttam a mechanika robbantott rajzán, a mechanika mode select kapcsolója a nyomógörgőket felhúzó programkerékkel forog együtt. Én ennek a kapcsolónak a hibájára gyanakszom.
Van valami tapasztalatotok evvel a mechanikával kapcsolatban?
Segítségeteket előre is köszönöm.