Service manuals, schematics, eproms for electrical technicians

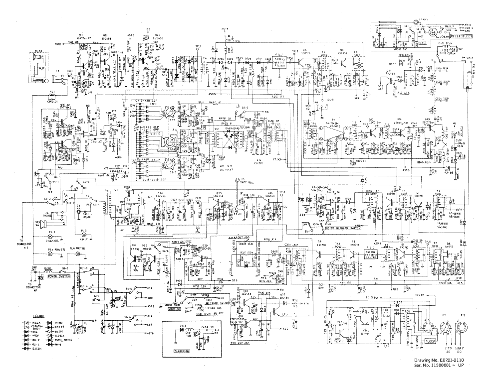
MIDLAND 7001 SM

OTHER - SERVICE MANUAL
Type: (ZIP)
Size
7.9 MB
Page
---
Category
OTHER
SERVICE MANUAL
If you get stuck in repairing a defective appliance download this repair information for help. See below.
Good luck to the repair!

Please do not offer the downloaded file for sell only use it for personal usage!

Looking for similar midland manual?
Document preview [1st page]
No preview item


No preview item for this file.

Possible causes:
  • No preview picture generated yet.
  • It is not a pdf file.
Advertisements
Download free of charge (10 files / day):
Download is being processed. Please wait...
Download processing...
  • Also known:
    MIDLAND 7001
  • If you have any question about repairing write your question to the Message board. For this no need registration.
  • If the site has helped you and you also want to help others, please Upload a manual, circuit diagram or eeprom that is not yet available on the site.
    Have a nice Day!
  • See related repair forum topics below. May be help you to repair.
Warning!
If you are not familiar with electronics, do not attempt to repair!
You could suffer a fatal electrical shock! Instead, contact your nearest service center!

Note! To open downloaded files you need acrobat reader or similar pdf reader program. In addition, some files are archived,
so you need WinZip or WinRar to open that files. Also some files are djvu so you need djvu viewer to open them.
These free programs can be found on this page: needed progs
If you use opera you have to disable opera turbo function to download file!
If you cannot download this file, try it with CHROME or FIREFOX browser.
Translate this page:
Relevant OTHER forum topics:
mozgásérzékelős lámpa nem kapcsol ki.
Üdv a tanyasiaknak. A lámpa bekapcsolás után állandóan világít. Levettem a rajzát, mert úgy láttam, az elérhető rajzokból, egyikkel sem egyezik. Természetesen az ic-n nincs semmilyen jelzés. Ha valaki meg tudná fejteni, igen nagy segítség lenne, mert jönnek a hosszú sötét éjszakák. köszönet. istván
KAWASAKI GA3200A-S generátor gyújtás gondok
Sziasztok! Adott a címben szereplő hordozható generátor, melynek pillanatnyilag nincs gyújtó szikrája.Már rosszként került hozzám, de szeretném megcsinálni, mert nagyon hasznos kis gép lehetne még belőle. Mágneses gyújtású lévén a lendkeréknél 2db tekercs foglal helyet, az egyik az akkumulátort tölti (mert önindítós változat), a másik szolgáltatná a működéshez szükséges szikrát, ami pillanatnyilag nincs.A gyújtó tekercsből két vezeték jön ki és csatlakozik a henger külső oldalán található modulhoz, aminek 3 kivezetése van. Ebből kettő a tekercshez kapcsolódik, a harmadik a testre. Eddigi kutakodásaim eredményeként erős a gyanúm, hogy tirisztoros (CDI) gyújtású a kicsike, de nem vagyok egészen biztos benne. Tudja valaki, hogy az ilyen gyújtások hogyan működnek, már a mágneses gerjesztésűek külön gerjesztő tekercs nélkül,illetve a modulban hogyan helyezkedhet el a tirisztor? A válaszokat előre is köszönöm: Csaba
Saunier Duval Thema F23E kazán ventilátor motor. Segítségetek köszönve, további javítási történés ismeretének hiányában lezárva.
Szervusztok! Saunier Duval Thema F23E kazán ventilátor motor tekercsének ohmos értékét szeretném megtudni, s az is érdekelne, hogy szükség esetén újra lehet-e tekercselni? Még nincs a kezemben a szerkezet, de a képek alapján nem zárom ki, hogy bontható. üdv, Bencsik
makita akkus flex dga505 gyengén elindul aztán megáll nem üzemel
Sziasztok 
hozzámkerült egy makita dga505 flex azzal a hibával hogy gyengén elindul kicsit rángatózik majd kb 3 mp után megáll
ebben egy kefe nélküli motor van 
a motorhoz 3 vastagabb és 6 vékony vezeték megy van e esély ennek a javítására ? vagy kuka az egész
több videót megnézve csak azt látni hogy kiveszik a dobozból az új állórészt és vezérlőt és kompletten cserélik
erre valószínűleg nem fog sor kerülni mert kb 40E ft-ba kerül ennyit valószínűleg nem fognak költeni rá
az állórészben a panelon látható 3db Hall szenzor is de ezekhez nem lehet hozzáférni
jó lenne tudni hogy a vezérlő e a hibás ez ki van öntve műgyantával nem lehet látni mérni semmit vagy talán valamelyik hall szenzor a hibás a 3 közül
https://www.aliexpress.com/item/4000132755055.html?spm=a2g0o.productlist.main.17.fe2b15d3cVvUmp&algo_pvid=b89ac8ed-8d5e-4427-bb70-baaecf18fb8c&algo_exp_id=b89ac8ed-8d5e-4427-bb70-baaecf18fb8c-8&pdp_ext_f=%7B%22sku_id%22%3A%2210000000417144843%22%7D&pdp_npi=3%40dis%21HUF%2138904.16%2138904.16%21%21%21%21%21%4021227e5116784771060452994d070b%2110000000417144843%21sea%21HU%21118578598&curPageLogUid=khFm27WqUZOU
 
Similar manuals:
If you want to join us and get repairing help please sign in or sign up by completing a simple electrical test
or write your question to the Message board without registration.
You can write in English language into the forum (not only in Hungarian)!

E-Waste Reduce