Service manuals, schematics, eproms for electrical technicians

MSI MS-7017 REV 1.0D SCH

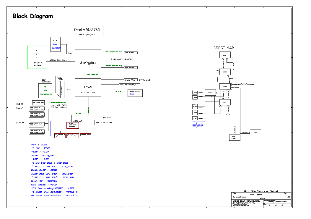
NOTEBOOK-PC - SERVICE MANUAL
Type: (PDF)
Size
5.2 MB
Page
29
Category
NOTEBOOK-PC
SERVICE MANUAL
If you get stuck in repairing a defective appliance download this repair information for help. See below.
Good luck to the repair!

Please do not offer the downloaded file for sell only use it for personal usage!

Looking for similar msi manual?
Advertisements
Document preview [1st page]
MSI MS-7017 REV 1.0D SCH service manual (1st page)
Preview of MSI MS-7017 REV 1.0D SCH [1st page]
Click on the link for free download!
Document preview [2nd page]
MSI MS-7017 REV 1.0D SCH service manual (2nd page)
Preview of MSI MS-7017 REV 1.0D SCH [2nd page]
Click on the link for free download!
Advertisements
Download free of charge (10 files / day):
Download is being processed. Please wait...
Download processing...
  • Also known:
    MSI MS-7017 MS7017 REV 1.0D MS 7017
  • If you have any question about repairing write your question to the Message board. For this no need registration.
  • If the site has helped you and you also want to help others, please Upload a manual, circuit diagram or eeprom that is not yet available on the site.
    Have a nice Day!
  • See related repair forum topics below. May be help you to repair.
Warning!
If you are not familiar with electronics, do not attempt to repair!
You could suffer a fatal electrical shock! Instead, contact your nearest service center!

Note! To open downloaded files you need acrobat reader or similar pdf reader program. In addition, some files are archived,
so you need WinZip or WinRar to open that files. Also some files are djvu so you need djvu viewer to open them.
These free programs can be found on this page: needed progs
If you use opera you have to disable opera turbo function to download file!
If you cannot download this file, try it with CHROME or FIREFOX browser.
Translate this page:
Relevant NOTEBOOK-PC forum topics:
MSI 945gcm478 nem indul,csak ha a tápnál az indítószálat összeérintem a földdel!!SOS
Az összes 6,3v os kondit kicseréltem.És csodálkozom a dolgon.
MSI MegaBook S270 inverter
Sziasztok! MSI Megabook S270-hez keresek invertert /lehet használt is/ vagy kapcsolási rajzot. Előre is köszi.
MSI EX 600 . 6 Kockában ad be képet,mi lelheti
Tiszteletem. A barátom vette,alkatrésznek 2-ő ,ből 1 alapon. Működik egyébként,amikor megvette a tulaj csodálkozására jó volt ,haza érve már nem. Videó kártya ,vagy forrasztás lehet a bibi,vagy szoftver. Eladó szerint telepítés után lett ez e baja. De akkor miért volt egyszer csak JÓ. Ötlet valakinek,aki jártas ebben? Ilyen a jelenség. Hali SANYÓ
Msi cx620 alaplap hiba.
Sziasztok. Adott a címben szereplő laptopom ami hibás lett. Az alaplap típusa ms-16881 (ver1.0). A problémát már még nem sikerült kiderítenem. de nem tudom az alkatrész értékét. A fényépeken látható kettő kondi lett a hibás a tápcsati mellett. Ha tudná valaki milyen kondi való ide kérem segítsen. Böngészés közben kikapcsolt és azóta semmi. Feszültséget nem tudok mérni mert leoldja a tápot amint rádugom. A tápegység jó mert egy másik laptop megy vele. Zárlatot nem mutat a tápcsati. Előre is köszönöm. http://kepkuldes.com/images/53c22429dc3d25cb36082208246a0119.jpg http://kepkuldes.com/images/95c9f5acae891db74a26ea625316885d.jpg
Similar manuals:
If you want to join us and get repairing help please sign in or sign up by completing a simple electrical test
or write your question to the Message board without registration.
You can write in English language into the forum (not only in Hungarian)!

E-Waste Reduce