Service manuals, schematics, eproms for electrical technicians

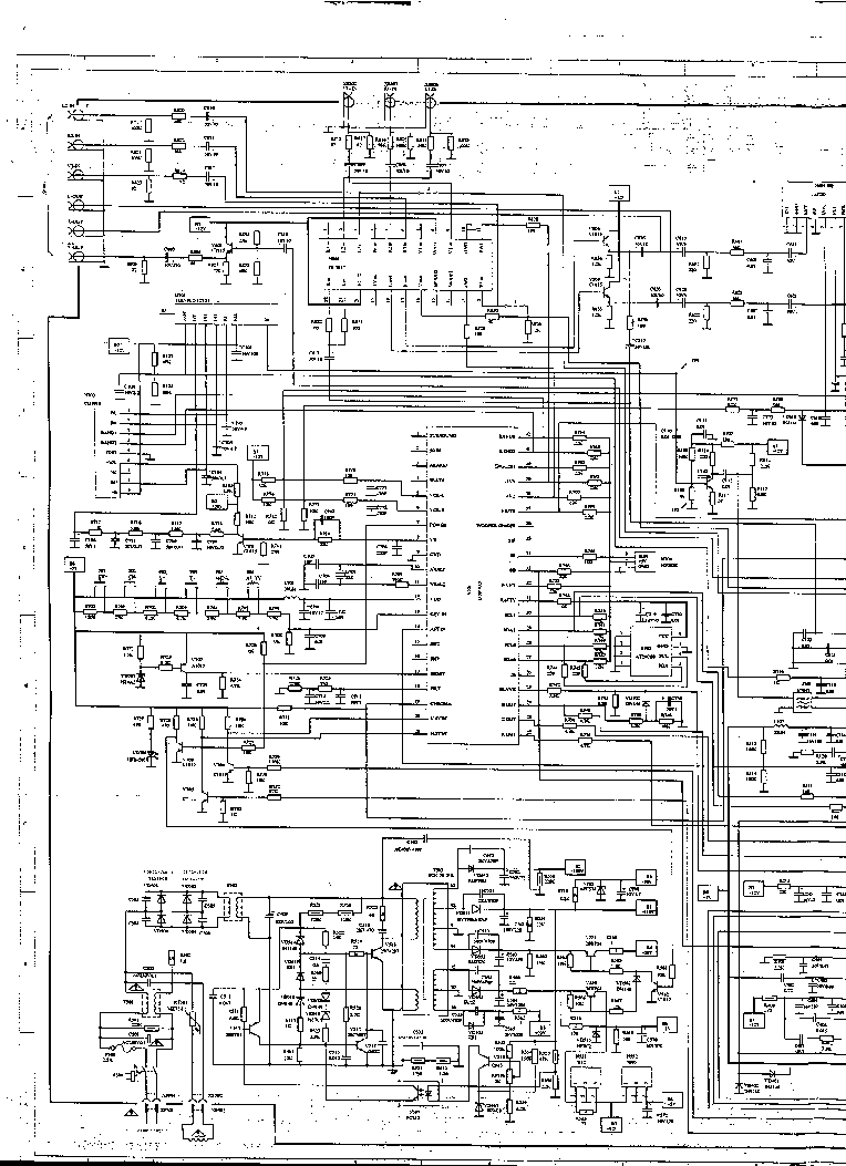
NEO TV-1451-01 MISSING PAGES SCH

TV - SERVICE MANUAL
Type: (PDF)
Size
140.3 KB
Page
1
Category
TV
SERVICE MANUAL
If you get stuck in repairing a defective appliance download this repair information for help. See below.
Good luck to the repair!

Please do not offer the downloaded file for sell only use it for personal usage!

Looking for similar neo manual?
Document preview [1st page]
NEO TV-1451-01 MISSING PAGES SCH service manual (1st page)
Preview of NEO TV-1451-01 MISSING PAGES SCH [1st page]
Click on the link for free download!
Advertisements
Download free of charge (10 files / day):
Download is being processed. Please wait...
Download processing...
  • Also known:
    NEO TV-145101 PAGES TV145101 MISSING TV 145101 1451 01 TV-1451-01
  • If you have any question about repairing write your question to the Message board. For this no need registration.
  • If the site has helped you and you also want to help others, please Upload a manual, circuit diagram or eeprom that is not yet available on the site.
    Have a nice Day!
  • See related repair forum topics below. May be help you to repair.
Warning!
If you are not familiar with electronics, do not attempt to repair!
You could suffer a fatal electrical shock! Instead, contact your nearest service center!

Note! To open downloaded files you need acrobat reader or similar pdf reader program. In addition, some files are archived,
so you need WinZip or WinRar to open that files. Also some files are djvu so you need djvu viewer to open them.
These free programs can be found on this page: needed progs
If you use opera you have to disable opera turbo function to download file!
If you cannot download this file, try it with CHROME or FIREFOX browser.
Translate this page:
Relevant TV forum topics:
Neovia LCD-tv
Üdv! Régóta porosodik nálam egy Neovia NEO-2005DTX tipusú DVD olvasóval egybeépitett LCD tv. A gazdája elvitte márkaszervizbe és ott valahogy elvesztették a DVD-olvasófejet. Sajnos majdnem semmi infóm nincs a készülékről. A net túrása annyi eredményt hozott, hogy a DVD-meghajtó tipusa DSS833 (http://kepfeltoltes.hu/090710/dss833_www.kepfeltoltes.hu_.jpg). Egy halvány utalást találtam, hogy a ROLSEN RL20x30 tipusú készülékben is ilyen olvasó van. Ha van valakinek megfelelő fej vagy meghajtó, akár bontottan is érdekel. Dokumentáció is érdekelne mindkét emlitett készülékről. Előre köszönöm a segitséget! sanyika45
TV Neo 2159TX
Sziasztok Nem tudja valaki ,milyen taviranyito talal ehez atv-hez Koszi
Panasonic Viera NeoPDP pld. TX-42G15E vagy TX-42GW10 stb. SM?
hello mindenkinek! Panasonic TX-42G15E NeoPDP Plasma-TV-hez keresek SM-et (service manualt). Leginkabb a service-menu miatt. Valami hasonlo is jo lenne, pld. TX-P50GW10 TX-P46GW10 TX-P42GW10 TX-P46G15E TX-P50V10E TX-P42V10E TX-P50V10E TX-P54Z1E TX-P46Z1E ... Elöre is köszi!!! MOst olvasom, amerikában TC-P... neven futnak. De még igy se talalok semmit... :( (Ja, magyarul, németül, angolul is jo!)
NEO TV-2132TX.
eeprom tv NEO TV-2132TX..procesor:TDA9352PS.N2.3I
Similar manuals:
If you want to join us and get repairing help please sign in or sign up by completing a simple electrical test
or write your question to the Message board without registration.
You can write in English language into the forum (not only in Hungarian)!

E-Waste Reduce