Service manuals, schematics, eproms for electrical technicians

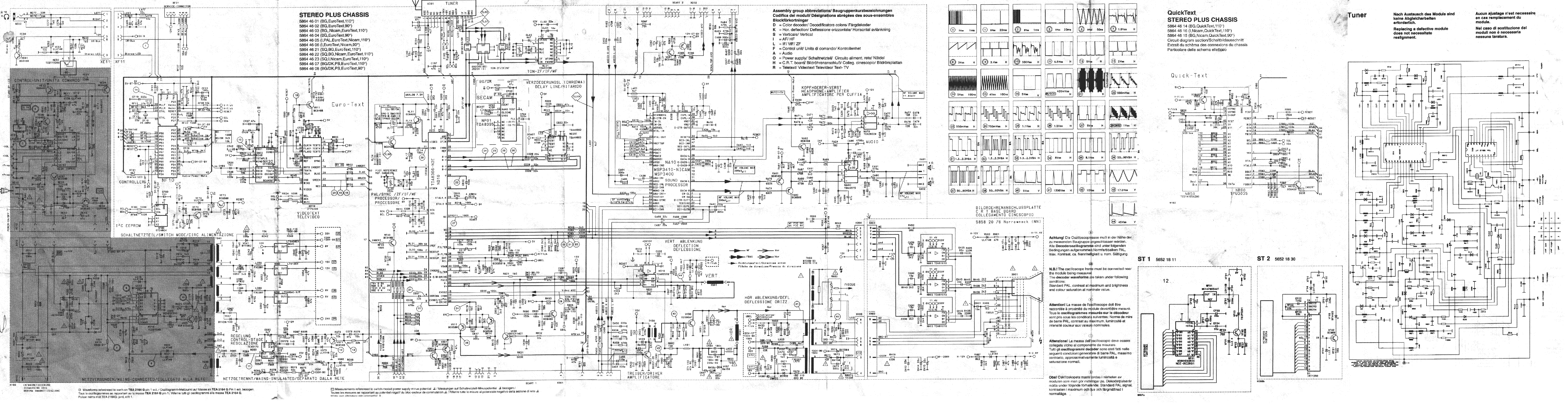
NOKIA 4223 5123 5523 CH A3-A14

TV - SERVICE MANUAL
Type: (PDF)
Size
5.1 MB
Page
4
Category
TV
SERVICE MANUAL
If you get stuck in repairing a defective appliance download this repair information for help. See below.
Good luck to the repair!

Please do not offer the downloaded file for sell only use it for personal usage!

Looking for similar nokia manual?
Advertisements
Document preview [1st page]
NOKIA 4223 5123 5523 CH A3-A14 service manual (1st page)
Preview of NOKIA 4223 5123 5523 CH A3-A14 [1st page]
Click on the link for free download!
Document preview [2nd page]
NOKIA 4223 5123 5523 CH A3-A14 service manual (2nd page)
Preview of NOKIA 4223 5123 5523 CH A3-A14 [2nd page]
Click on the link for free download!
Advertisements
Download free of charge (10 files / day):
Download is being processed. Please wait...
Download processing...
  • Also known:
    NOKIA A-3A-14 4223 5123 5523 CH A3A14 14 A3 A14 A3-A14
  • If you have any question about repairing write your question to the Message board. For this no need registration.
  • If the site has helped you and you also want to help others, please Upload a manual, circuit diagram or eeprom that is not yet available on the site.
    Have a nice Day!
  • See related repair forum topics below. May be help you to repair.
Warning!
If you are not familiar with electronics, do not attempt to repair!
You could suffer a fatal electrical shock! Instead, contact your nearest service center!

Note! To open downloaded files you need acrobat reader or similar pdf reader program. In addition, some files are archived,
so you need WinZip or WinRar to open that files. Also some files are djvu so you need djvu viewer to open them.
These free programs can be found on this page: needed progs
If you use opera you have to disable opera turbo function to download file!
If you cannot download this file, try it with CHROME or FIREFOX browser.
Translate this page:
Relevant TV forum topics:
AKAI MX71 B6 (Nokia MX ch.) csak raszter van.
Sziasztok! Tudnátok segíteni? Zárlatos volt az egyik video vég, fogta a 200V-ot. Kicseréltem, de csak annyit csinál, hogy ha feltekerem a G2-t visszafutási csíkos raszter van. Hang van, reagál mindenre. A katódok 186V-on vannak, a cső A66ECY. Ez a rajza: http://elektrotanya.com/nokia_chassis_mx,mz_serie.pdf/download.html Köszi
Nokia Ideal Color 6728H (Core2 /110°) eltűnik a kép és fényerő -- MEGOLDVA
Tisztelt uraim ! Kb. 1 hónapja szívok ezzel. Bekapcsolás után valamikor néhány perc után jön meg a kép, valamikor menet közben tűnik el. Ilyenkor teljesen sötét, mintha nem is működne. Ilyenkor a fűtés ok, G2 megvan, katódok kb 125-ről 140 V-ra ugranak fel (ilyenkor még nem szabadna eltűnni a képnek), a sasszihoz képest a képcső grafit-testponton -4V körül mérek (normál esetben -12...-20 között). TDA3561-et cseréltem, képcsőpanelt átforrasztottam, képcsövet kicseréltem... Mi szívat ennyire mocsok módon ?
Itt Nokia Tv
Kaptam egy ITT Nikia tévét, de enm tudok rájönni hogyan kell hangolni!Hiányzik róla minden adattábla így pontos típust nem tudok mondani! Csak a távirányíton van egy szám:(IRC-2 56521673).Ezt a számsort mindig telefonszámnak írja be, de nem az, ez is a kapcsolón van! Ehhez szeretnék segítséget kérni! Köszönöm!
Nokia 6363 Vt televizió javítás
Szevasztok! Nokia 6363 VT televízió bekapcsoláskor R518-ról NF trafóhoz áthuz a nagyfesz,csattog,kécsövön nincs fesz. Dokumentáció hiányában a problémát nem tudom behatárolni. Segítségeteket előre is köszönöm.
Similar manuals:
If you want to join us and get repairing help please sign in or sign up by completing a simple electrical test
or write your question to the Message board without registration.
You can write in English language into the forum (not only in Hungarian)!

E-Waste Reduce