Service manuals, schematics, eproms for electrical technicians

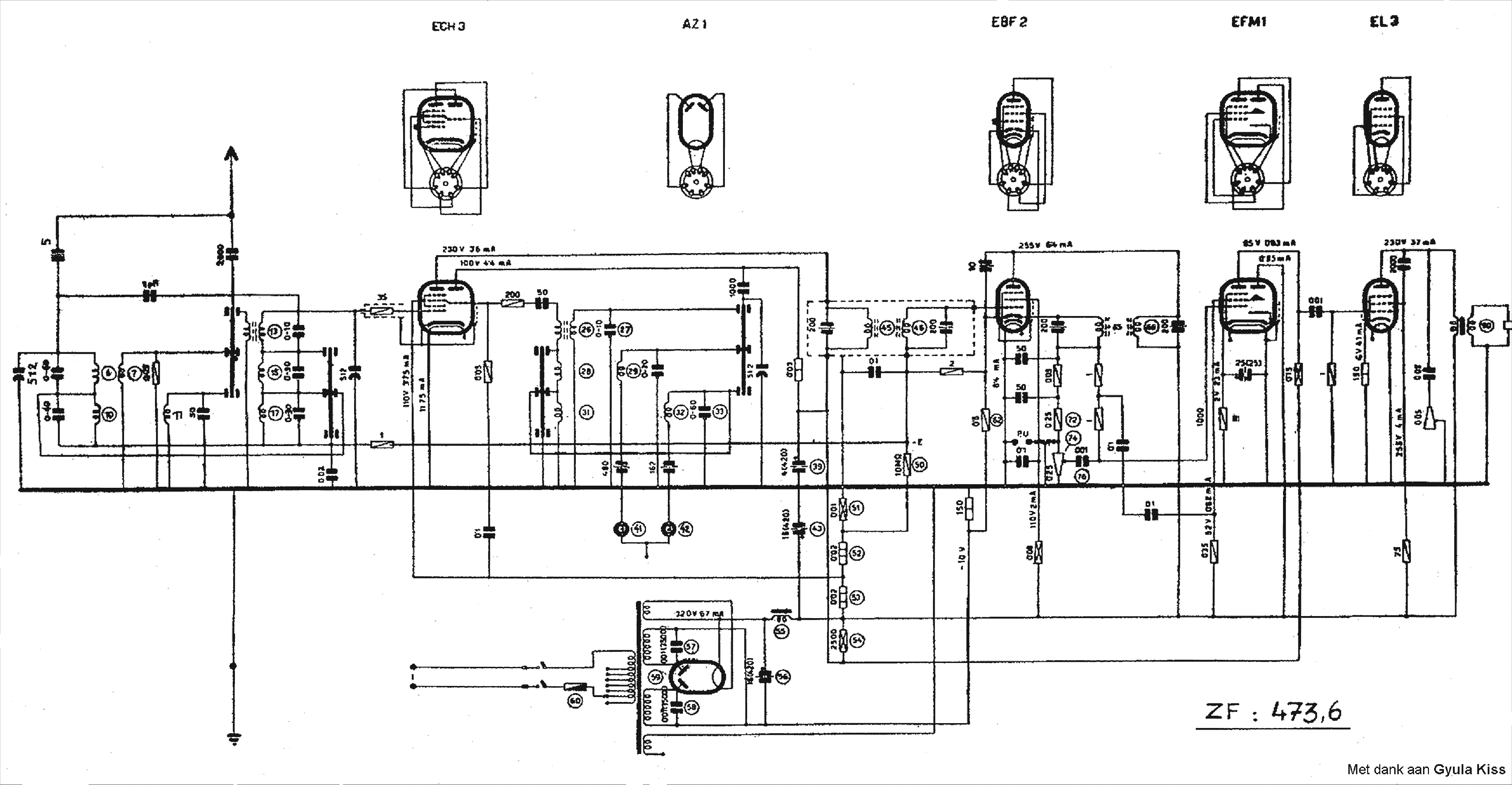
ORION-418A-814 CSOVES RADIO.

AUDIO - SERVICE MANUAL
Type: (DJVU)
Size
30.6 KB
Page
1
Category
AUDIO
SERVICE MANUAL
If you get stuck in repairing a defective appliance download this repair information for help. See below.
Good luck to the repair!

Please do not offer the downloaded file for sell only use it for personal usage!

Looking for similar orion manual?
Document preview [1st page]
No preview item


No preview item for this file.

Possible causes:
  • No preview picture generated yet.
  • It is not a pdf file.
Advertisements
Download free of charge (10 files / day):
Download is being processed. Please wait...
Download processing...
  • Also known:
    RADIO. CSOVES ORION 418 814 418A
  • If you have any question about repairing write your question to the Message board. For this no need registration.
  • If the site has helped you and you also want to help others, please Upload a manual, circuit diagram or eeprom that is not yet available on the site.
    Have a nice Day!
  • See related repair forum topics below. May be help you to repair.
Warning!
If you are not familiar with electronics, do not attempt to repair!
You could suffer a fatal electrical shock! Instead, contact your nearest service center!

Note! To open downloaded files you need acrobat reader or similar pdf reader program. In addition, some files are archived,
so you need WinZip or WinRar to open that files. Also some files are djvu so you need djvu viewer to open them.
These free programs can be found on this page: needed progs
If you use opera you have to disable opera turbo function to download file!
If you cannot download this file, try it with CHROME or FIREFOX browser.
Translate this page:
Relevant AUDIO forum topics:
Orion SC1025 hálózati trafó primer oldala szakadt
Tisztelt Uraim!

Adott ez az Orion hifi, ami a fenti ok miatt üzemképtelen. A kérdésem, hogy van e a trafóban hőkioldó biztosíték, vagy újra kell tekercseltetnem?
Orion magas sugárzók
Sziasztok! Orion magas sugárzók javítása, helyettesítése,keresése
ORION HS 500 hangfal hangszóróinak bekötése
Üdvözlöm a kollégákat! Megajándékoztak egy ORION HS 500-as hangfalpárral. Valaki az idők folyamán átalakította, így elég öszvérré vált. Videoton közép és magas hangszórók kerültek bele, Videoton hangváltókkal. Szereztem hozzá eredeti hangszórókat, amiket felújíttattam, vettem hozzá Orion hangváltókat is. Kerestem hozzá kapcsolási rajzot, találtam is hozzá három különbözőt, de nem tudom melyik lehet az "igazi"? Az lenne a kérdésem, hogy esetleg valamikor ez a hangfal többféle kivitelben készült-e? És ha igen, akkor mi volt közöttük a különbség? Talán a hangszóró? Mert az nincs rajta a rajzokon. LB 4-ohmos mélyek, a magas, és közép is 4 ohmos. A hangváltó a relés típusú, aminek túlvezérlés elleni védelem a feladata. Valakinek egy igazi rajza lenne-e hozzá? Előre is köszönöm a segítséget!
Orion SE260 - sustorgás/dübörgés bekapcsolás után [megoldva]
Sziasztok!
Sajnos az erősítőm pár napja nem müködik hibátlanul.
Mikor bekapcsolom akkor ugyebár a védelem megakadályozza a hangszorók koppanását.
Véleményem szerint a védelem müködik, hallom a relék kattanását bekapcsolásnál és hangszoro 1/2 váltásakor, LED is világit. De ahogy kikapcsol a védelem még valami tranziensek vannak es kemény dübörgő / sustorgás van még pár mp-ig a hangszorón. (Függetlenül a bemenet / hangerő választástol)

Első körben a C3602 / C3603 kondikra kondolok, de csak egy tipp.

A probléma akkor jelentkezik amkor több napig ki van kapcsolva.

/Ha valaki leirná, hogy müködik a védelem, megköszönném./
Similar manuals:
If you want to join us and get repairing help please sign in or sign up by completing a simple electrical test
or write your question to the Message board without registration.
You can write in English language into the forum (not only in Hungarian)!

E-Waste Reduce