Service manuals, schematics, eproms for electrical technicians

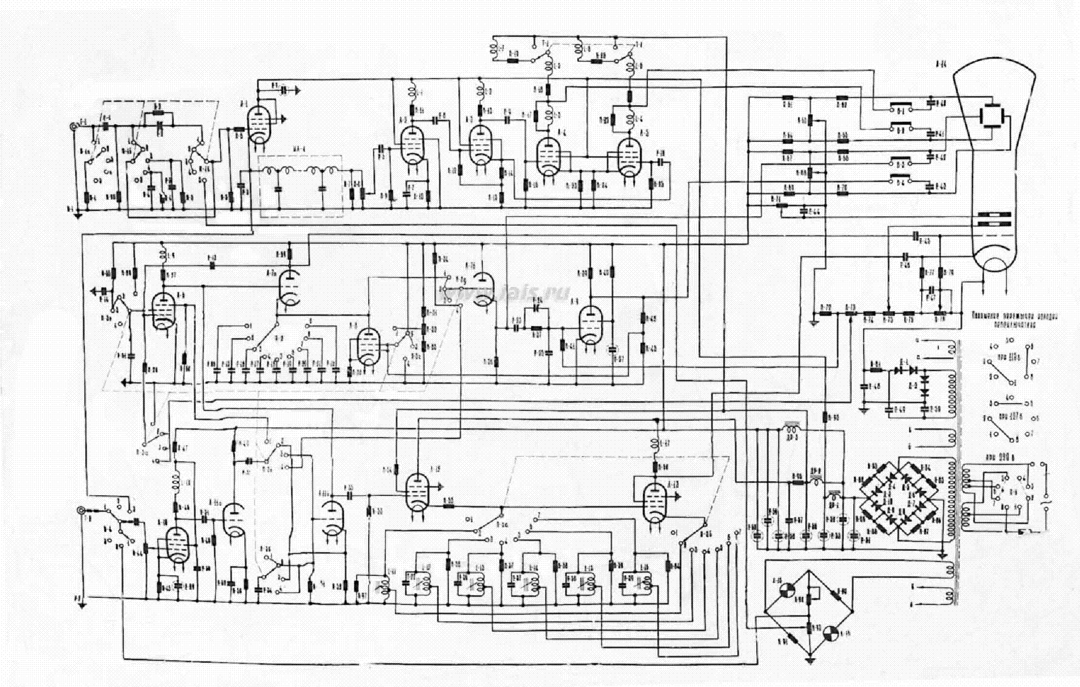
OROSZ OSCILLOSCOPE C1-98 SCH

METER - SERVICE MANUAL
Type: (ZIP)
Size
10.2 MB
Page
---
Category
METER
SERVICE MANUAL
If you get stuck in repairing a defective appliance download this repair information for help. See below.
Good luck to the repair!

Please do not offer the downloaded file for sell only use it for personal usage!

Looking for similar orosz manual?
Document preview [1st page]
No preview item


No preview item for this file.

Possible causes:
  • No preview picture generated yet.
  • It is not a pdf file.
Advertisements
Download free of charge (10 files / day):
Download is being processed. Please wait...
Download processing...
  • Also known:
    OROSZ C-198 C198 198 C1 98 C1-98
  • If you have any question about repairing write your question to the Message board. For this no need registration.
  • If the site has helped you and you also want to help others, please Upload a manual, circuit diagram or eeprom that is not yet available on the site.
    Have a nice Day!
  • See related repair forum topics below. May be help you to repair.
Warning!
If you are not familiar with electronics, do not attempt to repair!
You could suffer a fatal electrical shock! Instead, contact your nearest service center!

Note! To open downloaded files you need acrobat reader or similar pdf reader program. In addition, some files are archived,
so you need WinZip or WinRar to open that files. Also some files are djvu so you need djvu viewer to open them.
These free programs can be found on this page: needed progs
If you use opera you have to disable opera turbo function to download file!
If you cannot download this file, try it with CHROME or FIREFOX browser.
Translate this page:
Relevant METER forum topics:
orosz skópok
Sziasztok! Keresem az orosz C1-91 fiokos szkop kapcsi rajzát, kezelési doksiját, és mindent rola ami van. Cserébe néhány EMG pl 1555, Philips, és pl c1-49, c1-64 rajzokat és doksikat tudom adni. Egyébként érdekelne valami egyszerű, de jó vobler rajza is. ugy 100khz 1 GHz közt üdv. juhjan@freemail.hu
C4353 Orosz analóg multiméter bemenő ellenállása 600V egyenfeszültség mérésnél mekkora?

Sziasztok!

Nagyfeszültséget kellene mérnem, osztót szeretnék csinálni, mekkora lehet a bemenő ellenállása a műszernek?

E7-12 orosz rcl-mérő - orosz tudás kellene
Üdv! Fenti készülék a sajátom, nagyon régen vettem, úgy tudtam rossz. Most elővettem, hátha jó lesz valamire. Úgy tapasztaltam majdnem tökéletesen működik, csak a kapcsolókat kellett kitakaritani. Ezután szeretném használni, csak néhány csatlakozó, kapcsoló funkciójára nem jöttem rá. (Fonetikusan irom, olvasni tudom csak nem értem. :) ) Előlapon: kétállású kapcsoló UROVEN SZIGNALA x1 és x0.1 állással. Hátlapon: +-200V max. KONTROLL, négy csatlakozó (2 testjellel megjelölve). egy csatlakozó csatlakozó-ábrával felé mutató nyillal (bemenet?), egy másik csatlakozó csatlakozó-ábrából kifelé mutató nyillal (kimenet?) közéjük irva MODUL. (moduláció?) Egy kapcsoló VNES és VNUTR. állással SZMESENIE felirattal. Egy certronics-szerű csatlakozó (24 pólusú) Egy kapcsoló DISZT. és MESZTNOE állással UPRAVLENIE felirattal. Négy kapcsoló vonallal összekötve ADRESZ KOP. felirattal. Egy másik 24pólusú Centronics-szerű csatlakozó. A készülékhez kapott elég gyenge fénymásolt doksit feltöltöttem. Sajnos eléggé hiányos. (Pihe légyszives néhány napig hagy fenn! Kösz!) A neten nem találtam még ennyit sem. A készülék használatát (ha jól értettem) a 8. fejezet tárgyalja, a szervizkönyv 72. oldalától. Ha valakinek lenne jobb, teljesebb doksija kérem tegye fel! Ha valakinek volna annyi ideje hogy ezt a néhány oldalt leforditaná, nagyon megköszönném. Köszönöm, hogy végigolvastad! sanyika45
H3017 (N3017) orosz oszcilloszkóp műszaki leírás - Megoldva!
Sziasztok! Egy nagy projekt keretében vásároltam egy ilyen szkópot, működik is, csak nem találok hozzá semmi leírást. Műszaki paraméterei érdekelnének, esetleg kezelési utasítás. Ha valakinek van róla infója, ne tartsa magában... Előre is köszi: Laci
Similar manuals:
If you want to join us and get repairing help please sign in or sign up by completing a simple electrical test
or write your question to the Message board without registration.
You can write in English language into the forum (not only in Hungarian)!

E-Waste Reduce