Service manuals, schematics, eproms for electrical technicians

SAMSUNG LS17MHNSSZXAA MH17ES 710MP

MONITOR - SERVICE MANUAL
Type: (RAR)
Size
3.8 MB
Page
---
Category
MONITOR
SERVICE MANUAL
If you get stuck in repairing a defective appliance download this repair information for help. See below.
Good luck to the repair!

Please do not offer the downloaded file for sell only use it for personal usage!

Looking for similar samsung manual?
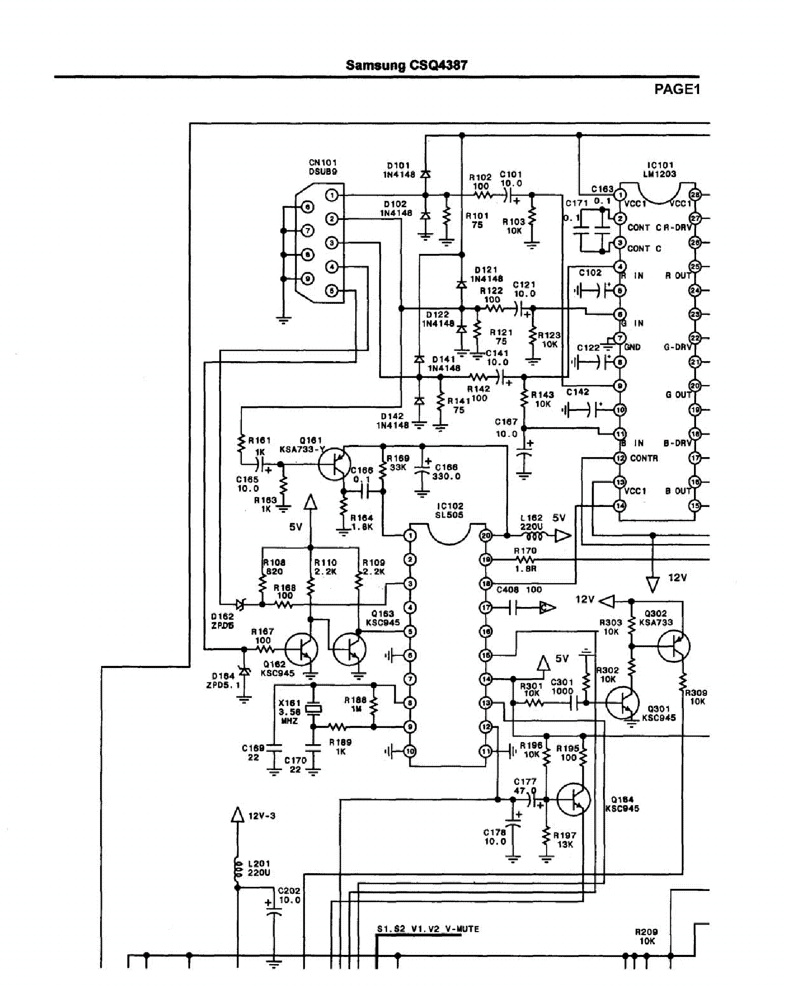
Document preview [1st page]
No preview item


No preview item for this file.

Possible causes:
  • No preview picture generated yet.
  • It is not a pdf file.
Advertisements
Download free of charge (10 files / day):
Download is being processed. Please wait...
Download processing...
  • Also known:
    SAMSUNG MH-17ES MH17ES 710MP LS 17 MHNSSZXAA MH ES 710 MP
  • If you have any question about repairing write your question to the Message board. For this no need registration.
  • If the site has helped you and you also want to help others, please Upload a manual, circuit diagram or eeprom that is not yet available on the site.
    Have a nice Day!
  • See related repair forum topics below. May be help you to repair.
Warning!
If you are not familiar with electronics, do not attempt to repair!
You could suffer a fatal electrical shock! Instead, contact your nearest service center!

Note! To open downloaded files you need acrobat reader or similar pdf reader program. In addition, some files are archived,
so you need WinZip or WinRar to open that files. Also some files are djvu so you need djvu viewer to open them.
These free programs can be found on this page: needed progs
If you use opera you have to disable opera turbo function to download file!
If you cannot download this file, try it with CHROME or FIREFOX browser.
Translate this page:
Relevant MONITOR forum topics:
Samsung 172N hiba
Samsung 172N LCD monitort ha bekapcsolom felgyullad a zöld led, de nem történik semmi, nincs fény, tápfeszek megvannak. Ha nyomom a bekapcsológombot akkor nem kapcsol le, hanem villan a zöld, és ég tovább. Ha valakinek volt már hasonló problémája, szívesen venném az ötleteket. Én alaplap hibára gyanakszom, de tovább nem jutottam. Üdv: Gege
Samsung LCD monitor programozó kábel
Sziasztok! Szeretnék egy Samsung Syncmaster 913 típusú monitort újraprogramozni, megvan a firmware is, Easywriter program, de kellene építenem egy kábelt hozzá, ami VGA csatin keresztül programoz. Valaki tudna kapcsolást vagy linket küldeni? Köszönöm. Üdv: Fabricius
Samsung BN44-00124A (IP-35135B) - BZ-17 REV0.4
Sziasztok! Segítséget szeretnék kérni egy Samsung SyncMaster 940N monitor javításával kapcsolatban. A jav.egyszerűnek tűnt első látásra púpos kondik, zárlatos fet-ek, szakadt 3A-s biztosíték. Ezek cseréje után a táp rendben van, kissé magas ugyan a fesz 18V. A panelen követve az ON/OFF lábat a két tranzisztor halottnak látszik, és van egy KA431 is ami valamilyen referencia feszültséget csinál az inverter IC-nek. Sajnos rajzot nem találtam az IP-35135B panelhez, ha lenne valakinek azt nagyon megköszönném. A Tanyán csak egy TXT file-t találtam, amiben pontosan le van írva a pozíciószámokhoz tartozó alkatrész, de ez nem sokat segít. A Google több oldalon is ezt a rajzot hozza az IP-35135B-re, de ez csak nyomokban hasonló keresetthez. Ha a Q201, és a Q202 tranzisztorban tokon belül található két ellenállás azt ugyanúgy lehet kimérni (dióda vizsgáló állásban) mintha sima tranzisztor lenne? Segítségeteket előre is köszönöm! Üdv: apatig
Samsung LS22A300 LED monitor, jel vétel esetén nincs kép, a firmware frissítés sem működik!

Üdv újra!

Nem tudom nem-e lesz baj belőle, hogy újra indítok egy hasonló témát, de mivel annak a címében az van, hogy "MEGOLDVA", arra gondoltam, hogy emiatt nem reagál senki a kérdésemre. Így tettem egy próbát hátha.

Megpróbáltam a DVi kábelen keresztül frissíteni a monitort de nekem azt írja ki, hogy már a legfrissebb verzió van rajta.? Ezért nem csinál lényegében semmit a program. Ezáltal a probléma továbbra is megmaradt sajnos (nincs látható kép a monitoron). Az eszközkezelőben és vezérlőpultban is látszik a monitor, tehát részben működik.

Valahogy nem lehet egy régebbi verzióra vissza frissíteni a firmware-t?

Előre is köszönöm!

Tisztelettel:

Nagy Zoltán

Similar manuals:
If you want to join us and get repairing help please sign in or sign up by completing a simple electrical test
or write your question to the Message board without registration.
You can write in English language into the forum (not only in Hungarian)!

E-Waste Reduce