Service manuals, schematics, eproms for electrical technicians

SANYO CE28WN5-B CH EB6A

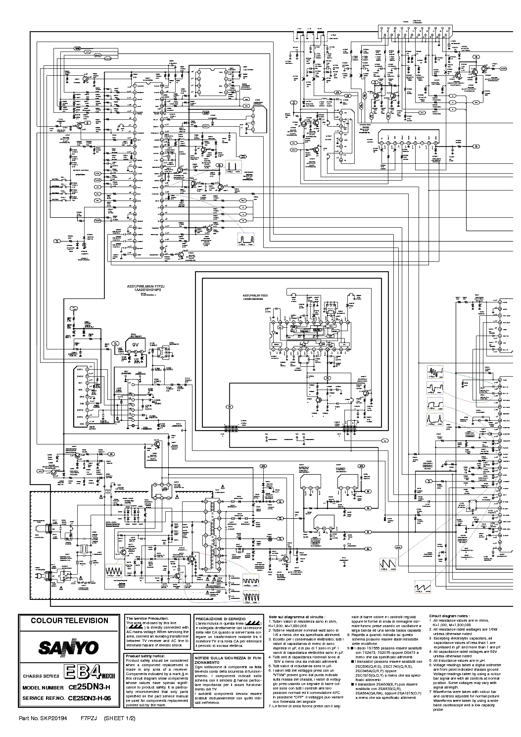
TV - SERVICE MANUAL
Type: (PDF)
Size
103.9 KB
Page
8
Category
TV
SERVICE MANUAL
If you get stuck in repairing a defective appliance download this repair information for help. See below.
Good luck to the repair!

Please do not offer the downloaded file for sell only use it for personal usage!

Looking for similar sanyo manual?
Advertisements
Document preview [1st page]
SANYO CE28WN5-B CH EB6A service manual (1st page)
Preview of SANYO CE28WN5-B CH EB6A [1st page]
Click on the link for free download!
Document preview [2nd page]
SANYO CE28WN5-B CH EB6A service manual (2nd page)
Preview of SANYO CE28WN5-B CH EB6A [2nd page]
Click on the link for free download!
Advertisements
Download free of charge (10 files / day):
Download is being processed. Please wait...
Download processing...
  • Also known:
    SANYO CE-28WN-5B CH EB-6A CE28WN5B EB6A CE 28 WN EB CE28WN5 CE28WN5-B
  • If you have any question about repairing write your question to the Message board. For this no need registration.
  • If the site has helped you and you also want to help others, please Upload a manual, circuit diagram or eeprom that is not yet available on the site.
    Have a nice Day!
  • See related repair forum topics below. May be help you to repair.
Warning!
If you are not familiar with electronics, do not attempt to repair!
You could suffer a fatal electrical shock! Instead, contact your nearest service center!

Note! To open downloaded files you need acrobat reader or similar pdf reader program. In addition, some files are archived,
so you need WinZip or WinRar to open that files. Also some files are djvu so you need djvu viewer to open them.
These free programs can be found on this page: needed progs
If you use opera you have to disable opera turbo function to download file!
If you cannot download this file, try it with CHROME or FIREFOX browser.
Translate this page:
Relevant TV forum topics:
Sanyo HA2-A28 sasszé
Jó napot mindenkinek! Ezt most hozták, bár már nyáron villám csapott volt.Először nem is hittem,de a szétszedés után kiderült hogy igazat mondhattak. Rendes kis szikranyom van a D610 optón alul. Az ÍC631 szétrobbant, a Q611 és a Q612 szétrobbant , a Q613 zárlatos.Rajz alapján a Q611 nem beazonosítható, mert a pozíció mellett csak annyi van, AB. Annyi látszik hogy pnp tranzisztor de nincs tipus. Milyen típusú tranzisztor való oda? Jól jönne egy kis segítség, bár nem igen fogják kérni, de jó lenne konkrétumot mondanom. üdv. dínó
diagrama tv sanyo chassis CTI-A7S
buenas noche colega, llego al taller  un tv marca sanyo modelo AVH2557 , no enciende. con resistencia totalmente calcinada, localizada en la tarjeta impresa Chassis CTI-A7S en la R007 en su posibilidades el que lo pueda facilitar para ubicar el valor de la resistencia Gracias Buenas Noche!.
Sanyo EC7-C CE14AT3C nem indul,a táp led 3 at villog periódikusan.
Szevasztok Van itt ez a tv,a sortranzisztorát már kiveséztük,tehát bekapcskor,eggyet fütyent,mintha indulna,de rögtön le is áll,a led 3 at pislog ,scoppal nézve van inditás,kollektorán,10nanós,0039 es cserélve.
Sanyo EB7-B28 dump
Udv nektek Egy Sanyo CE28DN8/EB7_B28 sasszi-hoz kene segitsetek egy dumppal.Be van kekulve es elment a kepmerete.Kergetem egy par oraja,de semmi. Koszi:Tamilaci59
Similar manuals:
If you want to join us and get repairing help please sign in or sign up by completing a simple electrical test
or write your question to the Message board without registration.
You can write in English language into the forum (not only in Hungarian)!

E-Waste Reduce