Service manuals, schematics, eproms for electrical technicians

SANYO VHR-330EV VHR-330ES VHR-330 VCR SM

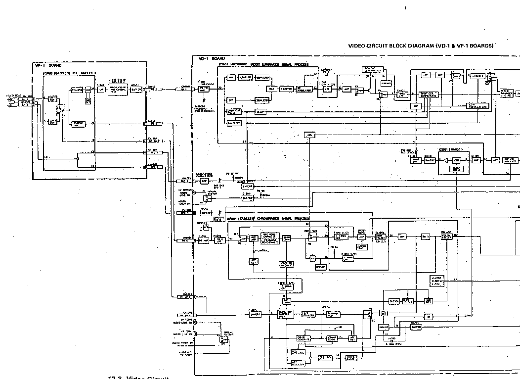
VIDEO-DVD - SERVICE MANUAL
Type: (RAR)
Size
3.3 MB
Page
---
Category
VIDEO-DVD
SERVICE MANUAL
If you get stuck in repairing a defective appliance download this repair information for help. See below.
Good luck to the repair!

Please do not offer the downloaded file for sell only use it for personal usage!

Looking for similar sanyo manual?
Document preview [1st page]
No preview item


No preview item for this file.

Possible causes:
  • No preview picture generated yet.
  • It is not a pdf file.
Advertisements
Download free of charge (10 files / day):
Download is being processed. Please wait...
Download processing...
  • Also known:
    SANYO VHR-330EV VHR-330ES VHR-330 VHR330EV VHR330ES VHR330 VCR VHR 330 EV ES 330EV 330ES
  • If you have any question about repairing write your question to the Message board. For this no need registration.
  • If the site has helped you and you also want to help others, please Upload a manual, circuit diagram or eeprom that is not yet available on the site.
    Have a nice Day!
  • See related repair forum topics below. May be help you to repair.
Warning!
If you are not familiar with electronics, do not attempt to repair!
You could suffer a fatal electrical shock! Instead, contact your nearest service center!

Note! To open downloaded files you need acrobat reader or similar pdf reader program. In addition, some files are archived,
so you need WinZip or WinRar to open that files. Also some files are djvu so you need djvu viewer to open them.
These free programs can be found on this page: needed progs
If you use opera you have to disable opera turbo function to download file!
If you cannot download this file, try it with CHROME or FIREFOX browser.
Translate this page:
Relevant VIDEO-DVD forum topics:
Sanyo VHR-H774 video SAFE-t ír ki, hogyan lehet feloldani?
sziasztok: telefonon kérdezték, Sanyo VHR-H774 video SAFE-t ír ki, hogyan lehet feloldani? Táv már nincs hozzá. Bálint
1SS244 dióda helyettesítése Sanyo VHR-5100EE készülékben. (megoldva)
Sziasztok!
Ismerős ismerősének a szomszédjának ismerőse hozta ezt a készüléket. "Szokásos" módon ette meg a kifolyt kondi a többi alkatrészt, így a nevezett diódát is. Nagyon régen nem volt már kezeim közt ilyen video, egyszerűen nem rémlik milyen diódákat raktam ezek helyett.. valaki esetleg emlékszik rá melyik 1N(?).. jó oda?
Köszönettel: Kiss Z.
4 fejes SANYO videófejdob alá tekercses rész keresése
Üdvözletem! Lenne valakinek esteleg 4 fejes SANYO Hi-Fi videófejdob alá a forgó részen lévő tekercses rész? (Ennél a típusnál LP-ben nincs kép csak hang.) A 6 fejesé nem jó, azon sűrűbben vannak a hurkok. Esetleg a 4 fejes monónál ugyanilyen lehet a fej alatt? Sajnos a tekercselés ragasztása megadta magát. Pillanatragasztó sem akarta rendesen megfogni. Ilyen fej alá kellene: https://ishop.aswo.com/aswoShop/api/ShowArticleDetails?articleNo=287722&deviceNo=29287 SIEMENS FM608-ban lakik. Köszönöm előre is: Károly
Similar manuals:
If you want to join us and get repairing help please sign in or sign up by completing a simple electrical test
or write your question to the Message board without registration.
You can write in English language into the forum (not only in Hungarian)!

E-Waste Reduce