Service manuals, schematics, eproms for electrical technicians

SCHAUB-LORENZ POLO-T40L 1963 SCH

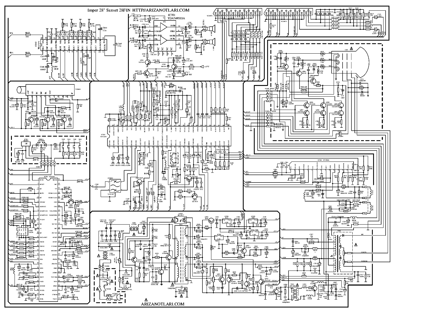
AUDIO - SERVICE MANUAL
Type: (PNG)
Size
288.7 KB
Page
---
Category
AUDIO
SERVICE MANUAL
If you get stuck in repairing a defective appliance download this repair information for help. See below.
Good luck to the repair!

Please do not offer the downloaded file for sell only use it for personal usage!

Looking for similar schaub manual?
Document preview [1st page]
No preview item


No preview item for this file.

Possible causes:
  • No preview picture generated yet.
  • It is not a pdf file.
Advertisements
Download free of charge (10 files / day):
Download is being processed. Please wait...
Download processing...
  • Also known:
    POLOT-40L POLOT40L 1963 POLOT 40 SCHAUB LORENZ POLO T40L POLO-T40L
  • If you have any question about repairing write your question to the Message board. For this no need registration.
  • If the site has helped you and you also want to help others, please Upload a manual, circuit diagram or eeprom that is not yet available on the site.
    Have a nice Day!
  • See related repair forum topics below. May be help you to repair.
Warning!
If you are not familiar with electronics, do not attempt to repair!
You could suffer a fatal electrical shock! Instead, contact your nearest service center!

Note! To open downloaded files you need acrobat reader or similar pdf reader program. In addition, some files are archived,
so you need WinZip or WinRar to open that files. Also some files are djvu so you need djvu viewer to open them.
These free programs can be found on this page: needed progs
If you use opera you have to disable opera turbo function to download file!
If you cannot download this file, try it with CHROME or FIREFOX browser.
Translate this page:
Relevant AUDIO forum topics:
Bluetooth vétel leárnyékolása hogyan?
Hello! Az erősítőmbe be van csatlakoztatva egy BT vevő egység, így ha be van kapcsolva a készülék (akár rádióra), folyamatosan működik a BT is. A mai napon vettem észre, hogy nem tudok rá csatlakozni. Bármikor újraindítom, egyből a csatlakoztatva szöveget mondja, így valamelyik szomszéd garázdálkodik a készüléken (és akkor csatlakozhatott rá, amikor rádiót hallgattam és nem hallottam, hogy csatlakozott). Mivel az ilyen egységeken csatlakozási kód nincs, így bárki bármikor bitorolhatja. Már próbáltam fém pénzkazettába tenni a készüléket (leárnyékolni), de abban is azonnal csatlakozott, tehát a bitorló közel van 10m-en belül, de BT scannerrel csak egy tévé látható és több névtelen távolabb. Hogyan tudnám visszavenni az érzékenységét átmenetileg annyira, hogy én tudjak rá csatlakozni? Amint valaki csatlakozik rá, már nem látható elérhető eszközök között. Tegnap a telefonomra is próbált valaki csatlakozni, így nem kizárt hogy a most átmenetileg kocsiból kiszedett BT vevőt is párosítják és többé azt se tudom majd itthon használni. Szóval ilyenek ellen hogyan lehet védekezni és most hogy tudnám leválasztani őket zavarással, bármivel.
Roland VA-5 tápegység nem működik (Megoldva)
Sziasztok!
Az említett hangszer kapcsoló üzemű tápját próbálom javítani,áram alá helyezve halk ciccegő hangja volt
A kimeneti feszültségek nem vagy csak csökkenve voltak meg. Kondikat kicseréltem,most nem cicceg, egyik részén visszatért az 5V ami terhelésre is stabil,de van ahol terheletlenül 5V terhelve 0 ra esik.
Lenni kéne 17 , +-12 ,és 5V nak a csatikban. A rossz oldalon a kapcsoló alkatrészt(KA1M0680)is cseréltem, de nem lett jó.
Az ötleteket megköszönném!
Videoton FH10 fejhallgató restaurálása,- szétszerelése
Szép napot urak ! Az idősebb szakikat szeretném kérdezni. Hozzám került a címben említett füles. -----Valahogy vonzódom a régi magyar dolgokhoz. Szép állapotban van ,de valószinüleg a kora miatt , azért van baja. A mágnes mozog a házikójában, gondolom ragasztva lehetett. A fülpárnát le tudtam szedni , ez olyan elfordítom leemelem módszerrel jön le. A szivacs már elporladt benne, azt pótoltam . A membránt azonban nem tudom leszedni ,erőltetni nem akartam első körben. Ezt azért kellene kivenni, hogy vissza tudjam ragasztani a mágnest. Köszönök minden hozzászólást előre is !
PIONEER ERŐSÍTŐ MODEL A-22
ÜDV MINDENKINEK! a fent említett erősítő került hozzám javításra,házibuli során el füstölt! végfok tranyókat mind ki vettem ki mértem mind jó! át mértem szinte minden ellenálást nincs szkadás sehol biztosíték is jó bekapcsolom és semmi életjel a hálózati trafója égett le 220-at fel veszi de primér oldalon semmi nem jön ki és abba szeretnék segítséget kérni hogy mijen trafót tudnák bele hejettesíteni mert nem tudom hogy mekkora feszültség jóhetett ki rajta a puffer elkók 6800uF 56V -osak nem távos! 2X hány voltos lehetett a trafója?? fel teljesítménye 260W.minden segítséget szivesen fogadok!!
Similar manuals:
If you want to join us and get repairing help please sign in or sign up by completing a simple electrical test
or write your question to the Message board without registration.
You can write in English language into the forum (not only in Hungarian)!

E-Waste Reduce