Service manuals, schematics, eproms for electrical technicians

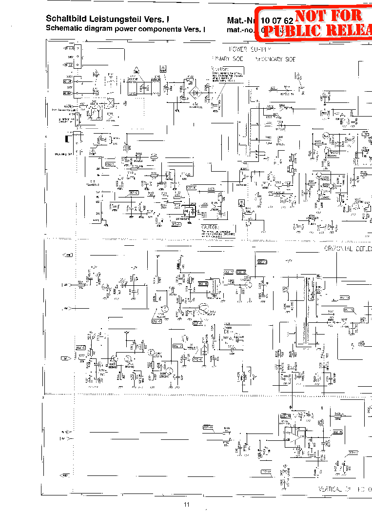
SCHNEIDER STV3662 SCH

TV - SERVICE MANUAL
Type: (PDF)
Size
505.2 KB
Page
4
Category
TV
SERVICE MANUAL
If you get stuck in repairing a defective appliance download this repair information for help. See below.
Good luck to the repair!

Please do not offer the downloaded file for sell only use it for personal usage!

Looking for similar schneider manual?
Advertisements
Document preview [1st page]
SCHNEIDER STV3662 SCH service manual (1st page)
Preview of SCHNEIDER STV3662 SCH [1st page]
Click on the link for free download!
Document preview [2nd page]
SCHNEIDER STV3662 SCH service manual (2nd page)
Preview of SCHNEIDER STV3662 SCH [2nd page]
Click on the link for free download!
Advertisements
Download free of charge (10 files / day):
Download is being processed. Please wait...
Download processing...
  • Also known:
    SCHNEIDER STV-3662 STV3662 STV 3662
  • If you have any question about repairing write your question to the Message board. For this no need registration.
  • If the site has helped you and you also want to help others, please Upload a manual, circuit diagram or eeprom that is not yet available on the site.
    Have a nice Day!
  • See related repair forum topics below. May be help you to repair.
Warning!
If you are not familiar with electronics, do not attempt to repair!
You could suffer a fatal electrical shock! Instead, contact your nearest service center!

Note! To open downloaded files you need acrobat reader or similar pdf reader program. In addition, some files are archived,
so you need WinZip or WinRar to open that files. Also some files are djvu so you need djvu viewer to open them.
These free programs can be found on this page: needed progs
If you use opera you have to disable opera turbo function to download file!
If you cannot download this file, try it with CHROME or FIREFOX browser.
Translate this page:
Relevant TV forum topics:
schneider stv 9470.1 sorkimenő hiba
SZIASZTOK. A fenti készülék sorkimenő hibás (áthuz),a sorkimenőn nem látni a gyári számot ezért kérnék segitséget a beazonositásához. A készülék hátlapján ez a felirat van: SCHNEIDER STV9470.1 DTV 3.1-70312/P A segitséget előre is köszi.
Schneider LDT 82-100HD lcd tévé függőlegesen csíkozik
Sziasztok! A címbeli lcd tévé a linken látható képet produkál.Mi lehet a problem? T-con? Köszi. http://kepfeltoltes.hu/140426/DSC_0570_www.kepfeltoltes.hu_.jpg
Schneider TV28m121 TV1003.9 sasszi megbolondult
Sziasztok! A címben említett gép megbolondult. Bekapcsol van kép majd különböző hibák jelentkeznek, elmegy a hang, vagy a kép, lefagy, nem hangolható, idönként önmagától kikapcsol, majd nem lehet bekapcsolni. Álltalában resetálás után működik egy darabig, de teljesen bizonytalan. EEpromot cseréltem de nem segített. Amikor jó az egyenfeszek jók. Tapasztalat valakinek a géppel? 100hz-es nem tv17 "FONTOS! Olyan fórum téma nevet válassz, ami beszédes, minél pontosabban illeszkedik arra, amivel kapcsolatban írsz. Egy lehetséges jó elnevezés pl: ORION LCD PT26S chassis 17MB12-2, a tápja nem indul Az nem elég, hogy pl: "LG LCD-TV" vagy "HP laptop" és hasonlóak. Illetve érdektelen, nem releváns információt se tartalmazzon a cím! A helytelenül elnevezett topik felfüggesztésre, majd 48 óra után törlésre kerül! Felfüggesztett állapotban nem tudnak mások addig hozzászólni, amíg ki nem javítod a címet. A hibás cím utólagos javítása (48 órán belül) a "Szerkesztés" fülre kattintva végezhető el."
Schneider screenland 23M901
Sziasztok! A fenti típusú LCD TV/Monitor készülékkel adódott az a hibajelenség, hogy készenlétből be tudom kapcsolni, a készülék kijelzőjén megjelenik egy bootolási csík. Amíg működött az éledési folyamat végén megjelent a kép, most sajnos lekapcsol a háttérvilágítás és készenlétbe áll vissza. Az éledési folyamat végén, amíg nem kapcsol le a háttérvilágítás a távirányítóval pl a bemenetválasztó menü is feljön. Tápfeszültségek rendben vannak, megvilágító cső hibájára gyanakszom, de sajnos ilyen hosszú próbacsővel nem rendelkezem. Hogyan tudnék megbizonyosodni a csőhibáról? Minden segítséget előre is megköszönök! Bagoly69
Similar manuals:
If you want to join us and get repairing help please sign in or sign up by completing a simple electrical test
or write your question to the Message board without registration.
You can write in English language into the forum (not only in Hungarian)!

E-Waste Reduce