Service manuals, schematics, eproms for electrical technicians

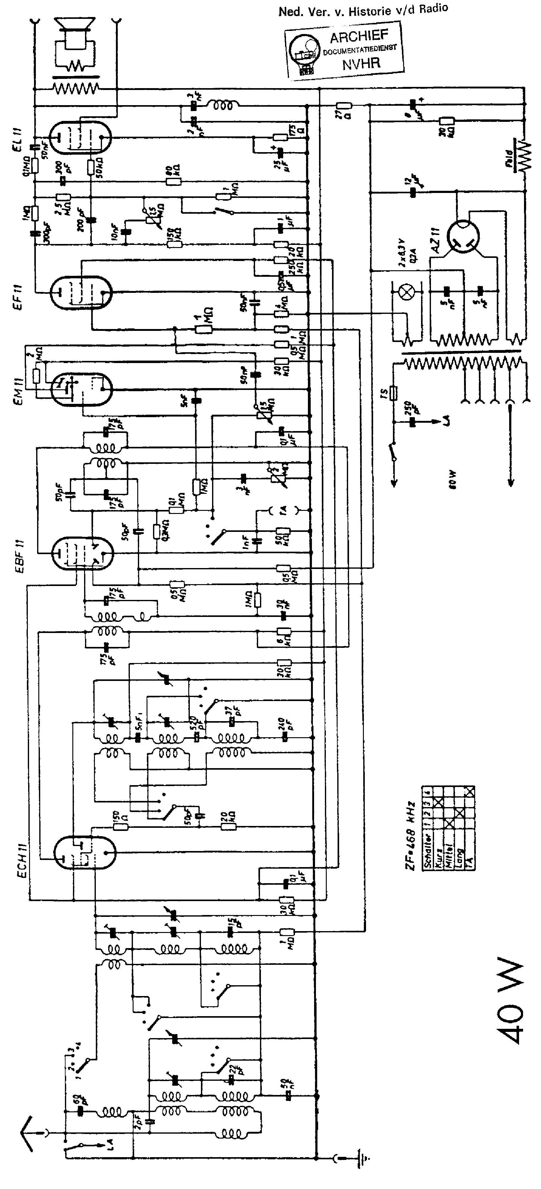
SIEMENS E311 PROFESSIONAL RECEIVER 1959 SM

AUDIO - SERVICE MANUAL
Type: (PDF)
Size
178.8 KB
Page
5
Category
AUDIO
SERVICE MANUAL
If you get stuck in repairing a defective appliance download this repair information for help. See below.
Good luck to the repair!

Please do not offer the downloaded file for sell only use it for personal usage!

Looking for similar siemens manual?
Advertisements
Document preview [1st page]
SIEMENS E311 PROFESSIONAL RECEIVER 1959 SM service manual (1st page)
Preview of SIEMENS E311 PROFESSIONAL RECEIVER 1959 SM [1st page]
Click on the link for free download!
Document preview [2nd page]
SIEMENS E311 PROFESSIONAL RECEIVER 1959 SM service manual (2nd page)
Preview of SIEMENS E311 PROFESSIONAL RECEIVER 1959 SM [2nd page]
Click on the link for free download!
Advertisements
Download free of charge (10 files / day):
Download is being processed. Please wait...
Download processing...
  • Also known:
    SIEMENS E-311 RECEIVER E311 1959 311
  • If you have any question about repairing write your question to the Message board. For this no need registration.
  • If the site has helped you and you also want to help others, please Upload a manual, circuit diagram or eeprom that is not yet available on the site.
    Have a nice Day!
  • See related repair forum topics below. May be help you to repair.
Warning!
If you are not familiar with electronics, do not attempt to repair!
You could suffer a fatal electrical shock! Instead, contact your nearest service center!

Note! To open downloaded files you need acrobat reader or similar pdf reader program. In addition, some files are archived,
so you need WinZip or WinRar to open that files. Also some files are djvu so you need djvu viewer to open them.
These free programs can be found on this page: needed progs
If you use opera you have to disable opera turbo function to download file!
If you cannot download this file, try it with CHROME or FIREFOX browser.
Translate this page:
Relevant AUDIO forum topics:
Siemens RP 777 nem kapcsol be, alkatrész azonosítás (előerősítő Hi-fi) (MEGOLDVA)
Sziasztok! Került hozzám ez a nagyon régi Hi-Fi-s darab javításra. Alkatrészről szeretnék meg tudni valamit hogy mi ez egyáltalán, neve D313. Tokozás: TO-220 Van még egy FS 7805 M jelű stab IC az "M" mit jelöl? szintén TO-220 tokban A segítséget előre is köszönöm! A hiba 7805 stab Ic zárlata okozta, csere után a készülék bekapcsol és köszöni szépen jól van :) Üdv Stewe
Siemens Club RM 818 rádiósmagnó hangerő szabályozási hiba.
Van egy Siemens  rádiósmagnó, melynek a következő a hibajelensége: A hangerőt föltekerve a balansz potméter rendesen szabályozza a kétoldali hangerőt. Amikor a hangerőt teljesen letekerem minimumra, akkor a bal oldali hangszórót rendesen elnémítja, viszont a jobb oldali hangszóró még mindig szól de halkan: A   jobb oldali hangszóró hangját ilyenkor csak a Balansz potméter Balra tekerésével lehet elnémítani. Előre is köszönöm a segítséget. Üdv Szabolcs.
Siemens E . N.r . : RG 359 S8 rádió-óra elhallgatott . Talán az egyik IC ? - Vissza adva .
Sziasztok ! Adott a címben szereplő sztereó rádió és óra . A költözködés során valamilyen sérülés érte . A rádió elhallgatott .Az erősítő működik .A hangerő szabályzó potihoz érintve a csavarhúzót búg mindkét csatorna . Az eddig kiválóan működő rádióban úgy tűnik , hogy egy IC elromlott . A Katt ide topikba föltettem a kapcsrajz keresést . Megpróbálok fotót ide föltenni a kérdéses IC-ről! Előre is köszönöm a segítségeteket . Üdv varga jano
Siemens RK770 rádió antenna jack
Kedves Hölgyek, Urak!

Van nekem egy tárgybeli rádióm, és szeretnék külső antennát kötni rá RH vételhez. Ez egyszerűen hangzik mivelhogy egy 3.5mm-es 3 pólusú jack a bemenet, csakhogy ránézve a rajzra erőt vett rajtam a tanácstalanság. A szervizkönyvet olvasva úgy tűnik a jack közéspő kontaktusa (úgy is mint TP1) a tényleges antenna bemenet de hiába nézem jobbról nézem balról nem értem mi az a kavarás körülötte és mire jó a harmadik (a csúcs) kontaktus? Mi történik ott? A rajz bal felső sarkánál.

Teljes szervizkönyv pdf itt.

Köszönöm,

Attila
Similar manuals:
If you want to join us and get repairing help please sign in or sign up by completing a simple electrical test
or write your question to the Message board without registration.
You can write in English language into the forum (not only in Hungarian)!

E-Waste Reduce