Service manuals, schematics, eproms for electrical technicians

SIEMENS SZUPER 442T SCH

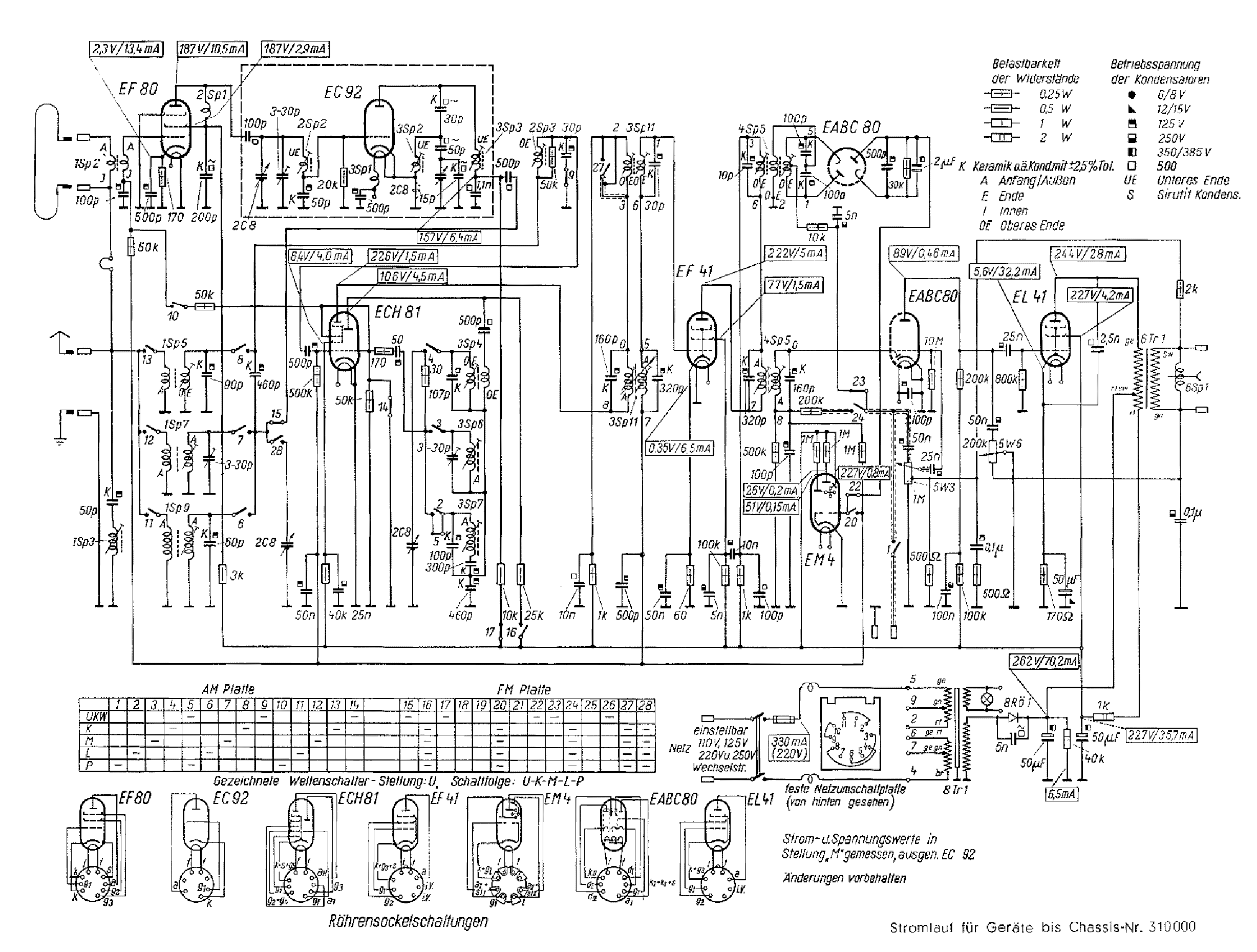
AUDIO - SERVICE MANUAL
Type: (RAR)
Size
1.3 MB
Page
---
Category
AUDIO
SERVICE MANUAL
If you get stuck in repairing a defective appliance download this repair information for help. See below.
Good luck to the repair!

Please do not offer the downloaded file for sell only use it for personal usage!

Looking for similar siemens manual?
Document preview [1st page]
No preview item


No preview item for this file.

Possible causes:
  • No preview picture generated yet.
  • It is not a pdf file.
Advertisements
Download free of charge (10 files / day):
Download is being processed. Please wait...
Download processing...
  • Also known:
    SIEMENS SZUPER 442T 442
  • If you have any question about repairing write your question to the Message board. For this no need registration.
  • If the site has helped you and you also want to help others, please Upload a manual, circuit diagram or eeprom that is not yet available on the site.
    Have a nice Day!
  • See related repair forum topics below. May be help you to repair.
Warning!
If you are not familiar with electronics, do not attempt to repair!
You could suffer a fatal electrical shock! Instead, contact your nearest service center!

Note! To open downloaded files you need acrobat reader or similar pdf reader program. In addition, some files are archived,
so you need WinZip or WinRar to open that files. Also some files are djvu so you need djvu viewer to open them.
These free programs can be found on this page: needed progs
If you use opera you have to disable opera turbo function to download file!
If you cannot download this file, try it with CHROME or FIREFOX browser.
Translate this page:
Relevant AUDIO forum topics:
Siemens RG359 S8 típusú rádiós ébresztő URH sávon nem működik. Megoldva.
Hellótok! Van egy Siemens RG359 S8 típusú rádiós ébresztőórás kombi eszköz. Minden jól működik, kivéve az URH sáv. Hiába viszem végig a teljes skálán a keresőt, csak a fehér zaj hallatszik a hangszórókban. Középhullámon is jól üzemel. Az URH IC benne AN7205. Nem találtam róla semmilyen kapcsolási rajzot. Van esetleg valakinek ötlete, hogy merre induljak? Köszönettel:szuts
Siemens Club RM 818 rádiósmagnó hangerő szabályozási hiba.
Van egy Siemens  rádiósmagnó, melynek a következő a hibajelensége: A hangerőt föltekerve a balansz potméter rendesen szabályozza a kétoldali hangerőt. Amikor a hangerőt teljesen letekerem minimumra, akkor a bal oldali hangszórót rendesen elnémítja, viszont a jobb oldali hangszóró még mindig szól de halkan: A   jobb oldali hangszóró hangját ilyenkor csak a Balansz potméter Balra tekerésével lehet elnémítani. Előre is köszönöm a segítséget. Üdv Szabolcs.
Siemens rv 660 erősítő végfok hiba
Hozzám került egy Siemens RV660 erősítő végfok hibával. Sajnos nem találok róla semmi infót, sem rajzot.
A mérések alapján a tápfeszek megvannak, A hangerő szabályozó és hangszínszabályozó után még van jel a szkópon.Eljut egy duál FET-ig, de nem megy tovább.A duálFET típusa 2SK150. 2-2 fettel helyettesítettem, de nem OK. Minden tipp jól jön, egy rajz jobb lenne. Köszönettel: Myckie
Siemens RV688
Üdv. A fenti erősítő rajzát keresem.Amennyiben vkinek megvan ne fogja vissza magát.Köszi
Similar manuals:
If you want to join us and get repairing help please sign in or sign up by completing a simple electrical test
or write your question to the Message board without registration.
You can write in English language into the forum (not only in Hungarian)!

E-Waste Reduce