Service manuals, schematics, eproms for electrical technicians

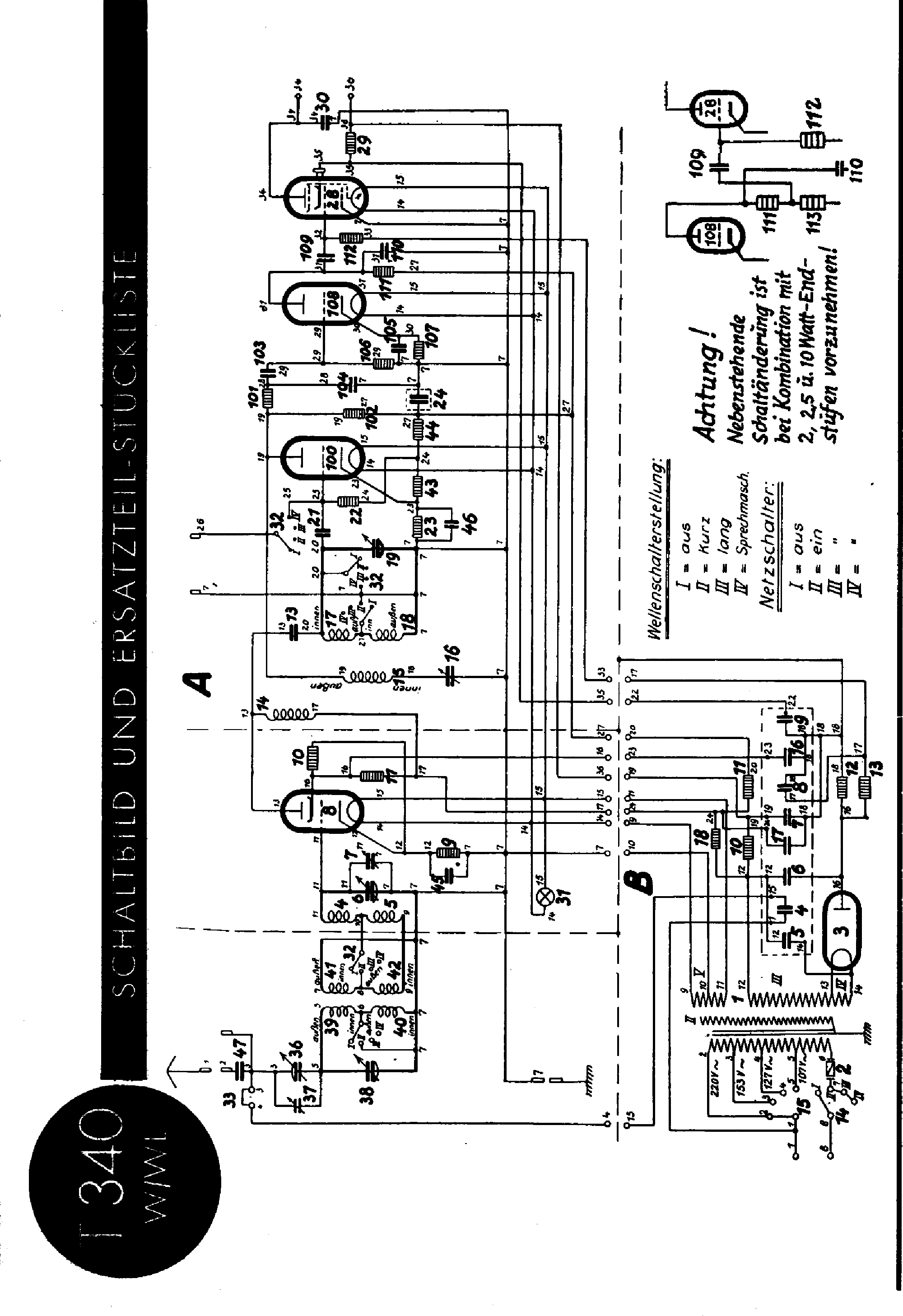
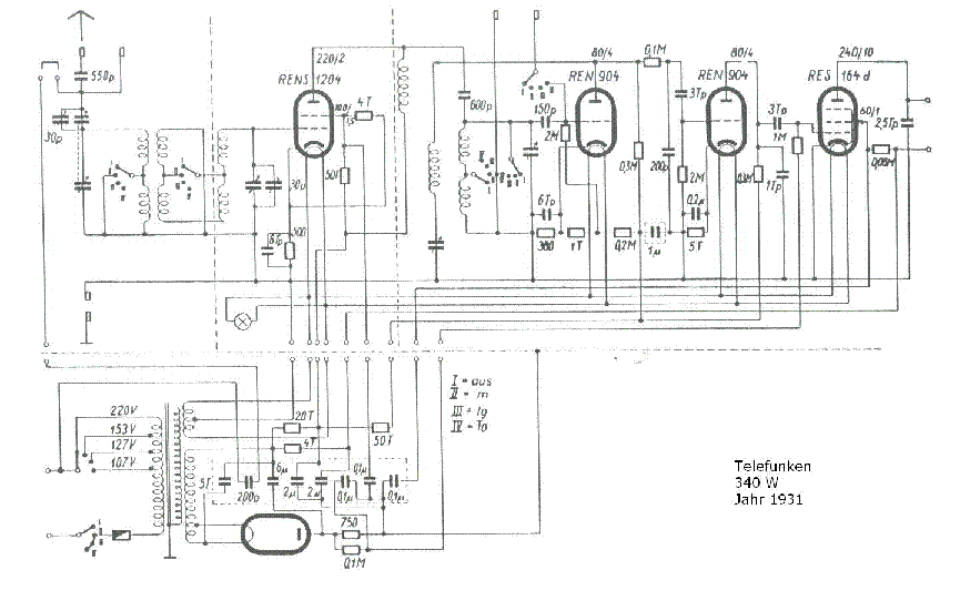
TELEFUNKEN E127 KW4 1,5-30,1MHZ COMMUNICATIONS RECEIVER IN GERMAN SM

AUDIO - SERVICE MANUAL
Type: (ZIP)
Size
19.8 MB
Page
---
Category
AUDIO
SERVICE MANUAL
If you get stuck in repairing a defective appliance download this repair information for help. See below.
Good luck to the repair!

Please do not offer the downloaded file for sell only use it for personal usage!

Looking for similar telefunken manual?
Document preview [1st page]
No preview item


No preview item for this file.

Possible causes:
  • No preview picture generated yet.
  • It is not a pdf file.
Advertisements
Download free of charge (10 files / day):
Download is being processed. Please wait...
Download processing...
  • Also known:
    TELEFUNKEN E-127 RECEIVER IN GERMAN E127 KW4 530 1MHZ 127 KW MHZ 30 5-30
  • If you have any question about repairing write your question to the Message board. For this no need registration.
  • If the site has helped you and you also want to help others, please Upload a manual, circuit diagram or eeprom that is not yet available on the site.
    Have a nice Day!
  • See related repair forum topics below. May be help you to repair.
Warning!
If you are not familiar with electronics, do not attempt to repair!
You could suffer a fatal electrical shock! Instead, contact your nearest service center!

Note! To open downloaded files you need acrobat reader or similar pdf reader program. In addition, some files are archived,
so you need WinZip or WinRar to open that files. Also some files are djvu so you need djvu viewer to open them.
These free programs can be found on this page: needed progs
If you use opera you have to disable opera turbo function to download file!
If you cannot download this file, try it with CHROME or FIREFOX browser.
Translate this page:
Relevant AUDIO forum topics:
Telefunken RR100 rádióerősítőnek nincs hangja. Megoldva.
Szevasztok Kollégák! A fentinek azért nincs hangja, mert nem húz be a RELAY401 24V-os hangszóró kapcsoló relé, illetve tetszése szerint időnként igen. Vagy, ha jó sokáig bekapcsolva hagyom, akkor mégis behúz a relé. Ezt a készüléket már javítottam 2007-ben, akkor is ezzel az áramköri résszel volt hiba. Akkor valahonnan találtam rajzot hozzá, csak nem írtam fel, hogy hol találtam, azóta verem a fejem a falba, hogy nem lehetek ennyire.... A rajzokat pedig össze szoktam gyűjteni, és most nem ezt tettem, azt gondoltam úgy is megtalálom könnyen. Jó volna az eredeti állapotot visszaállítani, ehhez pedig kellene egy rajz. A rajzzal kapcsolatos kérésemet feltettem tegnap a Keresett anyagok listájára. Valami pici, olvashatatlan méretű rajzot itt találtam róla: http://www.radiomuseum.org/r/telefunken_rr100rr_10.html Esetleg ezt a rajzot elő lehetne varázsolni teljes méretében, de nem jöttem rá a mikéntjére. Ha valakinek nem lenne ismeretlen a téma, kérem, hogy legyen szíves segíteni. Előre is megköszönöm. Üdv.: Pista. P.S.: A benne talált IC-k, a lista nem teljes, csak amiket le lehetett olvasni: IC401 STK463; IC301 HA12017; IC102 LA3350; IC101 TDA1047; IC201 TDA1046; IC107 M51903L; IC? TA7317P.
telefunken retro hangszóró trafóval, elektroncsővel, eladóvá vált!
Szép estét mindenkinek! Szét kellett néznem a padláson, egyéb retro cuccok után kutatva és leltem egy nagyon retro hangszórót a saját dobozában ez olvasható le róla: Telefunken 109295 a lentiben nem vagyok biztos de valami hasonló : Fl L298 Sajnos ez még az internet előtti időből származik nem találtam hozzá semmi különöset ... kíváncsi lennék az előéletére hogy mire használták
Telefunken HA 870 Erősítő táp hiba és következményei! MEGOLDVA!
Sziasztok!

Segítségeteket kérem, mert nem boldogulok a fent említett készülékkel.
A hiba aképp kezdődött, hogy a készülékben meghalt a 7815-ös fesz. stabilizátor, ami kissé tüzesre van terhelve ebben a gépben. Kicseréltem, kapott plusz hűtőbordát is. Mivel a fesz. megemelkedett, halálba küldte IC 302-t és valószínűleg 301-et is. Mindkét alkatrészt kicseréltem. Az erőlködő innentől már bekapcsolt és reagált a bemenetválasztó kapcsolókra! Happy.... de mégse. Sajnos a jel nem jut el a bemenetválasztóról a Műpécé meghajtó ic-ig. A Műpécére jelet adva a végfok szól, tehát a védelmen is átmegy a jel, az nem szivathat. A hiba a bemenetválasztó és a Műpécé közt lehet valahol... IC 106-107-108-at cseréltem NE 5532-re, hátha az eredeti 6556-osok haltak meg, de sajnos semmi változás... Van valakinek ötlete esetleg?
Telefunken Concerto Hi-Fi 101 asztali rádió rajzát keresm,megoldva köszönöm
Sziasztok. A fentnevezett rádiót nemrég kaptam. Kisebb kontakthibáktól eltekintve működik,csak szerintem kicsi az érzékenysége(egy Videoton Kleopátra helyére került). Szeretném eltolni a vételi lehetőségét, a jelenlegi 104 MHz-től 108 MHz-ig, ha lehet. A radiomuseum.org linken megtaláltam a leírását és a rajz is megvan,csak nem tudom letölteni. Ha valaki tudja hogyan lehet letölteni, vagy tag ezen az oldalon és tud segíteni megköszönöm. A rajzokat megkaptam köszönöm a gyors segítséget,remélem boldogulok a rádióval is. "Rajzot, service manualt, jobbra a "Keresem/WANTED" doboz "KATT IDE" gombján keresztül kérj!"
Similar manuals:
If you want to join us and get repairing help please sign in or sign up by completing a simple electrical test
or write your question to the Message board without registration.
You can write in English language into the forum (not only in Hungarian)!

E-Waste Reduce