Service manuals, schematics, eproms for electrical technicians

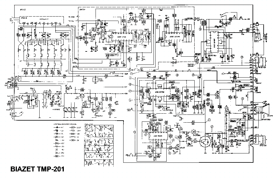
BIAZET 2102S SCH

TV - SERVICE MANUAL
Type: (ZIP)
Size
824.3 KB
Page
---
Category
TV
SERVICE MANUAL
If you get stuck in repairing a defective appliance download this repair information for help. See below.
Good luck to the repair!

Please do not offer the downloaded file for sell only use it for personal usage!

Looking for similar biazet manual?
Document preview [1st page]
No preview item


No preview item for this file.

Possible causes:
  • No preview picture generated yet.
  • It is not a pdf file.
Advertisements
Download free of charge (10 files / day):
Download is being processed. Please wait...
Download processing...
  • Also known:
    BIAZET 2102S 2102
  • If you have any question about repairing write your question to the Message board. For this no need registration.
  • If the site has helped you and you also want to help others, please Upload a manual, circuit diagram or eeprom that is not yet available on the site.
    Have a nice Day!
  • See related repair forum topics below. May be help you to repair.
Warning!
If you are not familiar with electronics, do not attempt to repair!
You could suffer a fatal electrical shock! Instead, contact your nearest service center!

Note! To open downloaded files you need acrobat reader or similar pdf reader program. In addition, some files are archived,
so you need WinZip or WinRar to open that files. Also some files are djvu so you need djvu viewer to open them.
These free programs can be found on this page: needed progs
If you use opera you have to disable opera turbo function to download file!
If you cannot download this file, try it with CHROME or FIREFOX browser.
Translate this page:
Relevant TV forum topics:
Érdemes e használt lcd tvt venni
Szevasztok Felajánlottak egy FUNAY lcd tvt eladásra,ne kérdezzétek hogy pontoson milyen a tipusa,mert nem néztem meg. 3éves,nincs benne dvbt,semmi hiba nincs a kijelzőn,olyan50 ezerbe kerülne átszámolva forintra,szépen mutat. Nem tudom mit szóltk hozzá,lényegében azért tetszik mert jó nagy a kijelzője,már észrevettem sajnos,hogy már a kissebb képernyőre erősen öszpontositanom kell.
Samsung CW-21Z503N torz képszerűség oda nem illő karakterekkel
Szép estét Mindenkinek! A fent nevezett cucc teljesen torz geometria mellett mindenféle hülye karaktereket ír ki. őéÁnynOen9ese-e..... stb. Ráadásul spanyolul vagy pirézül, mert ír fejen álló kérdőjelet is, meg a legtöbb betűnek lefelé valami farka is van. A sorok felül ritkák és visszafutásos is. Av-n felül szétesett sorok, alul szürke. Ha nyomkodom az av-gombot, akkor alul vagy homogén, vagy kicsit zajos, vagy nagyon. Hangerő gombra egy vonal, "UHR" felirattal és csak félig megy, 50-ig. Néha kiírja, hogy "hotel". Kivett memória ic-vel a helyzet mit sem változik. Hatvannégy lábú proccal van szerelve, az a bizonyos egychipes tv. Prochibán, -azaz kuka- van valakinek más tippje? Mostanában bajban vagyok a számokkal... Nem hatvannégy (az a vármegye, ráadásul az meg csak hatvanhárom volt), hanem KILENCVEN.
Philips 28PT 910A/42 FL2.16 AA chassis (Bontásra került)
Sziasztok! A fenti tévével lenne olyan gondom, hogy sokszor bekapcsolás után fehér csíkok futnak a képernyőn, aztán elsötétül. Általában ezt csinálja, ritkán normálisan működik. A paneleket átforrasztgattam, és a tápfeszültségek is megvannak. A rajzot innen töltöttem le hozzá. Mi okozhatja ezt a hibajelenséget? Most például rendesen működik. És a szervizmenüjébe nem tudok bemenni, hiába próbálom a leírás szerint. Üdv Miki
Orion T2155
Szép estét kívánok mindenkinek! Segítségre lenne szükségem: -sportolok egy Orion TV-vel T2155MTX a pontos típusa! A hibajelenség, hogy bekapcsolás után működik ugyan a készülék, de a +B kb 133V -szerintem az sok- a kép széles! Néhány másodperc után pedig elkezd kikapcsolgatni a készülék és automatikusan újra is indul! A tápban állítási lehetőséget nem látok! Gondolom, azzal lesz a baj, csak nem tudom hol!? Esetleg van ennek a készüléknek típus hibája? A segítséget előre is köszönöm! Tibor
Similar manuals:
If you want to join us and get repairing help please sign in or sign up by completing a simple electrical test
or write your question to the Message board without registration.
You can write in English language into the forum (not only in Hungarian)!

E-Waste Reduce