Sziasztok!
Blau 41 autós cd-s rádió a lemezt elnyeli,le is játssza,de nem reagál az eject gombra.Gomb mérve működik rendesen.
Valakinek volt hasonló problémája?
Sziasztok!
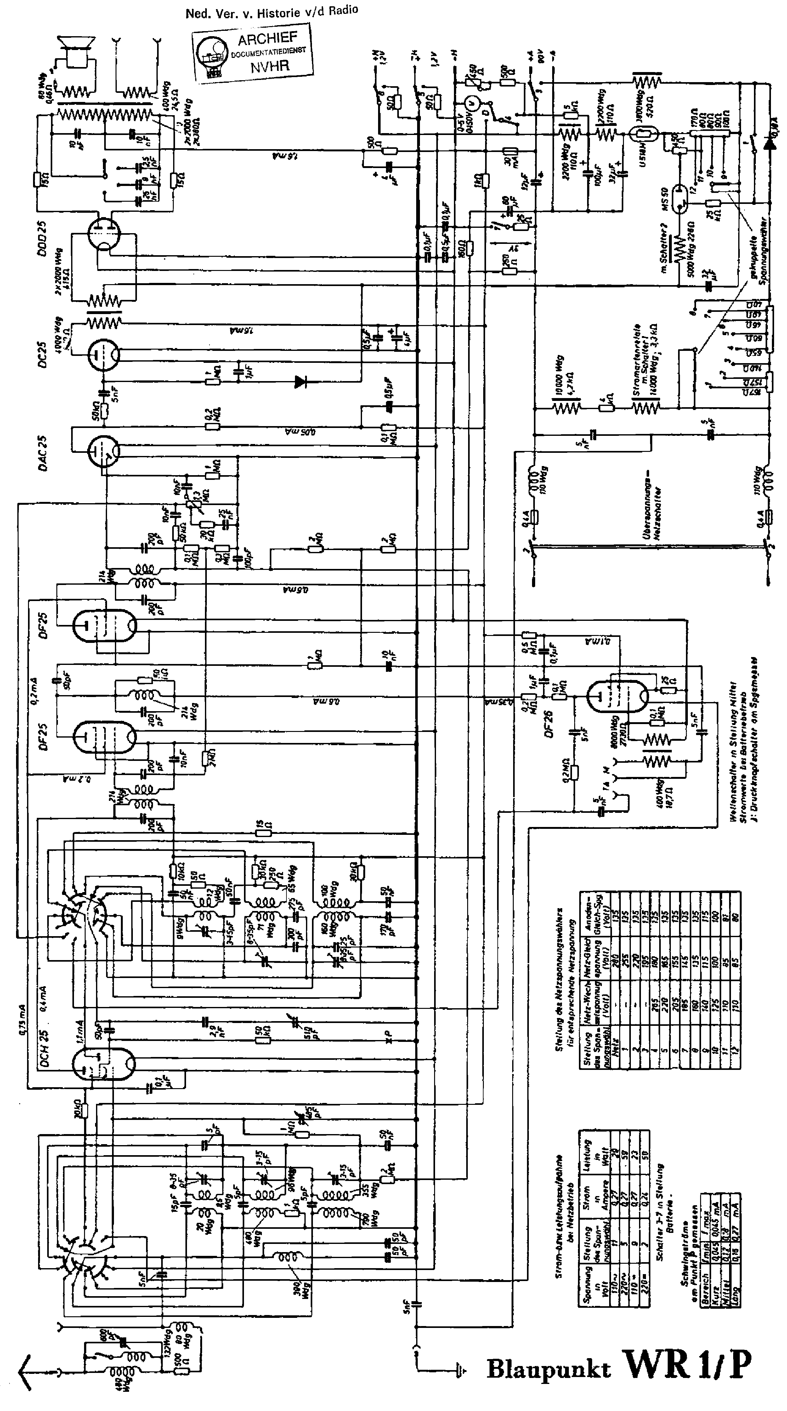
Tegnap hozták hozzám ezt a autós CD lejátszót.
Autómosóban volt az autó és állítólag bepárásodott és azóta nem működik. Rajzot nem sikerült lelnem hozzá.
Méregetések közben egy smd tranzisztora emlékeztető alkatrész van ami nagyon valószínű hogy szakadt. Semmilyen irányba nincs vezető képessége, nem találtam kód alapján semmit róla.
De magán a panelon pozíció szám sem található mellette.
Ha valaki találkozott ezzel a lejátszóval az kérem segítsen ki.
Az alkatrészre 26 van vízszintesen és 40 felirat olvasható függőleges irányba.
Ha netán valaki tudja konkrétan mi a pontos típusa ennek a lejátszónak árulja el nekem.

Üdv Istvan78
Kinlódok ezzel a szutyokkal Blaupunkt Davos RDM169. Végfok csere után baromságokat csinál.Hol megy a végfok hol meg begerjed 130 KHz-en, és qvára melegszik. A hang IC szintén. Az is hol elindul az órajel hol nem, és nagyon melegszik. A tápok jók. A rádió működik, a CD szintén, mindent szabályoz. a kijelző mutatja a hang kivezérlést de nem szól. A végfok nincs letíltva.
Lehet ennek eprom baja?
Kérnék valami ötletet mert én már kifogytam
Kösz István
Tisztelt Urak!
A fenti típusú autórádióba keresnék a képeken látható jeladót. Egy hasonlót találtam, https://www.hqelektronik.hu/info/hu/srgp200200.html aminek a fizikai méretei és a lábkiosztása stimmel, de sajnos a forgatógombot nem tudnám rárakni, mert több pöcök van rajta, mint a kiszemelt encoderen, valamint nem átlátszó a forgórésze, ezért buknám a forgatógomb megvilágítását is.
Sajnos annyi típusinfóm van az eredetiről, ami látszik: 312 Se gyártó, se semmi... Ha valaki tudna az eredetihez beszerzési forrást, kérem ne legyen szégyenlős és ossza meg velem.
Végső esetben barkácsolok, de azt nem nagyon szeretném, mert egy jó ismerősömnek kellene.
Köszönettel:
Gyula