Service manuals, schematics, eproms for electrical technicians

BRAUN 4650W 1949 SCH

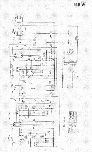
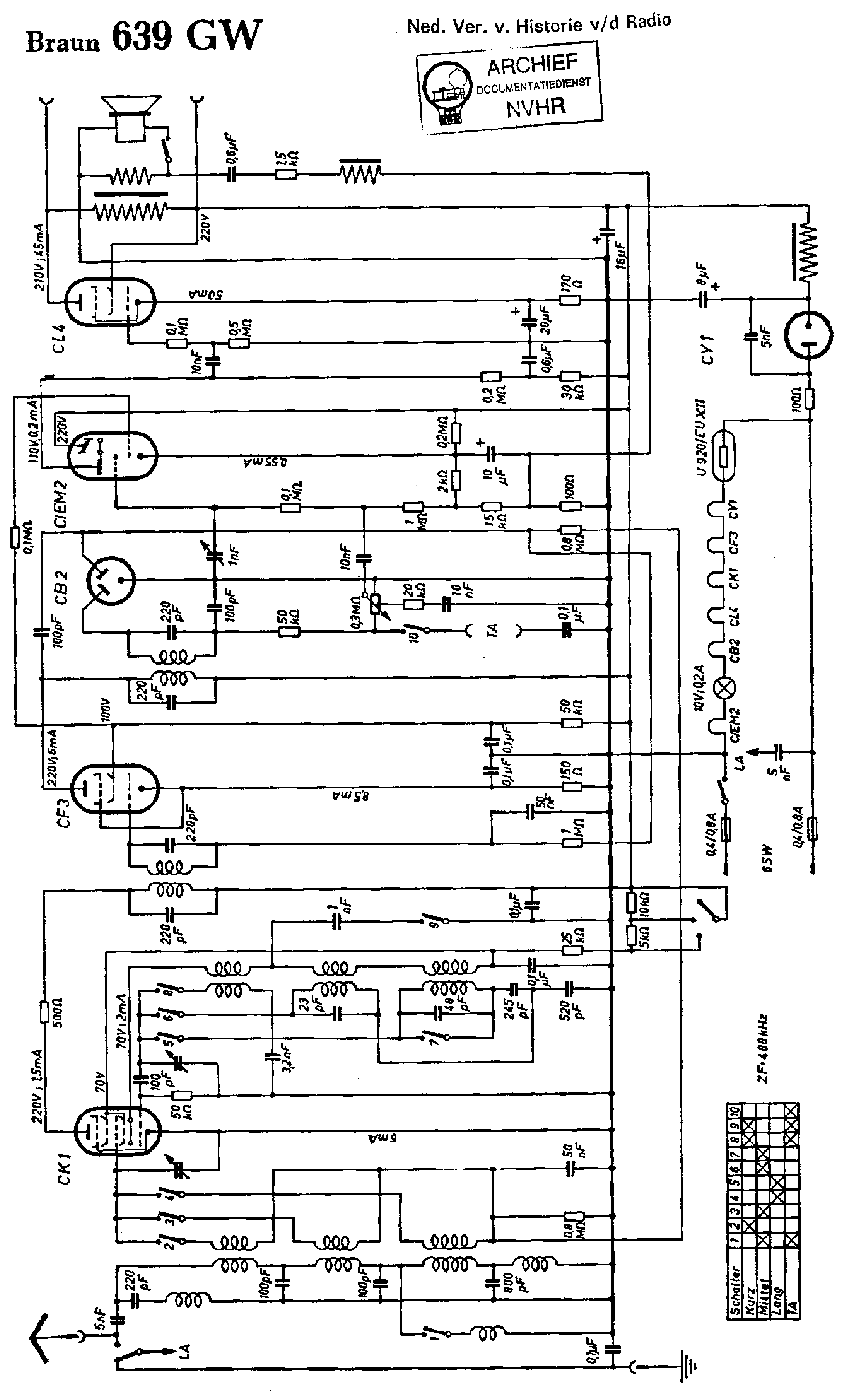
AUDIO - SERVICE MANUAL
Type: (PNG)
Size
68.2 KB
Page
---
Category
AUDIO
SERVICE MANUAL
If you get stuck in repairing a defective appliance download this repair information for help. See below.
Good luck to the repair!

Please do not offer the downloaded file for sell only use it for personal usage!

Looking for similar braun manual?
Document preview [1st page]
No preview item


No preview item for this file.

Possible causes:
  • No preview picture generated yet.
  • It is not a pdf file.
Advertisements
Download free of charge (10 files / day):
Download is being processed. Please wait...
Download processing...
  • Also known:
    BRAUN 4650W 1949 4650
  • If you have any question about repairing write your question to the Message board. For this no need registration.
  • If the site has helped you and you also want to help others, please Upload a manual, circuit diagram or eeprom that is not yet available on the site.
    Have a nice Day!
  • See related repair forum topics below. May be help you to repair.
Warning!
If you are not familiar with electronics, do not attempt to repair!
You could suffer a fatal electrical shock! Instead, contact your nearest service center!

Note! To open downloaded files you need acrobat reader or similar pdf reader program. In addition, some files are archived,
so you need WinZip or WinRar to open that files. Also some files are djvu so you need djvu viewer to open them.
These free programs can be found on this page: needed progs
If you use opera you have to disable opera turbo function to download file!
If you cannot download this file, try it with CHROME or FIREFOX browser.
Translate this page:
Relevant AUDIO forum topics:
Philips AS 680C Midi HiFi, nem forgatja és nem olvassa a lemezeket (VAM1201)
Sziasztok!
Tippet, segítséget kérnék 3 tálcás Philips 680C midi HiFi hibájának behatárolásához, tapasztalat hiány miatt.
A forgótálca mechanikájában a szíjakat már lecseréltem.
Philips VAM1021 optika
Hiba:
Mindhárom lemezt pozícióba forgatja, a motor a lemezt egy fél körben megmozdítja, majd leáll.
Az optika is 2-3 alkalommal felemelkedik, de fényt nem látok a lencsén üres tálcánál.
Mindhárom lemeznél megismétli, majd NO DISK felirat a kijelzőn.
Köszönöm a válaszokat, üdv: Csaba

https://www.youtube.com/watch?v=TvfBPS2MmmI&feature=youtu.be
https://www.youtube.com/watch?v=I4NwLlZyQQw&feature=youtu.be
 
SONY HCD-EC79 HIFI PROTECT hiba üzenet
Sziasztok! A fenti HIFI kijelzőjén a PROTECT hibaüzenet villog. Végfok panelt lehúzva sem változik a helyzet. Üdv: Wolf
technics su v460 egyik csatorna halkabban muzsikál
vadmalacka varga jano és akinek nem nullás a vércsoportja ne szóljon hozzá.

Tiszteletem.
A kérdés a címben, mi okozhatja ezt? SVI3205 rendben, a baj hogy nincs fenéklemez amit levennék, hogy többet tudjak mérni. Ezért kérdezem hátha valaki megmondja hova nyúljak.
Üdv H-D
Szatmár RA 2103 csak sistergés van, hang nincs
Sziasztok!
Segítséget szeretnék kérni, egy Szatmár RA 2103 rádió hangolásával kapcsolatban. 
Sikerült életre kelteni a készüléket, viszont el lehet hangolódva, mert nem sikerül egyetlen adót sem befogni, csak zaj halható.
Nem tudom pontosan hogyan, vagy mivel szokták hangolni a régi rádiókat, ha valaki tudna ebben segíteni, azt előre is köszönöm. 
 
Similar manuals:
If you want to join us and get repairing help please sign in or sign up by completing a simple electrical test
or write your question to the Message board without registration.
You can write in English language into the forum (not only in Hungarian)!

E-Waste Reduce