Service manuals, schematics, eproms for electrical technicians

BRUSH BK503 MAIL A VOICE 9-INCH FOLDBAR MAGNETIC PAPER DISC 1948 SCH

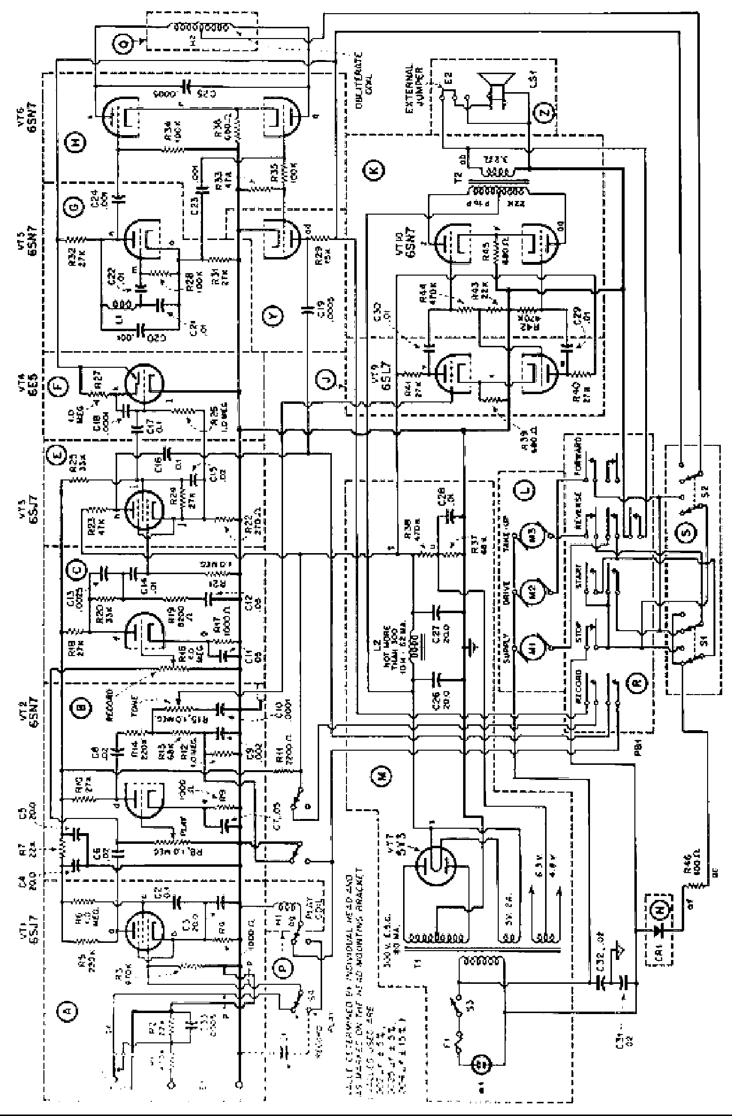
AUDIO - SERVICE MANUAL
Type: (ZIP)
Size
98.4 KB
Page
---
Category
AUDIO
SERVICE MANUAL
If you get stuck in repairing a defective appliance download this repair information for help. See below.
Good luck to the repair!

Please do not offer the downloaded file for sell only use it for personal usage!

Looking for similar brush manual?
Document preview [1st page]
No preview item


No preview item for this file.

Possible causes:
  • No preview picture generated yet.
  • It is not a pdf file.
Advertisements
Download free of charge (10 files / day):
Download is being processed. Please wait...
Download processing...
  • Also known:
    BRUSH BK-503 VOICE FOLDBAR MAGNETIC PAPER DISC BK503 MAIL 9INCH 1948 BK 503 INCH 9-INCH
  • If you have any question about repairing write your question to the Message board. For this no need registration.
  • If the site has helped you and you also want to help others, please Upload a manual, circuit diagram or eeprom that is not yet available on the site.
    Have a nice Day!
  • See related repair forum topics below. May be help you to repair.
Warning!
If you are not familiar with electronics, do not attempt to repair!
You could suffer a fatal electrical shock! Instead, contact your nearest service center!

Note! To open downloaded files you need acrobat reader or similar pdf reader program. In addition, some files are archived,
so you need WinZip or WinRar to open that files. Also some files are djvu so you need djvu viewer to open them.
These free programs can be found on this page: needed progs
If you use opera you have to disable opera turbo function to download file!
If you cannot download this file, try it with CHROME or FIREFOX browser.
Translate this page:
Relevant AUDIO forum topics:
Yamaha RX-V595ARDS bekapcsolás után azonnal kikapcsol.
Sziasztok!
 A fenti Yamaha tuner erősítő St.by-ból való bekapcsoláskor azonnal kikapcsol. Ha egy soros ellenással sorba kötöm, (kb. 130V kerül a gépre) kifogástalanul működik. Így szoktam indítani a zárlat-gyanús készülékeket. A tápok jók (látszólag), brumm minimális. Ahogy a működő készülékre rákapcsolom a direkt tápot (220V), ismét azonnal kikapcsol. A trafó is látszólag jó, mert ha 220V ot kapcsolok rá, alig van áramfelvétele. Találkozott már valaki hasonlóval?
Köszönettel:
Attila
Jamo Sub660 nem kap 220v-os feszültséget
Sziasztok!
Van egy JamoSub660-as sztereó rendszerben használt zárt aktív mély ládám, ami megállt. Nem kapcsol be. A mérete miatt nem volt hajtva, az állapota megkímélt. Éppen ezért a tápra gyanakszom, de természetesen egyenlőre nem tudom. Szívesen fogadok bármilyen ötletet, elgondolást ami segíthet. Illetve keresem a segítőtársamat aki tudná vállalni a javítást esetleg. Nem lennék hálátlan. Minden megoldás érdekel. A segítséget előre is köszönöm!

Üdv mindenkinek!

Szemeti N.
Sennheiser ew100G3 rádiósmikrofon 5m után némít-Megoldódott!!
hi. a fenti rádiós szett-bár újkeletű- olyat tesz, hogy kb 5m után a vevő lenémít és vége. akkut jónak mutatja, freki beállítások jók,minden egyéb beállítás is jónak mutatkozik. leejtve nemigen volt-nem emléxenek rá -és nem is látszik mechanikai sérülés. természetesen működött rendesen és egyszer csak lekorlátozta magát. találkozott már valaki ilyen hibával??? üdv: egon
ONKYO TX-DS797
Kedves kollégák! Tanulságos hiba megoldását szeretném közzétenni, ha valaki találkozik eme jelenséggel, / könnyen lehet, hogy típushiba/ egyszerűbb lehet a megoldás. A hibajelenség: Minden működött a gépen csak éppen egy hang nem jött ki a kimeneten. Táp, végfok minden jó volt, a hűtő ventilátor nem ment. Gyanús volt, hogy valami tiltás az oka a jelenségnek. A Main circuit PC board nevű, "U1" jelű panelen található memória kapacitás nyák felőli oldalán egy pici rozsdafolt jelezte, hogy kilyukadt. A kigőzölgő elektrolit a lyukgalvanizálást szétmarta több ponton. A pontok vezetékkel való pótlása és a kondi csere után a hiba elhárult. Laszlo 61 :D
Similar manuals:
If you want to join us and get repairing help please sign in or sign up by completing a simple electrical test
or write your question to the Message board without registration.
You can write in English language into the forum (not only in Hungarian)!

E-Waste Reduce