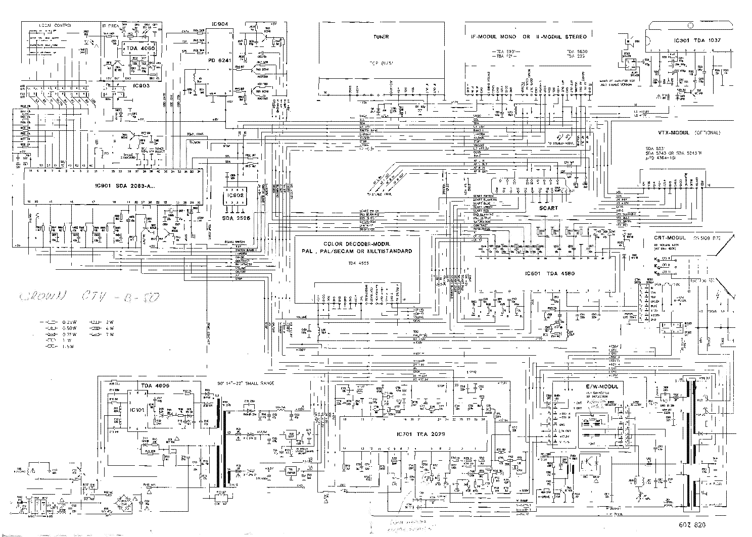
Sziasztok!
Egy Kamacrown K3721N típusú(elég régi) TV egy kis füstjelzés leadásával kilehelte a lekét! Szétszedve a fesz sokszorozónak a fókusz potijánál volt egy kis áthúzás és műanyag olvadás, valamint a panelen egy R430 jelzésű ellenállás totálisan elfüstölt és megszakadt!
Ha valakinek lenne egy ilyen TV-hez való Service Manual vagy csak kapcsolási rajz, az nagyon megkönnyítené a javítást!
Üdv: lizakl
Szép reggelt Mesterek! Szeretnék segítséget kérni,a fenti géppel kapcsolatosan.Hang tökéletes,a kép viszont enyhén negatív.Közben olyan,mint ha a háttérben még menne egy másik műsor.Valami jó tanács? Előre is köszönöm.
Sziasztok!
Hozzámkerült ez a kis TV, de nem tudtam beazonosítani. Ismerős valakinek? Milyen sasszi lehet ez?
A procija TMP47C837N

Előre is köszi:
Jácint
Sziasztok!
Most került hozzám eltérítési hibával, azt megoldottam, de most meg nem reagál az előlapi gombokra. A csatlakozókat átmértem, de szakadást nem találtam, kivettem az előlapi panelt, de ott sincs gond. Ennek a tvének van gyerekzár funkciója, vagy valami más oka van ennek?