Service manuals, schematics, eproms for electrical technicians

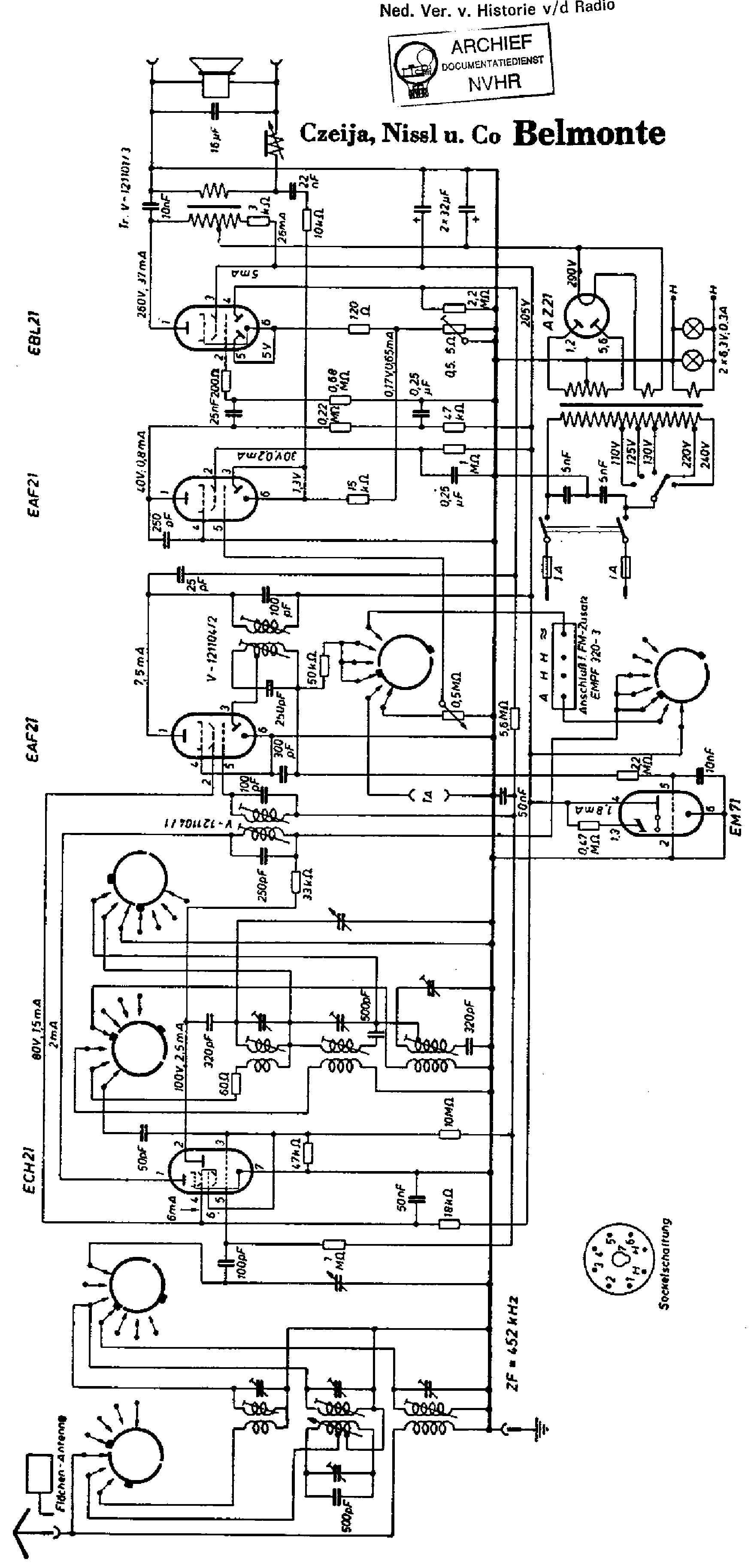
CZEIJA UKW320-1 TUBES RADIO SCH

AUDIO - SERVICE MANUAL
Type: (JPG)
Size
165.2 KB
Page
---
Category
AUDIO
SERVICE MANUAL
If you get stuck in repairing a defective appliance download this repair information for help. See below.
Good luck to the repair!

Please do not offer the downloaded file for sell only use it for personal usage!

Looking for similar czeija manual?
Document preview [1st page]
No preview item


No preview item for this file.

Possible causes:
  • No preview picture generated yet.
  • It is not a pdf file.
Advertisements
Download free of charge (10 files / day):
Download is being processed. Please wait...
Download processing...
  • Also known:
    CZEIJA UKW-3201 RADIO UKW3201 TUBES UKW 3201 UKW320 UKW320-1
  • If you have any question about repairing write your question to the Message board. For this no need registration.
  • If the site has helped you and you also want to help others, please Upload a manual, circuit diagram or eeprom that is not yet available on the site.
    Have a nice Day!
  • See related repair forum topics below. May be help you to repair.
Warning!
If you are not familiar with electronics, do not attempt to repair!
You could suffer a fatal electrical shock! Instead, contact your nearest service center!

Note! To open downloaded files you need acrobat reader or similar pdf reader program. In addition, some files are archived,
so you need WinZip or WinRar to open that files. Also some files are djvu so you need djvu viewer to open them.
These free programs can be found on this page: needed progs
If you use opera you have to disable opera turbo function to download file!
If you cannot download this file, try it with CHROME or FIREFOX browser.
Translate this page:
Relevant AUDIO forum topics:
kenwood kdc 9090r
Sziasztok Az történt hogy kikapcsoltam a kicsikét, demozott, de mire viszaértem a kocsihoz nem volt kép a kijejzön, és nem kapcsol be a kicsike. Foliát 2 hete cseréltem és az jo is ki van mérve. A reset gombra reagál de semmi több. Van valkinek ötlete hol induljak el? az elölapcsatinál feszek megvannak.
RCA DL feliratú elektroncső, ismeri valaki, mi lehet? Megoldás: Nagy bizonyossággal 6SL7 elektroncső, köszönöm a segítségeteket!
Üdv! Van egy ilyen elektroncsövem, amin sajnos ennyi az összes jelzés. Az elektródák számából kettős triódának tűnik, de nem vagyok annyira jártas, hogy biztos legyek benne, de egyébként is kéne a típus, hogy mire is használható. Jópár, audio csővel együtt vettem, ezért ezt gyanítom erről is. Annyit sikerült az RCA DL-ről kideríteni, hogy 1964 márciusi gyártást jelöl. A cső oktál lábakkal bír... Van itt egy kiskáté, ha valaki beletekintene, lehet tudna segíteni. https://docs.google.com/viewer?url=http://mysite.verizon.net/tubetronic/PDF_FILES/RCA%2520DATE%2520CODES.pdf A panel, foglalat csak a fotó kedvéért szerepel, hogy a csövet álló helyzetbe tudjam fotózni! Köszönet!
Nakamichi bx 125e fejszakadás???
Sziasztok!
Nemrég javítottam a címben szereplő  nakafost.
Resl motor hiba ,takaritás,gumialkatrészek cseréje,nyomatékbeállitás…stb.
Tökéletes lett ,viszont nem használta a gazdája,és mikor lejátszani akart vele akkor right oldal nem szólt.
Én a matsushita dc12v os reléle tippeltem mert az kapcsolgatja a fejet play/rec állásba,de sajnos az jó .
Mint kiderült a fej szakadt egyik oldal 260 ohm,a másik végtelen.
Hogy a fenébe mehet állásában így tönkre?
Kérdésem hogy ehhez a nakafoshoz lehet valahonnan fejet szerezni?
Aiwa dx zsír új fejem van itthon 240 ohmos.
Nem tudom hogy belerakható-e ,ill a hangátvitele megmarad -e?
Vagy ha van valakinek elfekvőben megvenném.
3heados deckek vannak bontva nálam,azon is filóztam hogy belevarázsolok ilyen fejet.
Köszönöm a válaszokat!
Videoton 8 ohmos hangfal mélysugárzó gumija kirohadt. 18cm.
Üdv'. Pótlásra, javításra szeretnék tippeket.
Similar manuals:
If you want to join us and get repairing help please sign in or sign up by completing a simple electrical test
or write your question to the Message board without registration.
You can write in English language into the forum (not only in Hungarian)!

E-Waste Reduce