Service manuals, schematics, eproms for electrical technicians

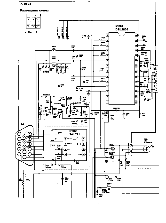
DAEWOO 1418

MONITOR - SERVICE MANUAL
Type: (ZIP)
Size
99.8 KB
Page
---
Category
MONITOR
SERVICE MANUAL
If you get stuck in repairing a defective appliance download this repair information for help. See below.
Good luck to the repair!

Please do not offer the downloaded file for sell only use it for personal usage!

Looking for similar daewoo manual?
Document preview [1st page]
No preview item


No preview item for this file.

Possible causes:
  • No preview picture generated yet.
  • It is not a pdf file.
Advertisements
Download free of charge (10 files / day):
Download is being processed. Please wait...
Download processing...
  • Also known:
    DAEWOO 1418
  • If you have any question about repairing write your question to the Message board. For this no need registration.
  • If the site has helped you and you also want to help others, please Upload a manual, circuit diagram or eeprom that is not yet available on the site.
    Have a nice Day!
  • See related repair forum topics below. May be help you to repair.
Warning!
If you are not familiar with electronics, do not attempt to repair!
You could suffer a fatal electrical shock! Instead, contact your nearest service center!

Note! To open downloaded files you need acrobat reader or similar pdf reader program. In addition, some files are archived,
so you need WinZip or WinRar to open that files. Also some files are djvu so you need djvu viewer to open them.
These free programs can be found on this page: needed progs
If you use opera you have to disable opera turbo function to download file!
If you cannot download this file, try it with CHROME or FIREFOX browser.
Translate this page:
Relevant MONITOR forum topics:
daewoo lm1910w monitor kb fél, egy óra mulva kikapcsol. Ha lehül visszakapcsol magától.
Segítséget várok Tőletek ! -Van egy daewoo lm1910w 19" lcd monitorom, és minden tökéletes, de fél óra után rendszertelenül kikapcsol, van mikor 1 óra múlva.Olyankor készenléti nem világít, valahonnan ilyenkor másodpercenként metronómként jelentkező halk , folyamatos rövid sercegések hallhatók. Ha kihűl, kb 5 perc, készenlétivel visszakapcsolható, és megy tovább. Szervíz látta, azt mondta, nem javítható. Műszerész vagyok, tv-ket is javítottam régen, de nem vagyok rutinos monitorokban. Minden tanácsot elfogadok, azt is hogy dobjam ki, de javításban kitartó vagyok :-) . -köszi: szal-sanyi-
DAEWOO HL720A TFT rajz
Sziasztok Szakik! Keresnék ehhez a DAEWOO lomhoz rajzot,ugyanis már belepiszkáltak mire hozzám került.Kitörték a 3.3V-os stabilizátornak az egyik lábát.Zárlatot mért rajta a birka.Csakhogy nem a stabilizátor volt a zárlatos,hanem az elmenő ág.Remélem nem a proci,mert akkor bontás!Ha tud valaki rajzot/vagy valami hasonlóhoz/az jól jönne!Köszi:selindion
Daewoo L510B1 tft monitor inverter rajz
Sziasztok! Segítséget kérnék egy Daewoo L510B1 tft monitorral kapcsolatban. A tápegységét már rendbe tettem, de az inverter panelen van pár alkatrész amit nem tudok beazonosítani. A monitor rajza megvan, de abba csak a táppanel és a vezérlőpanel rajza van meg. Kérném akinek van rajza csak az inverter részhez segítsen. Száma: HK1512DW. Üdv: Comman.
Daewoo L1711MN LCD monitor
Sziasztok! Ez egy saját monitor és elkezdett rosszalkodni :( Hiba a következő: Elhalványul a kép, majd elkezd "zizegni" a háttérvilágítás, illetve hangos "zizegő" hangot is ad. Először csak ritkán csinálta, akkor belenéztem, nem találtam semmi elváltozást, de azért a gyanús kondikat kicseréltem. 1 hétig nem is jött elő a probléma, de most újra kezdte és bekapcsolástól számított pár percen belül el is kezdi. Átkondiztam teljesen, kipróbáltam tuti jó csövekkel, de sajnos nem jutottam előrébb. Ha valaki tudna segíteni, hogy merre induljak el, nagyon hálás lennék! Ami biztos, hogy "terheletlenül", azaz ha nem kap vga jelet, nem csinálja. Bármennyiszer kapcsolom be vga csatlakozás nélkül, nem jön elő a probléma. Amint rádugom a gépet, egyből zizeg :( Csatoltam pár képet is a panelról, hátha.... Sajnos service manual-t nem találtam róla. Előre is köszönök minden hozzászólást! Üdv: Laci
Similar manuals:
If you want to join us and get repairing help please sign in or sign up by completing a simple electrical test
or write your question to the Message board without registration.
You can write in English language into the forum (not only in Hungarian)!

E-Waste Reduce