Service manuals, schematics, eproms for electrical technicians

EMG 2896 TR 9272 MUSZERFOTO

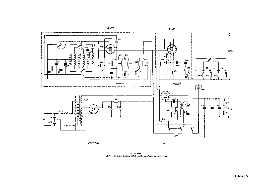
METER - SERVICE MANUAL
Type: (ZIP)
Size
160.1 KB
Page
---
Category
METER
SERVICE MANUAL
If you get stuck in repairing a defective appliance download this repair information for help. See below.
Good luck to the repair!

Please do not offer the downloaded file for sell only use it for personal usage!

Looking for similar emg manual?
Document preview [1st page]
No preview item


No preview item for this file.

Possible causes:
  • No preview picture generated yet.
  • It is not a pdf file.
Advertisements
Download free of charge (10 files / day):
Download is being processed. Please wait...
Download processing...
  • Also known:
    EMG 2896 TR 9272 MUSZERFOTO
  • If you have any question about repairing write your question to the Message board. For this no need registration.
  • If the site has helped you and you also want to help others, please Upload a manual, circuit diagram or eeprom that is not yet available on the site.
    Have a nice Day!
  • See related repair forum topics below. May be help you to repair.
Warning!
If you are not familiar with electronics, do not attempt to repair!
You could suffer a fatal electrical shock! Instead, contact your nearest service center!

Note! To open downloaded files you need acrobat reader or similar pdf reader program. In addition, some files are archived,
so you need WinZip or WinRar to open that files. Also some files are djvu so you need djvu viewer to open them.
These free programs can be found on this page: needed progs
If you use opera you have to disable opera turbo function to download file!
If you cannot download this file, try it with CHROME or FIREFOX browser.
Translate this page:
Relevant METER forum topics:
EMG-1172/B programozható szignál a beállítottnál magasabb frekvenciát ad a kimeneten/ LEZÁRVA/
Üdvözlöm a kedves fórumtársakat ! Segítséget szeretnék kérni a címben jelzett szignálgenerátor javításában és beállításában. Kimenő frekvencia stabil, a pll-ek jól működnek, azonban a kimenő frekvencia 1200 KHz-el minden beállított értékhez hozzáadódik. A programkapcsoló 000000 állásában a kimeneten ez a frekvencia jelenik meg és a beállított frekvenciához hozzáadódik. Kérdezném mit gondoltok hol keressen a jelenség okát, és mi okozza a hibát ? Köszönöm a hozzászólásokat nagyis
EMG-1577 (Tr-4807) alkatrész és dokumentáció kereső
Sziasztok,

Az EMG 1577-es karakterisztika rajzolójához keresek dokumentációt és alkatrészeket. A konfiguráció az EMG 15775 nek felel meg - univerzális készlet, amely tartalmazza a alap és a nagyáramú mérőegységeket. Hiányzik az összekötő kábel készlet, valamint a befogó készlet. A nagyáramú mérőegységből sajnos az áramvezető "kulcsok" is hiányoznak.

Kérem aki segítségetek, ha van eladó doksi/ alkatrész, ne habozzon.... kérem írjatok.

Az alábbi eszközöket /alkatrészeket keresem:
 - Socaplex névre hallgató csatlakozóhoz alkatrészek - ház, lezáró lap, nagyáramú érintkező sáv,
    vagy komplett összekötő kábel készlet. Ha esetleg a szerviz kábel elő kerülne az lenne a hab a tortán, s a kiemelő kártyáról még nem is beszéltem.
 - mérőpultban levő mikro kapcsoló
 - alkatrész befogó
- nagyáramú mérőegységben levő áram kulcs (nagyáramú dugasz 2db)
 - alap készülék marker "jostick" mikro kapcsolója - ez sajnos törött
Dokumentáció - gyári gépkönyv és kapcsolási rajz, lehetőleg angol vagy magyar nyelven, de a német és az orosz sem jelent problémát.
Egyenlőre egy EMG1577/B alap kialakításhoz sikerült már gépkönyvet találni, azonban nem vagyok biztos, hogy 100%-os a név azonosság. A B verzió, azontúl, hogy ergonómikusabb volt a kialakítása, rendelkezett Printer porttal is, míg az elődje csak az IEC buszos volt. Kezelő szervek és a leírás alapján rokon gépek voltak, de  bizonyára voltak eltérések a típus jelölésen kívül is.

Üdv.
Tibor
EMG1568/2 szkóp kalibráló generátora induláskor, hidegen nem oszcillál. - MEGOLDVA -
Sziasztok! Javítok egy EMG-1568/2 szkópot. A kalibráló generátor oszcillátora az esetek döntő többségében hidegen nem rezeg. Ha rámérek valamelyik bekötött kapujára az oszcilloszkóp mérőfejével, akkor megindul a rezgés. A generátor SN7400PC IC-vel üzemel és teljesen szimmetrikus a kapcsolástechnikai felépítése. IC-t már cseréltem benne, de a helyzet változatlan. Volt már valakinek ilyen tapasztalata? Üdv.: Kumi
EMG-1568 bemeneti erosito frekvenciamenet es mehanikus hibak
Kedves Forumtarsak, Vettem egy EMG-1568 szkopot az ocskapiacon. Nagyon koszos volt es olcso. Be is tudtam dugni a halozatba a piacon es mukodgetett is. Mar epp ott kartam hagyni amikor utanam szoltak, hogy vigyem el. Vegul is elhoztam. A sok piszok alatt a szkop egesz tisztesseges volt, alig nyulhattak hozza. Megpucolva kiderult, hogy az egyik csatorna nem mukodik. A dual jFET (TIS25) egyik fele elment. En egy 2N5045 jFET-tel helyettesitettem aminek a parameterei majdnem azonosak a TIS25-evel. Ahogy lattam az a hibas dual jFET mar nem az eredeti volt, a labai joval hosszabbak voltak mint a dual jFET labai a masik csatornaban. A csatorna eletre kapott, de a kalibralo negyszog jelnek a felfutasa lassubb volt mint a masik csatornae. A masik csatornan egy nagyon pici tulloves volt lathato. Ez a meres egy co-ax kabellal tortent ami a kalibralo kimeneterol ment a csatorna bemenetekre. En ugy gondolom, hogy ez a hiba az eloerosito reszbol ered. Az elektronkapcsolo utan mar kozos az erosites, es ott mar a masik csatorna jo volt. Szerintem nem a bemeneti oszto kompenzalasaval lehet a problema mivel minden leosztasnal hasonloan rossz volt az atvitel. A bemeneti osztoban az osztas kompenzalasa valtozik az osztassal, es nem valoszinu, hogy minegyik leosztas kompenzalasa hasonloan rossz lenne. Az eloerosito resz kompenzalasa a TR-208-209 differencial erositoben tortenik a C212 trimmer kondival valamint a P205 trimmer potival. Egyedul C212-t probaltam allitgatni es annak semmi hatasa nem volt a jelalakra. Ugy nezett ki mintha be sem lenne kotve! Az eloerosito szimulalasa azt mutatta, hogy ez a kondi is valtoztatja a felso hatarfrekvenciat. Sipos Gyula szerint, ahogy leirta ezket a szkopokat a '94 - '96 RT evkonyvekben, ennek a kompenzalasnak a beallitasa kritikus a nagyfrekvecias atvitel szempontjabol. Mechanikusan a szkoprol hianyzott az astigmatizmus poti gombja, es ket "Variable" potinak, az egyik bemeneti csatorna, meg az idoalap, csuszott a kapcsolata a potival. A csuszasok a hosszabbito tengely es a poti csatoloja kozott vannak. A bemeno csatornanal sikerult egy kis csavarhuzoval beferni az arnyekolas mellett es meghuzni a csatolas csavarjait. Sajnos az idoalap kapcsolonal a potit egy szeglet tartja azon az oldalon ahol hozza lehetne ferni a csavarokhoz, a masik oldalon cmeg a szkopcso van. Ugy nez ki, hogy a csavarok meghuzasahoz az egesz vizszites elterito alaplapot ki kene epiteni. Hozzaszolasaikat kivancsian varom, Peter
Similar manuals:
If you want to join us and get repairing help please sign in or sign up by completing a simple electrical test
or write your question to the Message board without registration.
You can write in English language into the forum (not only in Hungarian)!

E-Waste Reduce