Service manuals, schematics, eproms for electrical technicians

EMUD ALFA 4513W RADIO SCH

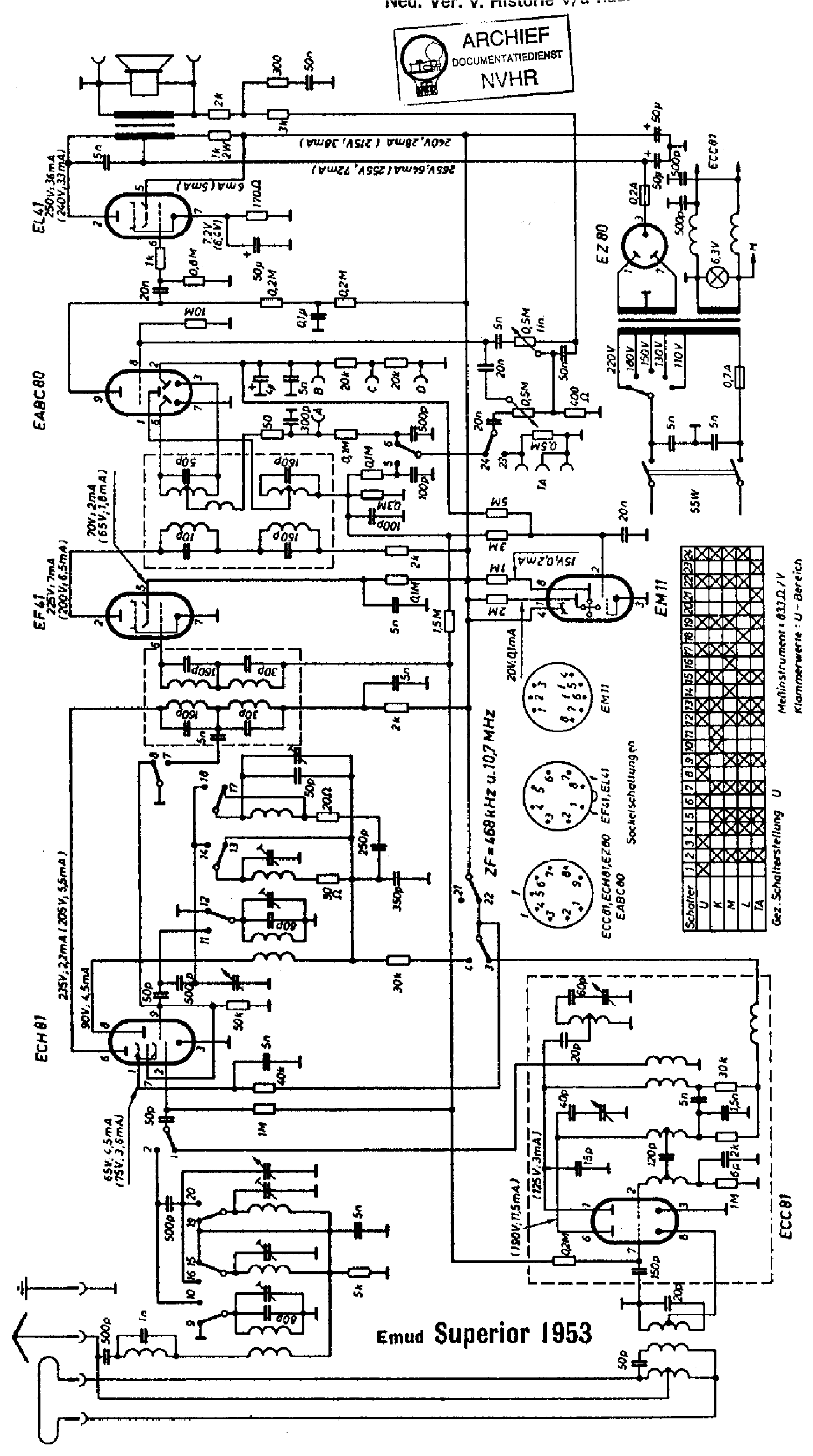
AUDIO - SERVICE MANUAL
Type: (PNG)
Size
68.2 KB
Page
---
Category
AUDIO
SERVICE MANUAL
If you get stuck in repairing a defective appliance download this repair information for help. See below.
Good luck to the repair!

Please do not offer the downloaded file for sell only use it for personal usage!

Looking for similar emud manual?
Document preview [1st page]
No preview item


No preview item for this file.

Possible causes:
  • No preview picture generated yet.
  • It is not a pdf file.
Advertisements
Please tick the box below to get download link:
  • Also known:
    EMUD ALFA RADIO 4513W 4513
  • If you have any question about repairing write your question to the Message board. For this no need registration.
  • If the site has helped you and you also want to help others, please Upload a manual, circuit diagram or eeprom that is not yet available on the site.
    Have a nice Day!
  • See related repair forum topics below. May be help you to repair.
Warning!
If you are not familiar with electronics, do not attempt to repair!
You could suffer a fatal electrical shock! Instead, contact your nearest service center!

Note! To open downloaded files you need acrobat reader or similar pdf reader program. In addition, some files are archived,
so you need WinZip or WinRar to open that files. Also some files are djvu so you need djvu viewer to open them.
These free programs can be found on this page: needed progs
If you use opera you have to disable opera turbo function to download file!
If you cannot download this file, try it with CHROME or FIREFOX browser.
Translate this page:
Relevant AUDIO forum topics:
ELTA-8803 CLS
Sziasztok! ELTA 8803 CLS-házimozi kapcsolásirajzát keresem,esetleg olyan linket,ahol utána nézhetnék.Előre is nagyon köszönöm az esetleges segítséget:Yani.
hőrelés ventillátor építés subwofer erősítőre
évekkel ezelőtt építettem egy subwofer-t, Piret Endre okleveles hangmérnök terve alapján, kompand láda. 30 cm-es videoton hangszórókkal. az erősítőt egyik ismerősöm készítette hozzá. 100w-os. egyet kifelejtettünk. nem lett rá téve ventillátor. amikor dolgoztatva van rendesen, pl. zenénél, egy idő után túlmelegszik és leold. aztán amikor lehül a megfelelő hőmérsékletre , újra bekapcsol. arra gondoltam, hogy után kéne építeni rá egy hőrelével szabályozott ventillátort. érdeklődnék, hogy nem tudna e ebben mondani valaki valami útmutatót.
Harman/Kardon AVR65 RDS - Sudden Sound increase
Hello! Harman Kardon Receiver /amplifier AVR 65/RDS ! increases the Volume by it self some times (Suddenly) pse. advise .. Works Well otherwise! Best..Regards Rune..Sweden
stk490-140
Sziasztok. Nem tudja vki véletlenül, hogy a fenti ic hol kapható? HQ, Conrad, SINI kilőve nekik nincs.Kössz a segítséget.
Similar manuals:
If you want to join us and get repairing help please sign in or sign up by completing a simple electrical test
or write your question to the Message board without registration.
You can write in English language into the forum (not only in Hungarian)!

E-Waste Reduce