Service manuals, schematics, eproms for electrical technicians

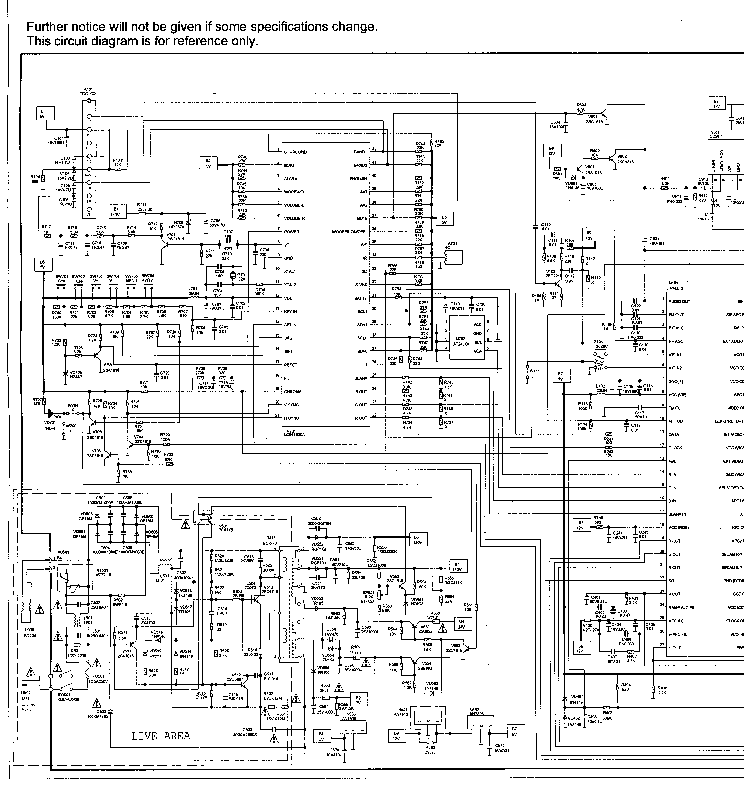
ERISSON LCD20LS01

TV - SERVICE MANUAL
Type: (ZIP)
Size
7.5 MB
Page
---
Category
TV
SERVICE MANUAL
If you get stuck in repairing a defective appliance download this repair information for help. See below.
Good luck to the repair!

Please do not offer the downloaded file for sell only use it for personal usage!

Looking for similar erisson manual?
Document preview [1st page]
No preview item


No preview item for this file.

Possible causes:
  • No preview picture generated yet.
  • It is not a pdf file.
Advertisements
Please tick the box below to get download link:
  • Also known:
    ERISSON LCD20LS01 LCD 20 LS 01
  • If you have any question about repairing write your question to the Message board. For this no need registration.
  • If the site has helped you and you also want to help others, please Upload a manual, circuit diagram or eeprom that is not yet available on the site.
    Have a nice Day!
  • See related repair forum topics below. May be help you to repair.
Warning!
If you are not familiar with electronics, do not attempt to repair!
You could suffer a fatal electrical shock! Instead, contact your nearest service center!

Note! To open downloaded files you need acrobat reader or similar pdf reader program. In addition, some files are archived,
so you need WinZip or WinRar to open that files. Also some files are djvu so you need djvu viewer to open them.
These free programs can be found on this page: needed progs
If you use opera you have to disable opera turbo function to download file!
If you cannot download this file, try it with CHROME or FIREFOX browser.
Translate this page:
Relevant TV forum topics:
RJP63K2 és RJP30H2A IGBT-ket keresek LG Y-SUS panelhez
Sziasztok!

RJP63K2 és RJP30H2A IGBT kellene 2-2db egy LG plazma tv y-sus paneljébe.

Olyan forrasztás lazulások vannak a panelen, hogy az igbt -k tönkremenetelének okát nem is keresem... Persze kell egy kis szerencse is. Ez nem egyszerű szerkezet.

Nem rendelnék újat, mert annyi a hamis IGBT hogy esélyem sincs. Ezek 15 - 20 éves dolgok, eredeti már csak bontott lehet.

Köszönöm!


 
Philips 47PFH6109/88 szoftver probléma. A menü nem minden funkciója működik.
Üdvözlet mindenkinek.

Volna egy Philips 47PFH6109/88 Led készülékem, a hálózatra dugom, bekapcsol a készülék , a készülék gombjain tudok bemenetet választani, és ha HDMI re kötök valamit,bármeddig elmegy, de ugyan ez a Scarton is, USB csatlakoztatva érzékeli, hogy eszköz van rádugva, ki is írja, de nem lehet használni.
A távirányítón nem tudok bemenetet választani, ha megnyomom, semmi nem történik, de a készülék elején a led villog, ha nyomom a gombot, Más gombokra reagál a távirányító, és másik készülékkel teszteltem is.
A nagyobb gond az , hogy a menü nagy részét nem lehet elérni, Pl: nem lehet szinte semmilyen beállítást végezni, a kikapcsolás sem megy, sem a készüléken sem a távirányítón, olyan, mint ha hibás lenne az a rész, mert, ha be próbálok lépni a beállításokba, lefagy, így sajnos szoftvert sem tudok frissíteni rajta.
De bizonyos beállítások mennek, ami nem megy , Csatorna hangolás, internetes hálózat kezelés, szoftver frissítés, csatorna rendezés, és a teljes Smart rész.

Letöltöttem a gyári szoftvert,a Philips oldaláról, ráraktam egy Fat és egy Fat32 pendrive -ra de semmi, volt valahol ötlet ,hogy át kell nevezni a
autorun.upg fáljt upgrade.pkg ra szintén nem hozott változást. Készülék áramtalanítása és használata közbe is hibába csatlakoztatom a pent , semmi.

A készülék SAM menüjébe be lehet lépni, de nem találtam semmilyen beállítást, ami segítene ,pl a szoftverfrissítést elindítani vagy resetelni az egészet.

Tud esetleg valaki még valami ötletet?
Sajnos, nincs Flash íróm, így az nekem nem megy , de ,ha valaki tud szoftvert küldeni hozzá, az is jó lehet, ha egyáltalán lehet ilyet sajnos az interneten nem igen találtam olyat, aki ilyen hibával küzdött volna ezen a típuson.

Köszönöm a segítséget!!
Üdv:Jani


 
Sonic STV 5111 TXT (11AK30A11saszi) nem indul készenlétben cicereg"!Megoldva!
Üdvözletem a Mestereknek!.Most elöször találkoztam a fent nevezett tv vel, és mielött nagyon belemélyednék kérnék pár tanácsot a javitással kapcsolatban Töletek: A hibajelenség :Készenlét van a led pirosan világit , viszont nagyon halkan halható kb 2Hz ütemben valami tücsök" cicegés "szerü hang folyamatosan.Amikor probálom inditani a Program + nyomogombal egy pillanatra megszünik a hang, a led elhalványul kissé aztán ujra csicsereg tovább és ég tovább a led is folyamatosan.OLvastam a leirásokat hogy készenlétben szakaszos üzemben müködik a táp de ez nem tudom hogy normális dolog e?Mértem a B+ sortápot de csak 1.2 volt van. Program gomb nyomására felugrik négy voltra majd visszaáll ujra1 2 voltra. C809 puffekondin minden esetben 298 voltot mértem stabilan, 212 volt AC bejövö feszültség mellet . Bu808 DFI tranzisztort kivettem B -E közt 145 ohmot mértem mindkét irányban,B-K 655 illetve 900 ohmot.K-E közt pedig 760 illetve 500ohmot.BU808DF tranzisztorom van de gondolom nem jo helyette .Hogyan folytassam tovább hibakeresést ?Elöre is elnézést az amatör kérdésekért mindenkitöl üdv dddemeter!
CRT tv hd ready
Hello! Van egy CRT Samsung WS-32Z30HE tvm. A jobb sarkában irja hogy HD ready 1080i. Ha veszek hozzá egy DVD-T vevőt ami tudja a HD műsorokat akkor azt hová dugjam? Scart, SVideo? Melyik támogatja a HD-t? Vagy hogyan?
Similar manuals:
If you want to join us and get repairing help please sign in or sign up by completing a simple electrical test
or write your question to the Message board without registration.
You can write in English language into the forum (not only in Hungarian)!

E-Waste Reduce