Service manuals, schematics, eproms for electrical technicians

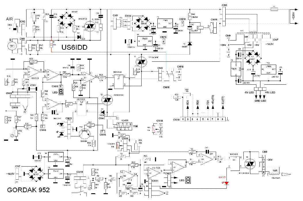
GORDAK 952 SCH

TOOL - SERVICE MANUAL
Type: (JPG)
Size
89.4 KB
Page
---
Category
TOOL
SERVICE MANUAL
If you get stuck in repairing a defective appliance download this repair information for help. See below.
Good luck to the repair!

Please do not offer the downloaded file for sell only use it for personal usage!

Looking for similar gordak manual?
Document preview [1st page]
No preview item


No preview item for this file.

Possible causes:
  • No preview picture generated yet.
  • It is not a pdf file.
Advertisements
Download free of charge (10 files / day):
Download is being processed. Please wait...
Download processing...
  • Also known:
    GORDAK 952
  • If you have any question about repairing write your question to the Message board. For this no need registration.
  • If the site has helped you and you also want to help others, please Upload a manual, circuit diagram or eeprom that is not yet available on the site.
    Have a nice Day!
  • See related repair forum topics below. May be help you to repair.
Warning!
If you are not familiar with electronics, do not attempt to repair!
You could suffer a fatal electrical shock! Instead, contact your nearest service center!

Note! To open downloaded files you need acrobat reader or similar pdf reader program. In addition, some files are archived,
so you need WinZip or WinRar to open that files. Also some files are djvu so you need djvu viewer to open them.
These free programs can be found on this page: needed progs
If you use opera you have to disable opera turbo function to download file!
If you cannot download this file, try it with CHROME or FIREFOX browser.
Translate this page:
Relevant TOOL forum topics:
Gordak 850 forrasztó állomás panelja elégett
"Rajzot, service manualt, jobbra a "Keresem/WANTED" doboz "KATT IDE" gombján keresztül kérj!" Sziasztok! Kaptam egy Gordak 850 hőlégfúvót, ami kvázi felrobbant. Nyákon itt-ott elégett a vezetőfólia, HA17555(NE555) szétpukkant, és még pár alkatrész szintén, amiről nem tudom micsoda volt még életében... Ha valakinek van ilyen kütyüje, (kapcsolási rajza?) ehhez, esetleg 1-2 fotót készítene a nyákról, megköszönném. Agyalok azon, hogy újragyártom ehhez a nyákot. Köszönöm előre is! Noroo ui: a google nem volt túl segítőkész hozzám, pár schematic-ot találtam, de kínaiul van - szó szerint - így nem tudtam beazonosítani a készüléket! "Rajzot, service manualt, jobbra a "Keresem/WANTED" doboz "KATT IDE" gombján keresztül kérj!" A moderátori beírást ne töröld ki!
Similar manuals:
If you want to join us and get repairing help please sign in or sign up by completing a simple electrical test
or write your question to the Message board without registration.
You can write in English language into the forum (not only in Hungarian)!

E-Waste Reduce