Üdv!
Egy Grundig R2000-es került hozzám. Ismerősé, akit ráadásul érzelmi szálak fűznek a készülékhez, ezen kívül hölgy is az illető.
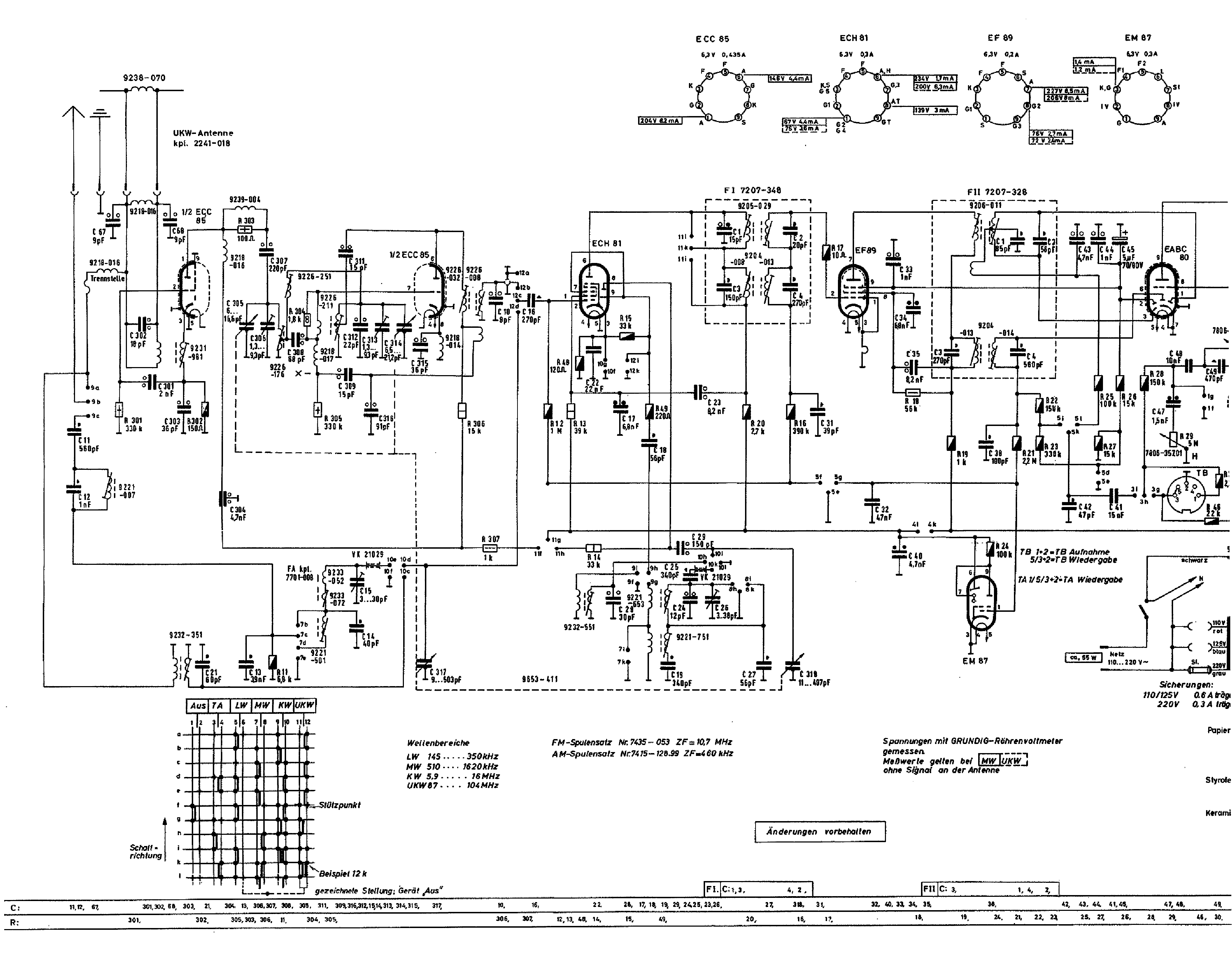
A panasz az volt, hogy nem szól. Szétszedtem és hiányzott a 63V. A táp:

A nyíllal jelölt biztosíték volt kiégve. Rövid méricskélés után nem találtam semmi különösebb problémát, így betettem egy 1.3 amperest (ilyen volt otthon, de mielőtt visszaadom veszek olyat mint ami gyárilag volt benne), bekapcsoltam és tökéletesen működik.
Először arra gondoltam, hogy túlhajtották szegényt, de a végfokok tápját a 2x21V látja el.
A biztosíték csere után járattam egy órát, semmi problémát nem tapasztaltam vele azóta.
Mit gondoltok, merjem visszaadni? Azért dilemmázok, mert nem szeretném visszakapni egy hét múlva, a biztosítékok meg nem szoktak csak úgy kiégni...
Rajz:
http://elektrotanya.com/?q=showresult&megnev=grundig&megnev2=r2000gb&kategoria=&kat2=schematics
DM
Sziasztok!
A fenti fejegység véletlenszerűen, de percenként bekapcsol. Bekapcsolt állapotban a TAPE-RDS felirat villog 10-15Hz-el (kb.) és ilyenkor elhallgat. Nosza valamelyik mechanika végálláskapcsoló kh-s. De nem egyik sem kh-s. Próbáltam azt, hogy az alaphelyzetbe zárót összeforrasztottam a bontóról pedig leforrasztottam az egyik vezetéket. Helyzet változatlan. Szkóppal méricskélve az egyik kapcsoló (alaphelyzetben bontott állapotban van) lábán alaktalan, hullámzó véletlenszerűen változó jel van. Amikor ez a jel eléri a 2V-ot akkor kapcsol magnóra (TAPE). Néha begerjed és szabályos négyszögjel van a lábán, olyankor villog a kijelzőn a felirat (jogosan). Kérdés, hogy mi ott az a zavar, mitől lesz négyszögjel és honnan jön? Tudom kettőt és könnyebbet, de egész délután ezzel küzdök, már tikkel a szemem. Rajzot nem találtam, de jól jönne. Csatolom az előlapot, hátha ismerős valakinek.
Üdv.
Hello,
üdvözletem mindenkinek. Ehhez a fönt említett rádiónak kellene a SM. Egy régi A6-ba kellene bépíteni, de a gond az, hogy az eredeti audi gamma cc 1996-os évjáratú bekötése más. Ugyanis az újabb model billentyűzet megvilágítása nem működik mert, sejtem azt a K-bus-on keresztűl kapcsolja be az jármű valamelyik vezérlőegysége. viszont a régi bekötésnél a billentyűzet megvilágítása a csatlakozó megadott fegyverzetén kapcsolandó.Röviden, át kell kötnöm a rádión belűl, SM nélkűl meg nincs értelme időt veszíteni. A SM igényét feladtam a WANTED-be, előre is köszönöm
Sziasztok!
Tudna-e valaki segíteni? Egy Pa-1 CD-vel nem boldogulok. (Már javították) A léser-dióda nem világított, kicseréltem a komplett egységet, mechanikával együtt. A dióda már világít, de a motor meg sem mozdul. A lencse mozog föl-le, keresi a fókuszt, a szán is pozicionál. Az IC-k: SAA7345GP, TDA1302T, TDA7073A. Az a kérdésem, hogy nézegetve a rajzot nem látom a fókusz OK pontot. Általában a disc-forgatás akkor indul, ha van fókusz. Itt is így van? Amikor keresi a fókuszt, a TDA7073 13-16os lábán megjelenik egy néhány voltos feszültség, de egyforma, így jogos, hogy nem indul a disc-motor. Az IC jó, mert kicseréltem a másikkal (2db van benne), de ugyanazt csinálja. Mi lehet a gond?
Köszönettel
Attila