Service manuals, schematics, eproms for electrical technicians

HEATHKIT GR-43 ALL-BAND TRANSISTOR RECEIVER SCH

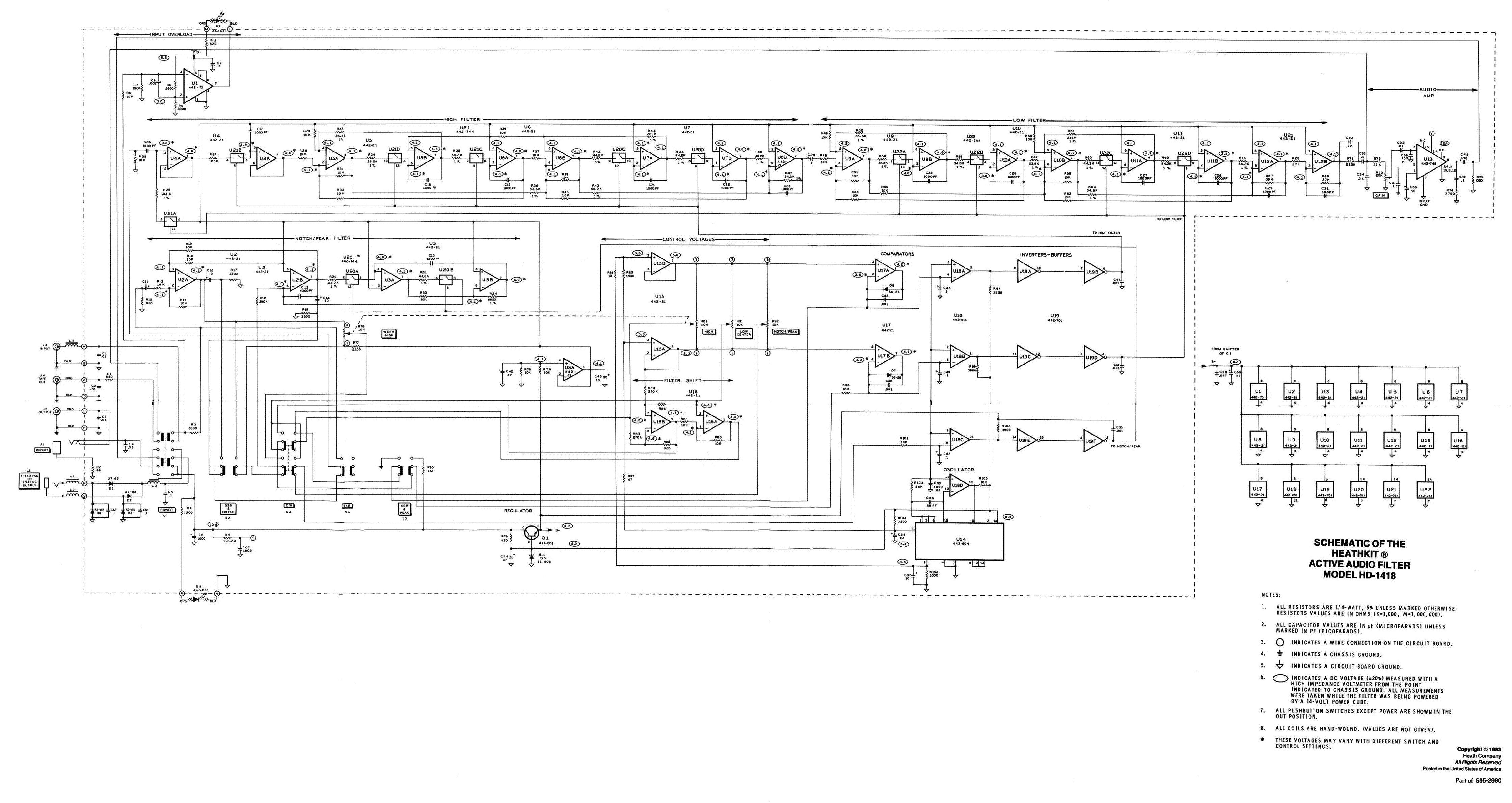
AUDIO - SERVICE MANUAL
Type: (JPG)
Size
5.1 MB
Page
---
Category
AUDIO
SERVICE MANUAL
If you get stuck in repairing a defective appliance download this repair information for help. See below.
Good luck to the repair!

Please do not offer the downloaded file for sell only use it for personal usage!

Looking for similar heathkit manual?
Document preview [1st page]
No preview item


No preview item for this file.

Possible causes:
  • No preview picture generated yet.
  • It is not a pdf file.
Advertisements
Download free of charge (10 files / day):
Download is being processed. Please wait...
Download processing...
  • Also known:
    HEATHKIT GR-43 TRANSISTOR RECEIVER GR43 ALLBAND GR 43 ALL BAND ALL-BAND
  • If you have any question about repairing write your question to the Message board. For this no need registration.
  • If the site has helped you and you also want to help others, please Upload a manual, circuit diagram or eeprom that is not yet available on the site.
    Have a nice Day!
  • See related repair forum topics below. May be help you to repair.
Warning!
If you are not familiar with electronics, do not attempt to repair!
You could suffer a fatal electrical shock! Instead, contact your nearest service center!

Note! To open downloaded files you need acrobat reader or similar pdf reader program. In addition, some files are archived,
so you need WinZip or WinRar to open that files. Also some files are djvu so you need djvu viewer to open them.
These free programs can be found on this page: needed progs
If you use opera you have to disable opera turbo function to download file!
If you cannot download this file, try it with CHROME or FIREFOX browser.
Translate this page:
Relevant AUDIO forum topics:
Philips N4 407/69 orsósmagnó gumialkatrész beszerzés felújításhoz MEGOLDVA
Tisztelt Szakik!

Begyűjtésre került a címben említett készülék, amit szeretnék újból beüzemelni.
Feltételezem a korábbi üzemképességét, mert a rajta levő orsó középállásban volt, azaz félig lejátszották anno(szalagtartalom fele egyik, fele másik orsón a gépen)
Nálam semmi reakciót nem produkált, ugyanis a belsejében a dörzskerék és az összes ékszíj mint hajdanán gumi, elveszítette ezt az állagát, nem részletezném (kátránnyá vált...)
Ezen minden nemű gumialkatrész beszerzésében kérnék segítséget!
Köszönettel D Attila
**************************************************************************************************************************
Siker van!
Zsugori-nak köszönet a beszerzési forrásért:
https://www.arwill.hu/termekek/taviranyitok-szerviz/meghajto-szijak/lapos-szijak/
SzBálintnak és az elektrotanya.com-nak a service maual-ért
D115-2*2 mm volt
D105 nem csak D100-2*2mm volt ( vagy D105 kb- de 1.2*1.2mm ez megy a "kúpkerékre" ahol a sebességváltás történik)
de üzemel

(hibbant egy váltó szerkezete van- mint a bicikliken- tól-ig nyújtva az ékszíj. csatoltam róla képet
a hangtengely lendkereke adott átmérő- meghajtódik a szíj által három különböző tárcsaátmérőről.
Érdemes lehet és mivel "kenni" hogy bírja a szokatlan igénybevételt?
Bár már összerakram de majd küldök képet. Orsó fékeket még meg kell oldani.)
Kösz mindenkinek! Jó vagyok a következő 50!? évre   :)
 
Harman/Kardon AVR 505 Limited Edition házimozi erősítő megnémult (nincs jel a hangszóró kimeneten) Megjavítva
Sziasztok! A címbeli erőlködő nem ad ki semmilyen jelet a hangszóró kimeneten. Amúgy minden működik rajta csak nem szól. Biztik, végtranzisztorok, diódák,kondenzátorok jók. Ha lenne valakinek rajza hozzá és elküldené hálás lennék érte. Szerintetek mi lehet a kínja? Bármilyen segítséget köszönök. További szép(szebb)napot!
AEG CS FMP 560 autórádio/cd csak kijelzés van
Helló Van egy ilyen cd-s autoradio kiírja hogy F187.5, Ha band gombot nyomom annyit ír ki hogy no clock, Ha mode vagy PTY gombot nyomom eltűnik minden a kijelzőről. Hangerőt nem lehet állítani, meg szinte semmit. Az encoder szét volt esve a sok feszegetéstől, ezt tettem rendbe és egy reset-et csináltam, valami ötlet?
PU-9879A kapcsolasi rajz
Sziasztok ki tudna segiteni valaki egy PU-9879 peugeot - clarion automagno kapcsolasi rajzal elore is koszonom Gobe
Similar manuals:
If you want to join us and get repairing help please sign in or sign up by completing a simple electrical test
or write your question to the Message board without registration.
You can write in English language into the forum (not only in Hungarian)!

E-Waste Reduce