Service manuals, schematics, eproms for electrical technicians

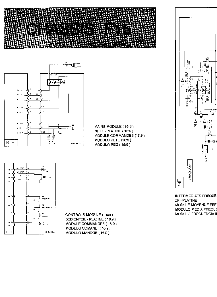
NORDMENDE CHASSIS F20-9 ADDITIONAL DIAGRAMS SCH

TV - SERVICE MANUAL
Type: (JPG)
Size
1.8 MB
Page
---
Category
TV
SERVICE MANUAL
If you get stuck in repairing a defective appliance download this repair information for help. See below.
Good luck to the repair!

Please do not offer the downloaded file for sell only use it for personal usage!

Looking for similar nordmende manual?
Document preview [1st page]
No preview item


No preview item for this file.

Possible causes:
  • No preview picture generated yet.
  • It is not a pdf file.
Advertisements
Download free of charge (10 files / day):
Download is being processed. Please wait...
Download processing...
  • Also known:
    NORDMENDE CHASSIS F-209 DIAGRAMS F209 ADDITIONAL 209 F20 F20-9
  • If you have any question about repairing write your question to the Message board. For this no need registration.
  • If the site has helped you and you also want to help others, please Upload a manual, circuit diagram or eeprom that is not yet available on the site.
    Have a nice Day!
  • See related repair forum topics below. May be help you to repair.
Warning!
If you are not familiar with electronics, do not attempt to repair!
You could suffer a fatal electrical shock! Instead, contact your nearest service center!

Note! To open downloaded files you need acrobat reader or similar pdf reader program. In addition, some files are archived,
so you need WinZip or WinRar to open that files. Also some files are djvu so you need djvu viewer to open them.
These free programs can be found on this page: needed progs
If you use opera you have to disable opera turbo function to download file!
If you cannot download this file, try it with CHROME or FIREFOX browser.
Translate this page:
Relevant TV forum topics:
Nordmende Spectra SC72SF opciózása
Sziasztok ! Tud valaki segíteni a fennt írt tv opciózásával kapcsolatban !Köszi előre is !
Nordmende Spectra SL72AT ch. tán F17AD komplett lap
Sziasztok! Sosem láttam még ilyen gépet. Ki javított már ilyet??? Annyira pofás gép, régi lehet, de szinte majdnem sík a csöve, tán superplanár lehet, fene tudja. De a komplett sasszi hiányzik :( Fellelhető valakinél??? Ha nem, akkor marad káva kukának, cső meg padlásra. De ezt valahogy jó lenne összerakni :) Köszi! Üdv: Pityesz
NORDMENDE FUTURA 55L ICC8 TÁP NEM INDUL
SZIASZTOK.A fenti készülék csak egy pillanatra indul. A sorvég tranzisztort kivéve a sorkimenő elé egy 220/60w izzót rakva az izzó csak néhány mp-ig villágit.A táp primer oldalán az elkókat kicseréltem, de semmi változás.Amikkor a táp leáll a piros led is kialszik. A tápba egy TEA2061ic van.
Nordmende 3208H *rendszertelenül megáll, illetve esetlegesen indul*
Üdv' Mindenkinek! A fent említett muzeális darab sorkimenő csere után müxik. Aztán jött a kh-k tömege, jóegynéhány kondi, képcső-fűtés tekercsről nyolc menet a kukába és nem hittem a szememnek mily jó képe lett nekije. NODE! Mint Virág elvtárstól tudjuk, az élet nem egy habostorta... Kikapcsolás után ha rögtön visszakapcsolom, vagy elindul, vagy nem és csak villan, leáll, villan stb. Néha meg hangoláskor, ha kiesik szinkronból, úgy megáll, hogy csak hálózati újraindítás után megy. Ellenben ha nincs buzerálva, órákig működik gond nélkül. Egyszer egy Galaxyval szívtam egy napot hasonló jelenség miatt, ott egy huszonkét voltos zener a védelemben tizenkilenc voltnál nyitott, az viszont csak megállt és újraindult, majd ha ezt háromszor megtette, akkor kellett újra hálózati ki-bekapcsolás néki. Ebben a csodában viszont semmi ilyesmit nem leltem. Vagy tíz éve futottam bele egy hasonlóba, hogy néha hangoláskor megállt, alig merem bevallani de azt bíz úgyhagytam. Csak nem a HR trafónak kissé "más" impulzusait nem szereti??? (Lásd Thomzon ICC17, amibe nem szabad HR-t rakni, mert kikapcsolgat). Kiegészítettem a címet! Legközelebb nem leszek ilyen jószívű!! Kalex
Similar manuals:
If you want to join us and get repairing help please sign in or sign up by completing a simple electrical test
or write your question to the Message board without registration.
You can write in English language into the forum (not only in Hungarian)!

E-Waste Reduce