Service manuals, schematics, eproms for electrical technicians

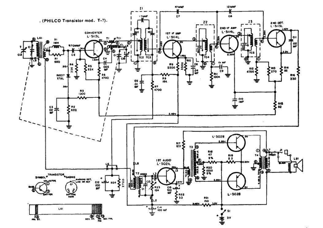
PHILCO 20

AUDIO - SERVICE MANUAL
Type: (JPG)
Size
244.0 KB
Page
---
Category
AUDIO
SERVICE MANUAL
If you get stuck in repairing a defective appliance download this repair information for help. See below.
Good luck to the repair!

Please do not offer the downloaded file for sell only use it for personal usage!

Looking for similar philco manual?
Document preview [1st page]
No preview item


No preview item for this file.

Possible causes:
  • No preview picture generated yet.
  • It is not a pdf file.
Advertisements
Download free of charge (10 files / day):
Download is being processed. Please wait...
Download processing...
  • Also known:
    PHILCO 20
  • If you have any question about repairing write your question to the Message board. For this no need registration.
  • If the site has helped you and you also want to help others, please Upload a manual, circuit diagram or eeprom that is not yet available on the site.
    Have a nice Day!
  • See related repair forum topics below. May be help you to repair.
Warning!
If you are not familiar with electronics, do not attempt to repair!
You could suffer a fatal electrical shock! Instead, contact your nearest service center!

Note! To open downloaded files you need acrobat reader or similar pdf reader program. In addition, some files are archived,
so you need WinZip or WinRar to open that files. Also some files are djvu so you need djvu viewer to open them.
These free programs can be found on this page: needed progs
If you use opera you have to disable opera turbo function to download file!
If you cannot download this file, try it with CHROME or FIREFOX browser.
Translate this page:
Relevant AUDIO forum topics:
Jbl 710 nincs hang
Sziasztok
Még nincs nálam tulaj leírása. 
Nincs üdvölő hang csak egy halk csippanás! A Bluetooth kapcsolat létrejön, fények aktívak ha elindítom a zene lejátszás nincs hang. 
Reset megvolt, frissítést nem enged. 
Mennyire javíthatóak ezek a jbl partyboxok? 
Köszönöm Balázs 
AKAI AA-1030 receiver hűtőbordáján lévő diódát keresem
Sziasztok! Javítanék egy AKAI AA-1030-as receiver-t. A végfok teljesen elszállt. Az már majdnem kész, de a hűtőbordán van "két" dióda: STV-4H saruba fogatva. Az egyiket jónak mérem, de a másik mindkét irányban szakadt. Mivel lehetne helyettesíteni ezt, mert az elvi rajzon csak sima diódának tüntették fel, de rákeresve más rajzokon pl az STV-4H 4db soros diódát takar, az STV-3H 3db soros diódát. Az sem tiszta számomra, hogy germánium vagy szilícium, mivel ez még a 80-as évek erősítője. "FONTOS! Olyan fórum téma nevet válassz, ami beszédes, minél pontosabban illeszkedik arra, amivel kapcsolatban írsz. Egy lehetséges jó elnevezés pl: ORION LCD PT26S chassis 17MB12-2, a tápja nem indul Az nem elég, hogy pl: "LG LCD-TV" vagy "HP laptop" és hasonlóak. Illetve érdektelen, nem releváns információt se tartalmazzon a cím! A helytelenül elnevezett topik felfüggesztésre, majd 48 óra után törlésre kerül! Felfüggesztett állapotban nem tudnak mások addig hozzászólni, amíg ki nem javítod a címet. A hibás cím utólagos javítása (48 órán belül) a "Szerkesztés" fülre kattintva végezhető el."
Sony ST-S170 tuner nem jelzi ki a "Stereo" vételt [MEGOLDVA]
Sziasztok! A tuner szépen fog minden FM állomást maximális jelszinttel, de nem jelzi ki a displayen hogy STEREO, ezert az automatikus kereséskor nem talál semmit, vagy a beprogramozott adok scanjénél se áll meg sehol sem mert az a sztereo jelzesre áll meg. Van egy NULL mérô tesztpont ott 0V-ra állítottam be a T21-es tekerccsel.Vettem már sajnos KF IC-t is (LM1851N) bele de nem az a hibás, a tápja (B+) 13.7V ez egy 83ohmos ellenallason megy az IC pin3-ra (Vcc) az pedig 11.3V helyett csak 9V. Elkók mérve jók.NYAK szakadas nincs. Az AM-en egyáltalán nem fog semmit, de ugyemlékszem a gazdája azt mondta már olyan is volt elotte.FM-et pedig halgatta majd kiment a szobabol es mire visszajott nem volt sztereo vétel. Muszerezettsegem nincs rádiókra, csak oszciloszkópom van.
Englebert SA-1 erősítő
Sziasztok! Mi a véleményetek eme erölködőről??? Érdemes nekifognom? 3 éve áll itt ez is :S Halvány fogalmam nincs egyenlőre mivan vele, ha aztmondjátok gagyi akkor hagyom a fenébe. Köszi! Üdv: Pityesz
Similar manuals:
If you want to join us and get repairing help please sign in or sign up by completing a simple electrical test
or write your question to the Message board without registration.
You can write in English language into the forum (not only in Hungarian)!

E-Waste Reduce